ISSN 2307–3489 (Print), ІSSN 2307–6666 (Online)

Наука та прогрес транспорту. Вісник Дніпропетровського
національного університету залізничного транспорту, 2020, № 4 (88)



рухомий склад залізниць і тяга поїздів

УДК 629.46.06:621.822.614

В. Г. РАВЛЮК1

1Каф. «Вагони», Український державний університет залізничного транспорту,
пл. Феєрбаха, 7, Харків, Україна, 61050, тел. +38 (057) 730 10 35,
ел. пошта ravvg@ukr.net, ORCID 0000-0003-4818-9482

УДОСКОНАЛЕННЯ СТЕНДА ДЛЯ КОМПЛЕКСНОГО

ДІАГНОСТУВАННЯ ВУЗЛІВ ВАНТАЖНИХ ВАГОНІВ

Мета. Це дослідження спрямоване на вдосконалення конструкції стенда для комплексного діагностування буксових вузлів із підшипниками кочення та виявлення працездатності гальмових колодок вантажних вагонів. Методика. Обґрунтовано доцільність і можливість удосконалення стенда для проведення комплексного діагностування підсистем буксових вузлів із підшипниками кочення й гальмових колодок вантажних вагонів, зокрема виявлення їх працездатності шляхом прикладання експлуатаційних навантажень. Як методологічний розвиток цього наукового напряму, із точки зору досліджень працездатності об’єктів діагностування, на стенді досліджено знос триботехнічних пар – поверхонь тертя колодок і коліс під час гальмування. Для оцінки результатів зносу використано традиційний метод випробування шляхом удавлювання індентора у відповідні поверхні тертя. Результати. Отримано розширення можливостей стенда для діагностування буксових вузлів вантажних вагонів зі здійсненням аналізу для різних типів гальмових колодок. Під час досліджень на стенді можна створювати реальні експлуатаційні умови роботи колісної пари для діагностування підсистем буксових вузлів і гальмових колодок. У ході дослідження прикладають різні режими навантажень на колісну пару, забезпечують необхідну вологість і здійснюють обдування в зоні випробовування тертя контрпар, так само виконуються спеціальним пристроєм реєстрацію температури, що виникає на поверхнях гальмових колодок і коліс. Наукова новизна. Теоретично доведено і практично підтверджено концепцію вдосконалення діагностичного стенда для досліджень буксових вузлів. Уперше за допомогою вдосконаленого стенда є можливість досліджувати різні типи гальмових колодок вагонів, виявляти явища утворення різних видів зносу й надавати рекомендації щодо збільшення їх ресурсу. Практична значимість. Результати досліджень, проведених на вдосконаленому стенді, можна використовувати під час проєктування й модернізації таких підсистем інноваційних вантажних вагонів, як буксові вузли з підшипниками кочення й гальмові колодки. На вдосконалений стенд для комплексних досліджень подано заявку на винахід.

Ключові слова: діагностичний стенд; гальмова колодка; діагностування; випробовування; знос; колісна пара; вантажний вагон; буксовий вузол

Вступ

Діагностичні дослідження рухомого складу, зокрема вантажних вагонів, пов’язані в основному з визначенням і підвищенням працездатності окремих елементів і вузлів з яких складається вагон. Саме від цих вузлів великою мірою залежать поточні витрати на утримання вагонів. Якщо технічний стан важливого вузла визначають окремо від інших, не менш важливих, тоді під час діагностування можуть втрачатися суттєві зв’язки між станами об’єктів діагностики (вузлів вагона). Природно, що будь-які процеси діагностування різних елементів із визначенням технічного стану вагона в цілому мають розбіжності. А це не зовсім бажано тому, що втрачається наявний на практиці взаємозв’язок роботи окремих вузлів вагона. Досліджуючи такий підхід, автори в працях [15, 22] продемонстрували новий спосіб розробки динамічної моделі для роторної системи шляхом використання розмірного аналізу з урахуванням значущих геометричних, робочих і теплових параметрів системи. Однак слід зазначити, що вібраційні та теплові реакції несправних сферичних роликових підшипників досліджено в різних робочих умовах для валідації розробленої моделі. Проте визначення критичних станів потребує надійної системи діагностування відмов підшипників, що в цих роботах відображено не було.

Передові країни, у яких запроваджено високі швидкості руху (Німеччина, Франція, Швейцарія, Японія, Китай та ін.), під час перевірки обраних для реалізації технічних рішень виконують випробовування вузлів за допомогою динамічних випробувальних станцій, що призначені для імітації взаємодії колії та рухомого складу. Вони дозволяють здійснювати випробування на втому для аналізу надійності конструкцій вагонів і їх вузлів у контрольованих умовах, визначати динамічні характеристики вагонів і здійснювати їх оптимізацію, виконувати дослідження контакту колеса з рейковою колією, вивчати явища виникнення шуму під час роботи рейкового рухомого складу, відтворювати дію збурювальної сили на вагон через нерівності колії, імітувати моделювання у випадку прослідування кривих ділянок тощо [13, 14, 17].

Зрозуміло, що принцип роботи таких стендів, як коткова станція [11], що створена у США (рис. 1), засновано на тому, що вагон, який діагностують, стоїть на головних робочих органах – коткових блоках, які приводяться в дію через спеціальні приводи від електродвигунів дуже великої потужності. Блоки мають систему гідроциліндрів, що здійснюють переміщення котків у декількох напрямках із великим навантаженням робочих органів. Проте внаслідок громіздких вузлів коткової станції такі масштабні діагностичні проєкти до кінця реалізовані на практиці не були.

Хоча в деяких із них дослідження відрізняються від відомих тільки тим, що замість електричних двигунів колісну пару розкручують за допомогою гідродвигуна. При цьому в багатьох випадках діагностують лише технічний стан буксових вузлів із підшипниками кочення, під час чого аналізують переважно середньочастотний діапазон спектра виявлених несправностей.

Рис. 1. Стенд для діагностування підшипників кочення буксових вузлів колісних пар вагонів

Fig. 1. The stand for diagnosing rolling bearings of axle units of wheel pairs of cars

Для випробування гребенів коліс рухомого складу запропоновано стенд [6], який належить до установок випробування колісних пар рейкового рухомого складу й використовується для досліджень триботехнічних підсистем з обертовим рухом, що пов’язані з проковзуванням контактуючих поверхонь гребенів коліс відносно рейок. Недоліком цього стенда є його вузька спеціалізація, що пов’язана з аналізом високочастотних спектрів автоколивань, які притаманні процесам тертя гребенів коліс об головки рейок.

У схожій праці [8] додатково здійснено прогнозування залишкового корисного ресурсу, що має вирішальне значення для ефективної реалізації технічних характеристик для підшипників кочення. Також у цій роботі застосовано багатофункціональний метод регресії синтезу для прогнозування корисного ресурсу підшипників. У запропонованому підході використано вбудовану локальну лінійну техніку для встановлення оригінальних особливостей індикатора технічного стану підшипника, вона дає змогу запобігти багатьом завадам під час діагностування. Проте результати експериментів показують, що зазначений підхід не демонструє показників, які можуть бути в основі діагностування зносу колодок вагонів і поверхонь коліс під час гальмування.

Колектив авторів [10, 20] виконав схожі дослідження, у яких для підвищення ефективності сепарації сліпого поділу джерел запропоновано метод опорних векторів (SVM). У цьому методі вибіркові точки спостережних складових сигналів визначають шляхом обчислення кута напрямку складеного сигналу як стандартного для відкидання точок інтерференції. Також визначають вибіркові бали, які навчаються за допомогою методу підтримки векторних машин. Тоді визначають оптимальну площину для класифікації спостережних сигналів. Крім того, змішану матрицю оцінюєть за допомогою зваженого підсумовування довірчих інтервалів, а вихідні сигнали відокремлюють за методом найкоротшого шляху. Результати експериментів свідчать, що запропонований метод може визначити сигнал несправності обертової машини. Однак такі випробування високовартісні й досить трудомісткі, тому виробники фрикційних матеріалів не завжди можуть дозволити собі придбати подібне обладнання, яке має програмне забезпечення з методом розрізненого аналізу компонентів.

У подібному напрямі також виконані дослідження [9, 18], у яких представлено конструкцію та характеристики електродинамічного гальма з вихровим струмом, що використовується в системі з асинхронним двигуном. Ця конструкція дає можливість визначати характеристики електродвигунів у поєднанні з регульованим механічним навантаженням у вигляді електродинамічного гальма, використаного на стенді, яке дозволяє точно регулювати навантажувальний крутний момент до 10 Н∙м за швидкостей руху від 100 до 1 500 об./хв на двигун, який випробовують. Однак застосування такої системи на вантажному рухомому складі не можливе.

Більш схожими з нашими дослідженнями є системи, що описані в роботах [19, 21]. У них особливу увагу акцентовано на тому, що процес та умови гальмування – це проблема, яку десятиліттями відчувають виробники гальмових систем і транспортних засобів. Тому така проблема викликає незадоволення споживачів якістю гальмових систем.

З метою вивчення, аналізу й усунення цієї складної проблеми використовують сучасне обладнання для діагностування вузлів транспортних засобів. Але однією з найважливіших причин незадовільного результату є складність гальмової колодки, яка має нелінійні властивості матеріалу. Тому необхідно зрозуміти поведінку гальмової колодки з точки зору її динамічних властивостей (власної частоти, форми демпфування та режиму навантажень) за різних граничних умов. Експериментальний модальний аналіз (EMA) використовують для вивчення динамічних властивостей будь-якої структури і, як правило, виконують в умовах вільних кордонів. Підхід до вивчення розподілу питомого тиску від колодок до коліс під час гальмування – це значний крок уперед. Тому була розроблена машина для випробування гальмового опору й вивчення поведінки гальмових колодок за різних навантажень із подальшим аналізом їх результатів і виробленням підходу до стандартної процедури діагностування. Під час випробовувань гальмові колодки спрацьовують за допомогою масштабованого автоматичного модального молотка (SAM) із точним керованим рівнем сили. Вібраційну характеристику вимірюють безконтактно за допомогою 3D-сканувального лазерного доплерівського віброметра (3D SLDV). Зазначене дослідження за таких умов і вдосконалених методик призводить до отримання реальних динамічних характеристик колодок під час гальмування. Проте ця проблема в зарубіжних країнах чекає на своє вирішення.

На вагоноремонтних підприємствах АТ «Укрзалізниця» було впроваджено розроблений закордонними компаніями стенд для діагностування колісних пар «Комплекс контролю буксових вузлів на базі вітчизняного стенда СКБУ–01» [4] (рис. 2), який дає змогу виявити більш широкий клас основних дефектів, однак він пов’язаних лише з пошкодженнями елементів підшипників кочення буксових вузлів.

Стенд [16], розроблений дослідним технологічним центром залізниць Німеччини (FTZ) разом із компаніями «Renk» і «IABG», дозволяє проводити кількісний аналіз зносу і втоми металу в зоні контакту колеса з рейкою. Конструктивно стенд виконаний зі сталевих балок і змонтований на заглибленому фундаменті. Однак його конструкція, моделюючи рух колісної пари по рейковій колії, не дає змоги моделювати ні роботу підсистеми буксових вузлів, ні роботу підсистеми колодкових гальм, які в значній мірі визначають безпечну експлуатацію вантажних вагонів.

Автор цієї статті у складі творчого колективу брав участь у модернізації стенда СВ–01П [5], який дозволяє виконувати дослідження технічного стану буксових підшипників вантажних вагонів за різних режимів навантажень. Недоліком зазначеного стенда є нездатність оцінювати комплексно вплив небезпечних дефектів та відхилень від норми параметрів гальмових колодок, які суттєво впливають на працездатність вантажних вагонів і найбільшою мірою визначають безпечну експлуатацію вагонів у цілому. Хоча діагностування буксових вузлів тут характеризується високою достовірністю отримання відповідної діагностичної інформації на будь-яких режимах роботи стенда.

Автором у роботі [2] для вивчення процесів, що відбуваються в зоні контакту колеса рухомого складу з рейкою, подав описання більш вузькоспеціалізованих стендів, оснащених, окрім натурної колісної пари (чи колеса), відрізком натурної рейки різної довжини. Це дозволяє отримати в лабораторних умовах пляму контакту, що повністю відповідає натурним випробовуванням і впливу зовнішніх чинників на тягові властивості рухомого складу. Крім того, наявність у конструкції стендів облаштувань динамічного навантаження, коливань підресорених мас, що імітують вплив на умови взаємодії колеса з рейкою, а також систем термічної дії на поверхню кочення з метою відтворення в зоні контакту відповідних теплових параметрів режиму гальмування, дозволяє ще більше наблизити умови моделювання до натурних.

У результаті аналізу наукових джерел можна зробити висновок, що проблемам комплексного стендового діагностування працездатності гальмових колодок сумісно з підшипниками кочення буксових вузлів вантажних вагонів достатньо уваги приділено не було. Тому й відповідна інформація з цього питання відсутня.

Мета

Це дослідження спрямоване на вдосконалення конструкції стенда для комплексного діагностування буксових вузлів із підшипниками кочення та виявлення працездатності гальмових колодок вантажних вагонів.

Для досягнення зазначеної мети поставлені такі завдання:

‒ дослідити стенди, створені для діагностування технічного стану вузлів рухомого складу;

‒ обґрунтувати адекватність умов проведення діагностичних досліджень колісної пари з її елементами на стенді порівняно з реальними умовами роботи гальмових колодок у складі гальмової важільної передачі вантажного вагона;

‒ запропонувати заходи щодо дослідження працездатності гальмових колодок сумісно з буксовими вузлами за допомогою вимірювальних засобів стенда;

‒ адаптувати методику випробування робочих поверхонь колодки й поверхні кочення колеса на зносостійкість із різними типами гальмових колодок за відмінних режимів навантаження колісної пари під час гальмування на запропонованому стенді.

Рис. 2. Структурна схема стенда СКБУ–01:
1  колісна пара; 2  опорна плита; 3  підйомна опора; 4  рама комплексу; 5  передавальні підсилювачі;
6
  акустична ізоляція; 7  приймачі сигналів; 8  буксовий вузол

Fig. 2. Block diagram of the SKBU-01 stand:
1 – wheel pair; 2 – base plate; 3 – lifting support; 4 – frame of the complex; 5 – transmitting amplifiers;
6 – acoustic insulation; 7 – signal receivers; 8 – axle box

Методика

Сформульовані завдання діагностування намагалися вирішити за останні десятиліття за двома основними напрямами: з одного боку – це розв’язання проблеми створення оптимальної (раціональної) конструкції візків вантажних вагонів із гальмовою важільною передачею (ГВП), де ремонтні роботи зведено до мінімуму; з другого – вдосконалення системи планово-попереджувальних ремонтів (ППР) і технічного обслуговування (ТО) механічного обладнання вантажних вагонів. Однак вивчення науково-технічних джерел інформації про працездатність колодок гальмових передач вантажних вагонів показало, що жодна з конструкцій візків з ГВП, які експлуатують зараз на залізниці України, не вирішує в достатній мірі проблему своєчасного виявлення небезпечних зносів гальмових колодок у процесі їх експлуатації. Це, на наш погляд, пов’язано з тим, що ГВП під час «вільного» руху вагонів сприяють нахиленню колодок у поверхні кочення коліс, що істотно впливає на працездатність. У результаті висновок про технічний стан колодок хоча й роблять на підставі даних експлуатації, однак за Інструкцією [1] під час ТО покладаються на оцінку оглядачів вагонів, які приймають остаточні рішення щодо їх працездатності, а це не виключає впливу суб’єктивного «людського» фактора.

Очевидно, що під час гальмування вагона внаслідок тертя поверхні коліс і гальмові колодки зношуються. Із метою забезпечення працездатності (надійної й ефективної роботи всієї гальмової системи вантажного вагона) колодки, у разі досягнення зносу граничної величини, замінюють на нові. Зокрема, на двовісних візках вантажних вагонів гальмові колодки в поперечних перерізах своєї довжини зношуються нерівномірно. Результат цього природного процесу наведений на рис. 3, де зображені зношені колодки, які були змонтовані на трьохелементний візок вагона і після регламентованого пробігу 80 тис. км демонтовані, хоча граничного зносу за товщиною (10 мм) досягли не всі чотири гальмові колодки.

Результати експлуатаційних досліджень показують, що ненормативний знос колодок негативно впливає на площу контакту під час гальмування, через це відбувається більш інтенсивний знос і нагрівання дотичних поверхонь. Так само процес гальмування вагонів із ненормативно зношеними колодками збільшує опір рухові, на переборювання якого зайво витрачаються тисячі кіловат енергоносіїв на тягу поїздів.

Із точки зору геометрії знос колодок проявляється у двох вигдядах:

Перший – у вигляді клиноподібного зносу (рис. 3, а). Тут кривизна робочої поверхні колодки близька до постійності, хоча змінюється кількісно за своїм поперечним перерізом так, що у верхніх перетинах колодки товщина її значно менша (знос більший), ніж у нижній.

Другий – у вигляді дуального зносу (рис. 3, б). На робочій поверхні колодок утворюється двоплощинний фрикційний знос переломного типу, який має лінію розмежування як «гористий кряж», яким колодка підточує поверхню кочення колеса. Тому для подальших досліджень таких характерних особливостей уведено поняття дуального зносу гальмових колодок [3].

У наявній системі ППР контроль над виникненням в експлуатації цієї особливості – технологія ТО гальм під час відповідних оглядів і вимірювань колодок, згідно з [1], фактично не передбачений.

Разом із цим слід зазначити, що знос гальмових колодок першого вигляду на практиці контролюють, відверто кажучи, спрощено, хоча це є однією з основних процедур оцінки справності й працездатності колодкових гальм у цілому. Цей контроль за суттю зводиться до порівняння двох величин: мінімально допустимого значення товщини колодки (10 мм) у контрольній точці (вимірюють на відстані 50 мм від верхнього краю робочої поверхні колодки) з різницею між початковою товщиною колодки (65 мм) та товщиною її експлуатаційного зносу [3].


а – а

б – b


Рис. 3. Демонтовані гальмові колодки візків вантажних вагонів із клиноподібним (а)
і дуальним (
б) зносом (біла крива – це лінія розмежування площин)

Fig. 3. Dismantled brake pads of freight car bogies with wedge-shaped (a)
and dual (b) wear (white curve is a line of planes separation)

Тут зрозуміло, що кількісно виміряна на торцевій частині гальмової колодки величина клиноподібного зносу в різних точках її робочої поверхні неоднакова та, звичайно, змінюється за характерною кривою, близькою до експоненти. Тобто, якщо виміряти величину зносу колодки в контрольній точці, можна легко прогнозувати менші значення зносу в інших місцях її робочої поверхні.

З іншого боку, контрольована остаточна товщина колодки в її контрольній точці залежить головним чином від відповідного пробігу вантажного вагона. Причому ці величини можна оцінювати тільки під час огляду вагона на проміжних і кінцевих пунктах технічного обслуговування: спочатку – візуально, потім шляхом не зовсім легкої й достовірної процедури з використанням звичайного вимірювального інструмента (лінійки). І проте перевищення граничного зносу за товщиною в принципі може трапитися під час пробігу вагона між пунктами контрольного технічного обслуговування. Однак у чинній Інструкції [1] на цей випадок ніяких вказівок діагностичного сенсу (прогноз технічного стану гальмових колодок) не передбачено.

Більше того, у випадках дуального зносу колодки критичне значення її товщини часто виявляють не в точці контрольних вимірювань, що може мати небажаний наслідок – вихід колодки з ладу на шляху прямування через негативний вплив напружено-деформованих або температурних факторів на зниження ефективності процесу гальмування вагона. А це неприпустимо з точки зору безпеки руху.

У результаті численних досліджень працездатності ходових частин залізничного транспорту встановлено, що техніко-економічні показники безпечної експлуатації вантажних вагонів істотно залежать від виникнення й накопичення дефектів і пошкоджень у колісних парах, буксових підшипникових вузлах і в деталях колодкових гальм двовісних візків. Причому, як ми вже відзначали, працездатність колодкових гальм оцінюють у пункті технічного обслуговування за критичним станом гальмових колодок.

Таке становище, на наш погляд, пов’язане з недостатньою повнотою досліджень цієї проблеми, насамперед у зв’язку з відсутністю відповідних стендів, зокрема коткових такої спрямованості. Разом із цим зауважимо, що на багатьох наявних стендах цілком адекватно можна відтворити найбільш значимі фізичні й геометричні фактори, які впливають на працездатність колісних пар, а також деталей і вузлів, що з’єднані та контактують із ними: буксових вузлів і гальмових підсистем вагонів.

Результати

Розширення можливостей досліджень на вдосконаленому комплексі (рис. 4) досягається на основі наявного стенда за рахунок змін у його конструкції та з об’єднанням дій, які пов’язані з діагностуванням підсистеми буксових вузлів із підшипниками кочення та зі здійсненням контролю працездатності гальмових колодок підсистеми колодкового гальма.

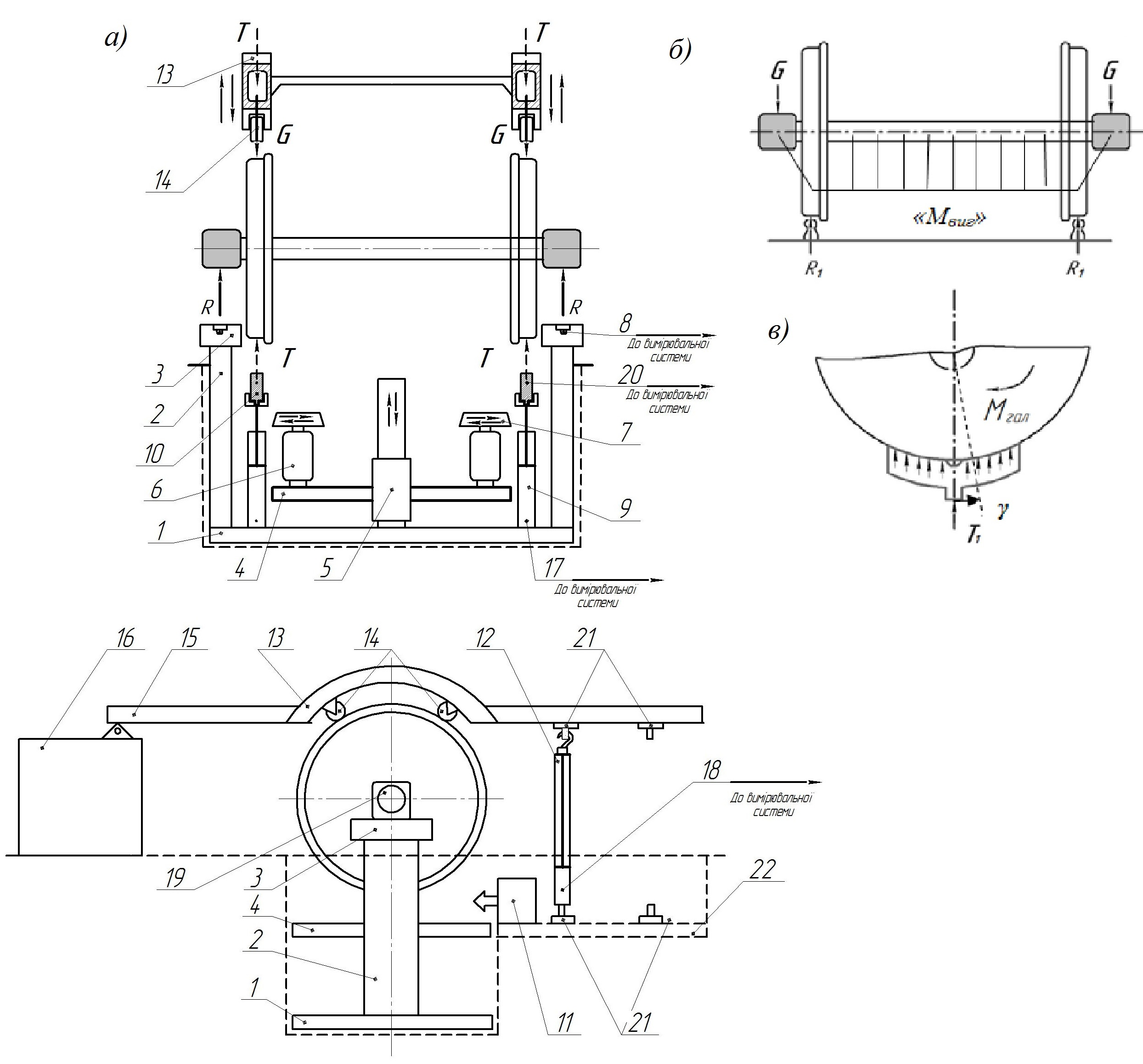
Тут позначено силові фактори, що реалізовано на стенді за допомогою навантажувача (рис. 4, а): G – сили навантаження від еквівалентної ваги навантаженого вагона, що діють на колісну пару; R сили, які еквівалентні реакціям із боку рейкової колії R1 від дії навантажень G); Мгал гальмовий момент, що виникає від гальмової сили Т1, яка діє зі сторони колодок на стенді; G + T2 – сумарне навантаження на стенді від еквівалентної ваги вагона та дії компенсаційних сил T2, які врівноважують дію сил T1 на колісну пару на стенді. А на рис. 4 (б, в) наведено прикладання сил, які гальмують розкручену колісну пару, де Т1 може діяти в межах кута γ (0<γ<γо).

Обґрунтування адекватності умов стендового діагностування порівняно з експлуатаційними умовами роботи колісної пари. Для доведення правомірності запропонованого підходу до вдосконалення конструкції стенда порівняємо схему сил, що навантажують колісну пару, розкручену з гальмуванням на стенді зі схемою гальмування вантажного вагона в дійсності (рис. 5). Тут плоска координатна система gxz пов’язана з центром маси G вагона в центральній точці g.

Рис. 4. Схема вдосконаленого стенда для комплексного діагностування буксових вузлів із підшипниками кочення та випробовувань працездатності гальмових колодок:
а ‒ схема передачі зусилля на колісну пару; б ‒ епюра моментів сил Мзг у випадку навантаження коліс; в ‒ схема розподілу питомих зусиль від гальмової колодки на колесо під час гальмування; 1 – нерухома рама; 2 – опорні стійки;
3 – опорні майданчики; 4 – рухома рама-платформа; 5 – підйомний пристрій для опускання (підіймання) рухомої рами;
6 – механізм розкручування колісної пари з електродвигунами; 7 – фрикційні ролики; 8 – датчики для вимірювання коливань буксових вузлів; 9 – пневмоциліндри; 10 – підсистема колодкового гальмування; 11 – пристрій для обдування колодок повітрям і насичення вологою; 12 – гідронавантажувач; 13 – коромисла; 14 – навантажувальні ролики;
15 – балка коромисел; 16 – опора; 17 – датчик тиску пневмоциліндрів гальмування; 18 – датчик тиску гідронавантажувача; 19 – датчик швидкості обертання колісної пари; 20 – температурні датчики; 21 – вушка; 22 – металева конструкція

Fig. 4. The scheme of the improved stand for complex diagnostics
of axle boxes with rolling bearings and performance tests of brake pads:
а – the scheme of force transmission on a wheel pair; b – moment diagram of forces Мзг in case of wheel loading; c – scheme of distribution of specific forces from a brake pad on a wheel during braking; 1 – fixed frame; 2 – support racks; 3 – support platforms; 4 – movable frame-platform; 5 – lifting device for lowering (raising) the movable frame; 6 – mechanism to start rotation of wheel pair with electric motors; 7 – friction rollers; 8 – sensors for measuring oscillations of axle boxes; 9 – pneumatic cylinders; 10 – pad braking subsystem; 11 – device for blowing pads with air and moisture saturation;
12 – hydraulic loader; 13 – balance levers; 14 – loading rollers; 15 – balance levers beam; 16 – support;
17 – pressure sensor of pneumatic cylinders of braking; 18 – pressure sensor of the hydraulic loader; 19 – sensor of the rotation speed of wheel pair; 20 – temperature sensors; 21loops; 22 – metal structure

Дослідження, які орієнтовані на розрахунки під час проєктування й аналізу рівня поздовжньої динаміки руху вагона [12] та визначення гальмових сил, очікуваних у випадку службового або екстреного гальмування, доводять, що ці процеси характеризуються пневмогальмуванням послідовно за часом кожного вагона окремо з проходженням так званої гальмової хвилі відповідно до діаграми наповнення гальмових циліндрів стиснутим повітрям.

У зв’язку з цим схема (рис. 5) відповідає розгляду руху та гальмуванню вагона на прямих ділянках у площині симетрії рейкової колії. При цьому враховано перерозподіл квазістатичного вагового навантаження на візки так, що передній візок (рух вагона відбувається зліва направо) довантажується пропорційно зменшенню швидкості руху настільки, наскільки задній візок розвантажується порівняно з статичним навантаженням G/2.

Рис. 5. Квазістатична схема перерозподілу навантажень, що діє на візки чотиривісного
вантажного вагона під час гальмування

Fig. 5. Quasi-static scheme of redistribution of loads acting on four-axle
freight car during braking

Відповідно до наведених позначень та звичайного припущення, що центри мас візків лежать на лінії, яка з’єднує центри обертання колісних пар, нескладно визначити вертикальні сили, що діють на візки в квазістатичному режимі гальмування вагона з урахуванням перерозподілу сил статичної рівноваги, і за допомогою навантажувача прикласти їх відповідні величини до розкрученої колісної пари на стенді.

За законами теоретичної механіки перерозподіл сил, який визначають за гальмування вагона, залежить від таких параметрів:

bG і z – відповідно вага й координата центра ваги вагона за різного його наповнення, (z = h);

параметр зменшення швидкості руху вагона (сповільнення);

mgп – прискорення вільного падіння;

2l – база вагона.

Тоді, у разі повної геометричної й вагогабаритної симетрії навантаження вагона, на перший та другий візок будуть діяти зі сторони вагона під час гальмування сили R1 і R2, які визначають за формулами:

із довантажуванням першого по ходу візка:

(1)

із розвантаженням другого візка:

(2)

Результати розрахунків за формулами (1)–(2) свідчать, що залежно від завантаження вагона за різних режимів його гальмування має місце значний розкид даних стосовно перерозподілу навантаження візків. Це може бути передбачено під час діагностування колісної пари на стенді з використанням пристрою, що навантажує колісну пару (рис. 4, а).

За цих обставин є припустимим досліджувати працездатність колісної пари у зборі, розглядаючи її під навантаженням силою R1 або силою R2 та враховуючи квазістатичний перерозподіл ваги по візках у їх прискореному або сповільненому русі на реальних нерівностях рейкової колії. Отже, можна сказати, що будь які зміни величин і напрямів дії силових факторів у роботі ГВП будуть накладати однакові динамічні особливості на процес гальмування колісної пари як на стенді, так і в реальності.

Справді, ГВП конструктивно виконана так, що в експлуатаційних умовах гальмування двовісних візків через гальмові колодки на колісну пару діють дійсні гальмові зусилля, аналогічні стендовим Т1, і компенсуються такими ж протилежно спрямованими силами, що діють на другу колісну пару (тому ці зусилля й називаються внутрішніми). Тобто реальна схема навантаження колісної пари під час гальмування колодковими гальмами відповідає стендовій (рис. 4, а). Тут сила G (частина ваги надбуксового навантаження, що діє з боку вагона) і сила R2 (реакція рейки з боку рейкової колії), очевидно, рівні за величиною:

(3)

Ефект гальмування колеса, візка й вагона, виникає або природно за рахунок дії сил опору руху (під час вибігу), або за рахунок роботи колових сил тертя гальмової колодки об поверхню кочення коліс, що пов’язано з реалізацією гальмового моменту Мгал (під час гальмування):

(4)

де φ – коефіцієнт тертя робочих поверхонь колеса й гальмової колодки; Т1 – гальмове зусилля, що передається на колесо через колодку; D – діаметр колеса по колу кочення.

Навантаження під час гальмування колісної пари, розташованої на стенді, та її врівноважений стан забезпечують силами (G + Т2), які діють (зверху) на кожне колесо колісної пари через пристрій (рис. 4), що навантажує колісну пару, разом із силами: R2 – опорними реакціями буксових вузлів, які діють через підшипники з боку опорних стійок із майданчиками; Т1 – гальмовими зусиллями, що діють (знизу) з боку підсистеми колодкових гальм стенда через гальмові колодки, притиснені до коліс за допомогою додатково встановлених на стенді елементів гальмової підсистеми з пневмоциліндрами. Вплив гальмових зусиль Т1 на врівноважений стан колісної пари на стенді компенсовано силами Т2 = Т1 (на рис. 4, а показано пунктирними стрілками).

Таким чином, з огляду на ідентичність загальновизнаної епюри чистого згину осі колісної пари (рис. 4, б), умови роботи буксових вузлів і підсистеми колодкового гальма в реальності й на стенді можна вважати рівнозначними.

Конструкція та порядок роботи на стенді. Робота стенда (рис. 4) відбувається відповідно до його конструкції. Так, він складається з нерухомої рами 1, яка знаходиться в заглибленому колодязі; опорних стійок 2 з опорними майданчиками 3 для жорсткого з’єднання останніх із буксами колісної пари; рухомої рами-платформи 4; підйомного пристрою 5 для опускання (підіймання) рухомої рами; механізму розкручування колісної пари з електродвигунами 6, на валах яких закріплені фрикційні ролики 7, що підводяться до коліс за фрикційного розкручування (розгону) колісної пари на стенді; пристрою навантажування колісної пари, що відтворює її експлуатаційні навантаження та навантаження її підсистем; додатково під колісною парою знаходяться пневмоциліндри 9, які з’єднано з колодками підсистеми колодкового гальмування 10, що контактують із колесами під час гальмування; пристрою 11, який забезпечує обдування колодок повітрям та наповнення вологою простору навколо них, що імітує переміщення колісної пари по рейковій колії; датчиків вібрацій (коливань) буксових вузлів, датчиків силових навантажень на елементи стенда; датчика швидкості обертання колісної пари й температурних датчиків.

Рухома рама-платформа 4 виконана з можливістю вертикального переміщення для електродвигунів із фрикційними роликами 7, які, торкаючись коліс задають обертальний рух колісній парі із заданою частотою обертання.

Навантажування колісної пари вагою, що відтворює вертикальні навантаження всіх елементів, виконано так, що гідронавантажувач 12 (рис. 4) з’єднано з коромислами 13, на внутрішній поверхні яких кріпляться навантажувальні ролики 14, через які навантаження сумарним зусиллям G і T2 передається на поверхні кочення коліс, а далі на кожну підсистему, що примикає до колісної пари.

Балка коромисел 15, з одного боку шарнірно закріплюється до опори 16, яка знаходиться на встановленій відстані відносно колісної пари, а з іншого — до самих коромисел 13.

Усі датчики, що розташовані у відповідних місцях, приєднано до вимірювальної системи, а саме: датчики коливань 8 буксових вузлів; датчики тиску 17 пнемоциліндрів гальмування колодками колодкового гальма; датчик тиску 18 гідронавантажувача, що визначає напружено-деформований стан колісної пари й елементів, які приєднані до неї; датчик швидкості обертання 19 колісної пари, що реєструє інтенсивність гальмування (зниження обертів колісної пари); температурні датчики 20.

Створення й регулювання штучного навантаження здійснюється гідронаван-тажувачем 12 із можливістю його переустановлення на різну відстань від колісної пари із закріпленням до вушок 21, які приварені до балок, з’єднаних із протилежними сторонами коромисел, і до нерухомої конструкції 22.

Стенд під час гальмування колодковим гальмом функціонує таким чином. Здійснюють установлення колісної пари за допомогою вантажопідйомного механізму, з опусканням її на опорні майданчики, де фіксують буксові вузли. Далі за допомогою гідронавантажувача колісну пару навантажують до того часу, доки не досягатиметься її розраховане (експлуатаційне) навантаження, яке контролюють вимірювальною системою.

Після цього колісну пару розкручують механізмом розкручування до відповідної частоти обертання з подальшою реєстрацією показань параметрів, які записує вимірювальна система.

Під час випробувань працездатності буксових вузлів виконують зняття вібраційних характеристик за допомогою датчиків коливань (вібрацій), розташованих на опорних майданчиках для букс, та аналізують діагностичну інформацію для визначення технічного стану підшипників кочення. Тобто на підставі вимірюваних частот та амплітуд коливань здійснюють аналіз усіх складових спектрів вібрації колісної пари з гальмовими колодками та підшипників кочення буксових вузлів.

Оцінка зносостійкості та фрикційних властивостей колодок. Для оцінки зносостійкості та фрикційних властивостей гальмових колодок на розробленому стенді дослідження проводено за схемою лабораторних фрикційних випробувань диск - колодка [7] із використанням доданого до стенда програмного комплексу, що дозволяє здійснювати зміну частоти обертання колісної пари за заданою програмою. На рис. 6 описана функція розподілення на заданому інтервалі та наведено рівняння регресії третього порядку, у якому змінна х – це час, у – лінійна швидкість на поверхні колеса, ступінь достовірності апроксимації при цьому складає R2 = 0,998. Також наведено вертикальні планки похибок, які демонструють, що відносне значення лінійної швидкості під час діагностування не перевищує 5 %.

У ході випробувань на поверхні пари тертя створювався тиск 70 Н/см2, що відповідає робочому тиску на гальмову колодку в реальних умовах роботи ГВП. Кожне випробування являло собою гальмування за заданою програмою, у ході якого лінійна швидкість на поверхні колеса зменшувалася з 19 до 0 м/с протягом 60 с, що можна порівняти зі службовим гальмуванням із використанням реальної колодки.

Фрикційні властивості зразка в рамках одного випробування було оцінено середнім значенням коефіцієнта тертя за час випробування 60 с за формулою (5):

(5)

де – сума моментів тертя, яка виміряна датчиком моменту тертя за час випробування, Н∙м; – кількість вимірювань моментів тертя, виконаних датчиком моменту тертя за час випробувань; – зусилля притиснення колодки до колеса, Н; – радіус колеса, м.

Рис. 6. Графік зміни лінійної швидкості під час гальмування колодками на стенді

Fig. 6. The schedule of change of linear speed during braking by blocks on the stand

Крім коефіцієнта тертя, під час кожного випробування для оцінки зносостійкості матеріалу визначено об’ємний знос зразка за формулою:

(6)

де – об’ємний знос, 10-3 см3; і – початкова й кінцева маса колодки до і після випробування, г; – щільність матеріалу колодки, г/см3.

Маса гальмових колодок може бути різною, залежно від складу матеріалів, які застосовують для їх виготовлення, і ступеня зношеності на момент випробувань. Однак термін служби колодки визначається часом, протягом якого вона досягне мінімально допустимої товщини, тобто часом, протягом якого буде зношений певний об’єм матеріалу.

Наприклад, мінімально допустима товщина композиційних гальмових колодок із сітчасто-дротяним каркасом – 10 мм [1]. Тому для оцінки зносостійкості колодок із будь-яким ступенем зношеності зручно використовувати об’ємний знос зразків.

Оцінку фрикційного впливу колодок із різним ступенем зносу на поверхні кочення колеса виконано за наведеною методикою багаторазових випробувань:

‒ на поверхню кочення колеса за допомогою індентора твердоміра нанесено відбиток (ямку). У цьому випадку індентор була використана кулька діаметром 5 мм, зусилля навантаження твердоміра склало 1839 Н;

‒ діаметр нанесеного відбитка виміряно за допомогою оптичного вимірювального мікроскопа МПБ–2 у двох взаємно перпендикулярних напрямках;

‒ здійснено випробування за описаною методикою (n = 20);

‒ після циклу з 20 випробувань проводено повторний замір діаметра відбитка;

‒ за зміною діаметра відбитка (рис. 7) розраховано товщину зношеного шару металу Δ (мм) поверхні колеса за формулою:


причому
(7)

де ‒ початковий радіус колеса (до циклу випробувань), мм; – кінцевий радіус колеса (після циклу з 20 випробувань), мм; ‒ діаметр кульки (індентора), мм; ‒ середнє арифметичне діаметрів відбитка, виміряних до циклу випробувань у двох взаємно перпендикулярних напрямках, мм; ‒ середнє арифметичне діаметрів відбитка, виміряних після циклу випробувань у двох взаємно перпендикулярних напрямках, мм; ‒ відстань від центра індентора до площини відбитка (до циклу випробувань), мм; ‒ відстань від центра індентора до площини відбитка (після циклу випробувань), мм.

Рис. 7. Схема визначення h1 зносу шару металу колеса за методом відбитка

Fig. 7. Scheme for determining h1 wear of the metal layer of the wheel by the imprint method

Таким чином, ми отримали розширення можливостей стенда для діагностування буксових вузлів вантажних вагонів із можливістю здійснення аналізу для різних типів гальмових колодок вагонів. Під час досліджень на стенді можна створювати реальні експлуатаційні умови роботи колісної пари для діагностування підсистем буксових вузлів і гальмових колодок. у ході дослідження прикладають різні режими навантажень на колісну пару, забезпечують необхідну вологість і здійснюють обдування в зоні випробовування тертя контрпар, так само виконують спеціальним пристроєм реєстрацію температури, що виникає на поверхнях гальмових колодок і коліс.

Наукова новизна та практична
значимість

У роботі теоретично доведено і практично підтверджено концепцію вдосконалення діагностичного стенда для досліджень буксових вузлів. Уперше за допомогою вдосконаленого стенда є можливість досліджувати різні типи гальмових колодок вагонів, виявляти явища утворення різних видів зносу й надавати рекомендації щодо збільшення їх ресурсу.

Результати досліджень, проведених на вдосконаленому стенді, можна використовувати під час проєктування й модернізації таких підсистем інноваційних вантажних вагонів, як буксові вузли з підшипниками кочення та гальмові колодки. На вдосконалений стенд для комплексних досліджень подано заявку на винахід.

Висновки

На підставі зазначеного можна зробити такі висновки:

1. Виконано комплексні дослідження стендів для діагностування технічного стану вузлів залізничного рухомого складу. За їх результатами запропоновано вдосконалити стенд СВ–01П, який дасть змогу здійснити проведення комплексного діагностування підсистем буксових вузлів із підшипниками кочення й гальмових колодок вантажних вагонів.

2. Теоретично доведено і практично підтверджено, що процес гальмування з ненормативно зношеними гальмовими колодками збільшує опір рухові, на переборювання якого зайво витрачаються енергоносії на тягу вантажних поїздів.

3. Виконано обґрунтування адекватності умов проведення діагностичних досліджень колісної пари з її елементами на стенді порівняно з реальними умовами роботи гальмових колодок у складі гальмової важільної передачі вантажного вагона.

4. Науково обґрунтовано перший крок щодо вдосконалення конструкції стенда, який досягнуто технологічно доступним та економічно доцільним способом, що не потребує значних капітальних вкладень.

5. На вдосконаленому стенді передбачено досліджувати працездатність гальмових колодок у комплексі з буксовими вузлами за допомогою конструктивних змін його навантажувальних пристроїв і додаткових вимірювальних засобів.

6. Адаптовано методику випробування робочих поверхонь гальмової колодки та поверхні кочення колеса на зносостійкість для різноманітних режимів (порожнього, середнього, завантаженого) навантаження колісної пари під час гальмування з різними типами колодок на запропонованому стенді.

7. Експериментальні результати, отримані в цьому дослідженні, необхідно далі враховувати для розв’язання проблемних задач визначення працездатності гальмових колодок із буксовими вузлами вантажних вагонів на вдосконаленому діагностичному стенді.

СПИСОК ВИКОРИСТАНИХ ДЖЕРЕЛ

  1. Інструкція з експлуатації гальм рухомого складу на залізницях України: ЦТ-ЦВ-ЦЛ-0015. [Чинний від 1997-10-28 № 264-Ц]. Київ : ТОВ НВП «Поліграфсервіс», 2004. 146 с.

  2. Петраков Д. И. Использование натурных испытательных установок для исследования тяговых качеств подвижного состава. Мир транспорта и технологических машин. 2011. № 4. С. 51–55.

  3. Равлюк В. Г. Дослідження особливостей дуального зносу колодок у гальмовій системі вантажних вагонів. Наука та прогрес транспорту. 2019. №. 2 (80). С. 111–126. DOI: 10.15802/stp2019/166114

  4. Система диагностики механизмов ОМСД-02. Руководство по эксплуатации. ПО 086.00.00.000 РЭ. 2006. 19 с.

  5. Стенд для вібродіагностування буксових вузлів колісної пари вантажного вагона: пат. 99206 Україна: МПК51 G01M 17/08; заявл. 21.03.11; опубл. 25.07.12, Бюл. № 14. 7 с.

  6. Стенд испытаний колесных пар и их элементов: пат. 2436061 Российская федерация: МПК51 G01M 17/10 (2006.01); заявл. 15.07.10; опубл. 10.12.11, Бюл. № 34. 9 с.

  7. Шакина А. В. Разработка эффективной технологии получения вагонной тормозной колодки из металлокерамического фрикционного материала : дис. … канд. техн. наук. Комсомольск-на-Амуре, 2014. 159 с.

  8. Cheng Z. Residual Useful Life Prediction for Rolling Element Bearings Based on Multi-feature Fusion Regression. 2017 International Conference on Sensing, Diagnostics, Prognostics, and Control (SDPC) (Shanghai, 16–18 August 2017). Shanghai, 2017. P. 246250. DOI: 10.1109/SDPC.2017.54

  9. Fomin O., Lovska A., Kovtun O., Nerubatskyi V. Defining patterns in the longitudinal load on a train equipped with the new conceptual couplers. Eastern-European Journal of Enterprise Technologies. 2020. Vol. 2/7 (104). P. 33–40. DOI: 10.15587/1729-4061.2020.198660

  10. Gerlici J., Gorbunov M., Kravchenko K., Prosvirova O., Lack T., Hauser V. Assessment of innovative methods of the rolling stock brake system efficiency increasing. Manufacturing Technology. 2018. Vol. 18. Iss. 1. P. 35–38. DOI: 10.21062/ujep/49.2018/a/1213-2489/MT/18/1/35

  11. Gu X., Yang S., Liu Y., Hao R. A novel Pareto-based Bayesian approach on extension of the infogram for extracting repetitive transients. Mechanical Systems and Signal Processing. 2018. Vol. 106. P. 119139. DOI: 10.1016/j.ymssp.2017.12.034

  12. Iwnicki S. Handbook of Railway Vehicle Dynamics. Boca Raton : CRC Press, 2006. 526 p. DOI: 10.1201/9781420004892

  13. Jaschinski A., Chollet H., Iwnicki S., Wikens A., WonWurzen J. The Application of roller rigs to railway vehicle dynamics. Vehicle System Dynamics. 1999. Vol. 31. Iss. 5–6. P. 345–392. DOI: 10.1076/vesd.31.5.345.8360

  14. Kumbhar S. G. , Sudhagar P. E. Fault Diagnostics of Roller Bearings Using Dimension Theory. ASME J Nondestructive Evaluation. 2021. Vol. 4. Iss. 1. P. 1–10. DOI: 10.1115/1.4047102

  15. Luke M. Eisenbahntechnische Rundschau. 2001. . 4. P 211217.

  16. Mallareddy T. T., Blaschke P., Schneider S., Alarcón D. Brake Impedance Test Stand Modal Testing of Brake Pads under Pressurized Condition Using 3D SLDV and a Scalable Automatic Modal Hammer. SAE Technical Paper 2017-01-2485. 2017. P. 1–2. DOI: 10.4271/2017-01-2485.

  17. Miao Y., Zhao M., Lin J., Lei Y. Application of an improved maximum correlated kurtosis deconvolution method for fault diagnosis of rolling element bearings. Mechanical Systems and Signal Processing. 2017. Vol. 92. P. 173–195. DOI: 10.1016/j.ymssp.2017.01.033

  18. Nalepa K., Miąskowski W., Wilamowska-Korsak M., Puchowski P. Research stand with electrodynamic brake. Mechanik. 2017. Vol. 90. Iss. 7. P. 559–561. DOI: 10.17814/mechanik.2017.7.72

  19. Suetti A. G. L. Regressions of brake pads compressibility from experimental data. SAE Technical Paper2019-36-0014. 2019. P. 1–5. DOI: 10.4271/2019-36-0014

  20. Tang G., Li G., Wang H. Sparse Component Analysis Based on Support Vector Machine for Fault Diagnosis of Roller Bearings. 2017 International Conference on Sensing, Diagnostics, Prognostics, and Control (SDPC) (Shanghai, 16–18 August 2017). Shanghai, 2017. P. 415420. DOI: 10.1109/SDPC.2017.85

  21. Xing Y., Xu H., Pei S., Chang W. Mechanical analysis of spherical roller bearings due to misalignments between inner and outer rings. Proceedings of the Institution of Mechanical Engineers, Part C : Journal of Mechanical Engineering Science. 2016. Vol. 231. Iss. 17. P. 32503262. DOI: 10.1177/0954406216643108

  22. Xu X., Zhao M., Lin J., Lei Y. Envelope harmonic-to-noise ratio for periodic impulses detection and its application to bearing diagnosis. Measurement. 2016. Vol. 91. P. 385–397. DOI: 10.1016/j.measurement.2016.05.073

В. Г. РАВЛЮК1

1Каф. «Вагоны», Украинский государственный университет железнодорожного транспорта,
пл. Фейербаха, 7, Харьков, Украина, 61500, тел. +38 (057) 730 10 35,
эл. почта ravvg@ukr.net, ORCID 0000-0003-4818-9482

УСОВЕРШЕНСТВОВАНИЕ стенда

для КОМПЛЕКСНОЙ ДИАГНОСТИКИ

УЗЛОВ грузовых вагонов

Цель. Это исследование направлено на усовершенствование конструкции стенда для комплексного диагностирования буксовых узлов с подшипниками качения и выявления работоспособности тормозных колодок грузовых вагонов. Методика. Обоснована целесообразность и возможность усовершенствования стенда для проведения комплексного диагностирования подсистем буксовых узлов с подшипниками качения и тормозных колодок грузовых вагонов, в частности по выявлению их работоспособности путем приложения эксплуатационных нагрузок. В качестве методологического развития этого научного направления, с точки зрения исследований работоспособности объектов диагностирования, на стенде исследован износ триботехничних пар – поверхностей трения колодок и колес при торможении. Для оценки результатов износа использован традиционный метод испытания путем вдавливания индентора в соответствующие поверхности трения. Результаты. Получено расширение возможностей стенда для диагностирования буксовых узлов грузовых вагонов с осуществления испытанием для различных типов тормозных колодок. Во время исследований на стенде можно создавать реальные эксплуатационные условия работы колесной пары при диагностировании подсистем буксовых узлов и тормозных колодок. В ходе исследований прикладывают различные режимы нагрузок на колесную пару, обеспечивают необходимую влажность и осуществляют обдувание в зоне испытания трения контрпар, а также выполняют с помощью специального устройства регистрацию температуры, которая возникает на поверхностях тормозных колодок и колес. Научная новизна. Теоретически доказано и практически подтверждено концепцию усовершенствования диагностического стенда для исследований буксовых узлов. Впервые с помощью усовершенствованного стенда появилась возможность исследовать различные типы тормозных колодок вагонов, выявлять образование различных видов износа и давать рекомендации о продлении их ресурса. Практическая значимость. Результаты исследований, проведенных на усовершенствованном стенде, можно использовать при проектировании и модернизации таких подсистем инновационных грузовых вагонов, как буксовые узлы с подшипниками качения и тормозные колодки. На усовершенствованный стенд для комплексных исследований подана заявка на изобретение.

Ключевые слова: диагностический стенд; тормозная колодка; диагностирование; испытание; износ; колесная пара; грузовой вагон; буксовый узел

V. H. RAVLIUK1

1Dep. «Cars», Ukrainian State University of Railway Transport,
Feuerbach Sq., 7, Kharkiv, Ukraine, 61500, tel. +38 (057) 730 10 35,
e-mail ravvg@ukr.net, ORCID 0000-0003-4818-9482

IMPROVEMENT OF THE STAND

FOR COMPREHENSIVE DIAGNOSIS

OF FREIGHT CAR ASSEMBLIES

Purpose. This research is aimed at improving the design of the stand for the comprehensive diagnosis of axle boxes with rolling bearings and the study of the performance of brake pads of freight cars. Methodology. The expediency and possibility of improvement of the stand for carrying out of complex diagnostics of subsystems of axle boxes with rolling bearings and brake pads of freight cars concerning revealing their working capacity by application of operational loadings is substantiated. As a methodological development of this scientific direction, from the point of view of researches of diagnosing objects efficiency on the stand wear of tribotechnical pairs - friction surfaces of pads and wheels at braking is investigated. To assess the results of wear, the traditional test method is used by pressing the indenter into the appropriate friction surfaces. Findings. Expanding the capabilities of the stand for diagnosing axle boxes of freight cars with the possibility of testing for different types of brake pads of cars was obtained. During researches on the stand real operational conditions of work of wheel pair at diagnostics of subsystems of axle boxes and brake pads are created. During the study, different modes of wheel load are applied, the required humidity is provided and blowing is carried out in the test area of the counter pairs friction, as well as the temperature arising on the surfaces of brake pads and wheels is registrated using a special device. Originality. The concept of improvement of the diagnostic stand for researches of axle boxes is theoretically proved and practically confirmed. For the first time with the help of an advanced stand, it is possible to study different types of brake pads of cars, to identify the phenomena of formation of different types of wear and provide recommendations for increasing their life. Practical value. The results of research conducted on an advanced stand can be used in the design and modernization of such subsystems of innovative freight cars as axle boxes with rolling bearings and brake pads. An application for an invention has been submitted for an improved stand for complex research.

Keywords: diagnostic stand; brake pad; diagnosing; testing; wear; wheel pair; freight car; axle box

REFEReNCEs

  1. Instruktsiia z ekspluatatsii halm rukhomoho skladu na zaliznytsiakh Ukrainy: TsT-TsV-TsL-0015, No. 264-Ts. (2004). Kyiv. (in Ukrainian)

  2. Petrakov, D. I. (2011). Ispol'zovanie naturnyh ispytatel'nyh ustanovok dlya issledovaniya tyagovyh kachestv podvizhnogo sostava. Mir transporta i tekhnologicheskih mashin, 4, 51-55. (in Russian)

  3. Ravlyuk, V. G. (2019). Investigation of features of dual wear of pads in brake system of freight cars. Science and Transport Progress, 2(80), 111-126. DOI: 10.15802/stp2019/166114 (in Ukrainian)

  4. Sistema diagnostiki mekhanizmov OMSD-02. Rukovodstvo po ekspluatacii. PO 086.00.00.000 RE. (2006).
    (in Russian)

  5. Martynov, I. E., Ravlyuk, V. G., Nechvoloda, S. I., Mykhalkiv, S. V., Nechvoloda, K. S., Ravliuk, M. G., & Trufanova, A. V. (2012). UA Patent № 99206 Ukrainskyi instytut intelektual noivlasnosti (Ukrpatent)

  6. Eremeev, V. K., Cvik, L. B., Kuleshov, A. V., & Zapol'skij, D. V. (2011). RU Patent № 2436061 Federal service for intellectual property (Russian Federation)

  7. Shakina, A. V. (2014). Razrabotka effektivnoy tekhnologii polucheniya vagonnoy tormoznoy kolodki iz metallokeramicheskogo friktsionnogo materiala (PhD dissertation). Komsomolsk on Amur, Russia. (in Russian)

  8. Cheng, Z. (2017). Residual Useful Life Prediction for Rolling Element Bearings Based on Multi-feature Fusion Regression. 2017 International Conference on Sensing, Diagnostics, Prognostics, and Control (SDPC) (pp. 246-250). Shanghai, China. DOI: 10.1109/SDPC.2017.54 (in English)

  9. Fomin, O., Lovska, A., Kovtun, O., & Nerubatskyi, V. (2020). Defining patterns in the longitudinal load on a train equipped with the new conceptual couplers. Eastern-European Journal of Enterprise Technologies, 2/7(104), 33-40. DOI: 10.15587/1729-4061.2020.198660 (in English)

  10. Gerlici, J., Gorbunov, M., Kravchenko, K., Prosvirova, O., Lack, T., & Hauser, V. (2018). Assessment of Innovative Methods of the Rolling Stock Brake System Efficiency Increasing. Manufacturing Technology, 18(1), 35-38. DOI: 10.21062/ujep/49.2018/a/1213-2489/mt/18/1/35 (in English)

  11. Gu, X., Yang, S., Liu, Y., & Hao, R. (2018). A novel Pareto-based Bayesian approach on extension of the infogram for extracting repetitive transients. Mechanical Systems and Signal Processing, 106, 119-139. DOI: 10.1016/j.ymssp.2017.12.034 (in English)

  12. Iwnicki, S. (2006). Handbook of Railway Vehicle Dynamics. Boca Raton: CRC Press. DOI: 10.1201/9781420004892 (in English)

  13. Jaschinski, A., Chollet, H., Iwnicki, S. D., & Wickens, A. H. (1999). The Application of roller rigs to railway vehicle dynamics. Vehicle System Dynamics, 31(5-6), 345-392. DOI: 10.1076/vesd.31.5.345.8360 (in English)

  14. Kumbhar, S. G., & Sudhagar, P. E. (2021). Fault Diagnostics of Roller Bearings Using Dimension Theory. ASME J Nondestructive Evaluation, 4(1), 1-10. DOI:10.1115/1.4047102 (in English)

  15. Luke, M. (2001). Eisenbahntechnische Rundschau, 4, 211-217. (in English)

  16. Mallareddy, T. T., Blaschke, P., Schneider, S., & Alarcón, D. J. (2017). Brake Impedance Test Stand - Modal Testing of Brake Pads under Pressurized Condition Using 3D SLDV and a Scalable Automatic Modal Hammer. SAE Technical Paper 2017-01-2485, 1-2. DOI: 10.4271/2017-01-2485 (in English)

  17. Miao, Y., Zhao, M., Lin, J., & Lei, Y. (2017). Application of an improved maximum correlated kurtosis deconvolution method for fault diagnosis of rolling element bearings. Mechanical Systems and Signal Processing, 92, 173-195. DOI: 10.1016/j.ymssp.2017.01.033 (in English)

  18. Nalepa, K., Miąskowski, W., Wilamowska-Korsak, M., & Puchowski, P. (2017). Research stand with electrodynamic brake. Mechanik, 90(7), 559-561. DOI: 10.17814/mechanik.2017.7.72 (in English)

  19. Suetti, A. G. L. (2019). Regressions of brake pads compressibility from experimental data. SAE Technical Paper 2019-36-0014, 1-5. DOI: 10.4271/2019-36-0014 (in English)

  20. Tang, G., Li, G., & Wang, H. (2017). Sparse Component Analysis Based on Support Vector Machine for Fault Diagnosis of Roller Bearings. 2017 International Conference on Sensing, Diagnostics, Prognostics, and Control (SDPC) (pp. 415-420). Shanghai, China. DOI: 10.1109/SDPC.2017.85(in English)

  21. Xing, Y., Xu, H., Pei, S., Zhang, X., & Chang, W. (2016). Mechanical analysis of spherical roller bearings due to misalignments between inner and outer rings. Proceedings of the Institution of Mechanical Engineers, Part C: Journal of Mechanical Engineering Science, 231(17), 3250-3262. DOI: 10.1177/0954406216643108 (in English)

  22. Xu, X., Zhao, M., Lin, J., & Lei, Y. (2016). Envelope harmonic-to-noise ratio for periodic impulses detection and its application to bearing diagnosis. Measurement, 91, 385-397. DOI: 10.1016/j.measurement.2016.05.073 (in English)


Надійшла до редколегії: 04.03.2020

Прийнята до друку: 04.08.2020


Creative Commons Attribution 4.0 International

doi: 10.15802/stp2020/213444
© В. Г. Равлюк, 2020