ISSN 2307–3489 (Print), ІSSN 2307–6666 (Online)
Наука
та прогрес транспорту. Вісник
Дніпропетровського
національного університету залізничного
транспорту, 2020, № 4 (88)
ЗАЛІЗНИЧНА КОЛІЯ та автомобільні дороги
R. Csépke1*
1*«Doctoral
School of Multidisciplinary Engineering Sciences»,
Szechenyi Istvan University, Egyetem Sq., 1, Gyor, Hungary,
9026,
tel. +36 70 32 88 426, e-mail csepke.robert@gmail.com,
ORCID 0000-0002-4343-252X
Analysis of
rail-wheel interaction
in curves with small radii
Purpose. The authors goal is to point out that the new geometric design of the curves of tramways is recommended, furthermore the introduction of a new parameter too. This new parameter is the Creepage Index (CI), which takes into consideration the values of wheel creep from the optimal rolling radii difference on every wheelset in the bogie. Methodology. The several types of railprofiles and railway wheel tread profile geometres have been analised with a special softver and compared with standards, TSIs and BOStrab. Findings. The result of the analisys is that the mechanical conformity of rail/wheel interaction (running characteristic) in tramway tracks are unfavourable and new regulations are necessary to reduce the rail/wheel wear and corrugation especially in curves with small radii. Originality. In the EU the Technical Specifications for Interoperability (TSI) are in force, which regulate the parameters of running behaviour for the international and national public railways. However, the regulation does not apply to domestic tramways. In the course of the analysis, the author propose to introduce a system of regulation, which based on the mechanical suitability of the rail/wheel interaction. This is especially justified, because for example the regulation of German light rails (BOStrab) only requires the geometric dimensions of the wheel and the groove of the rail and their limits. Practical value. The author developed new geometric design and limit systems of narrow curves and straight tracks and a new test parameter, which shows degree of coherence for running characteristic of the given curve and vehicle, from the aspect of infrastructure, in case of all wheelsets of bogie. This CI (Creepage Index) parameter takes into account all wheel creep values resulting from the variations (+, –) of the optimum rolling radius difference. This results the tightening of bogie design principles and for running characteristic reasons, it requires the continous flange running of the outer wheel in narrow curves.
Keywords: rail/wheel interaction; curves with small radii; new regulation; tramway track
Introduction
As known, Technical Specifications for Interoperability (TSIs), which regulate the running parameters, are in force for international and domestic railways in the Europian Union. However, these are not applicable for tramways, among others. During the analysis, the author suggests the introduction of system requirements, based on the mechanical conformity of rail/wheel interaction (running characteristic). This is also justified, as the normative regulation of the German tramway system (BOStrab, 2006) [14], also applied by several infrastructure managers in Europe, merely prescribes the limits of the geometric dimensions of the wheel and the rail groove. To decrease the maintenance costs, introduction of new test parameters are also required. For the Hungarian tramway tracks a new geometric design of sharp curves and the introduction of new test parameters and regulation proposed, too. It shows degree of coherence for running characteristics of the given curve and vehicle, from the aspect of infrastructure, in case of all wheelsets of bogie. One of this, the CI (Creepage Index) parameter takes into account all wheel creep values resulting from the variations (+, –) of the optimum rolling radius difference. This results in the tightening of bogie design principles and for running characteristic reasons, it requires the thorough analysis of continous flange running in curves with small radii.
EN 15302 [3] provides a precise mathematical method for determining the equivalent conicity for non-linear tapered wheels. (The well-known Klingel formula refers to a «linearly» tapered wheel profile).
Wavelength of the lateral oscillation (L) is independent from the speed (v) and from the amplitude of the lateral oscillation. Only the gauge (e0), the half angle of the wheel taper (tanγ) and the radius of the wheel (r0) has an effect on its magnitude (Klingel formula).
Frequency (f) can be calculated by knowing the speed (v) as follows:
The motion of a non-linear tapered wheelset is not sinusoidal, but «similar» to that can be characterised by equivalent conicity. The equivalent conicity depends on the amplitude of lateral swaying and it is the tangent of the half-cone angle of a tapered wheelset, whose hunting oscillation wavelength is the same as the real wavelength on theoretically modeled rails.
The emerging (equivalent) conicity value, the resulting wavelength during running and wear have effect on the Wear Index of the rails and wheels. The three basic influencing components that result from these are longitudinal, transverse and creep phenomenon. This will be explained in a later chapter.
As it was already stated in the introduction, there are no technical regulations available for the infrastructure managers of tramways, that regulate the equivalent conicity in straights and running radius difference in curves for an optimal design.
The degree of wear in these narrow curves, the excessive wear of running surface of rail head and rail corrugation will increase the cost of maintenance. The resulting noise usually goes well beyond the limits, due to the tightening of environmental (noise and vibration) regulations. Typically, rail lubrication equipment is installed for the symptomatic treatment of these acute problems.
The construction of EU funded tramways and the acquisition of new, modern vehicles make the optimisation of track-vehicle interaction essential, so as not to cause premature failure of the tracks of a newly built infrastructure.
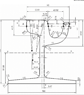
In the range of narrow curves, the current driven bogies with horizontaly «rigid» guided bearings, and used «wear» wheel profiles (in Budapest, CAF and Siemens, Figures 1 and 2), result inadequate running radius differences. This has extreme impact on the tracks, resulting in significant wear (side-wear and corrugation) (Figure 3).
Fig. 1. CAF Urbos wheel profile
Fig. 2. Siemens Combino wheel profile
Fig. 3. Mixed type rail wears in R = 63 m radius curve
The 1:20 linear tapered wheel profile was in use, which was even more unfavorable in the aspect of running characteristic. The Siemens Combino «wear» wheel profile became generally used at the BKV Zrt.
On the basis of simple analyses it can be proved, that the theoretically-possible running radius difference in wheelsets in a curve under R = 100 m radius, from the aspect of mechanical rail/wheel contact is inadequate [5]! On the wear processes and research on this topic, Sebastian, Stichel [13] published results in several conference papers.
Also the lack of regulation is abnormal – which demonstrates the existence of uncertainty – in Hungary (especially in Budapest). There are many types of rails in the tracks of tramways with different rail inclination (up till now 1:20 rail inclination was the standard).
Such Vignol rails: 49E1, 54E1 (and MÁV48) with 1: ∞, 1:40, 1:20 rail inclination, grooved or Phoenix rails: 51R1, 59R2, 60R2 (more recently 67R1, most of them are already produced with 1:40 rail head geometry). Even non-standard block rails are used in precasted concrete panel tracks in Budapest are widespreadly used: B3 (formerly known as Ts52) and B1, both with 1:∞ rail inclination.
Narrow curves and points are characterised by geometrically damaging parameters. They cause significant material damage, eg. In Budapest, there are about 15 km length fo curves with a radius of less than 200 m. Due to the length of these curves, the cost of maintenance is considerable.
Fig. 4. Rail profiles that are used in Budapest
Purpose
An accepted solution should be found for the recognised disorders. It should be taken into account, that the lower speeds on tramways require lower requirements for running safety. The limit values set out in the TSI are only indicative. The maximum design speed of 70 km/h to be introduced on the Hungarian tramways should be taken into account [7]. In the vehicle authorisation procedure for this speed is the following Vmax + 10%, i.e. 70+7=77 km/h (~ 80 km/h). In order to check the running performance of conventional rail vehicles, EN 14363 [2] standard gives 0.4 to the value of tanγe for testing vehicles at 60-140 km/h. The probability of unstable runnig will increase to a critical level at 0.5 as stated by the standard.
For tracks designed for 50–60 km/h speed, this running stability limit cycle cannot occur. However, at this tanγe value, and above this, the hunting oscillation frequency can be too big, which can dramatically increase the speed of the wear processes [6].
Metodology
A software developed by MÁV KFV Ltd (called «Conicity») is available for conducting analyzes.
The previously described wheel types, as well as conventional rail wheels (8 types), different rail profiles (19 types), rail inclination (5 types) and track gauges (8 types) can run almost 6000 variations in the software.
I have already given persentation on this process and its results, among other things, on the international BOGIE'16 conference [5]. In this topic, eg. Ivan Shevtsov also published similar analyzes [13].
Briefly, the operation is inadequate in all respects (tanɣe, equivalent conicity, contact surfaces, RRD:Rolling Radius Difference), especially when running in narrow curves.
Findings
It is well known (from civil and mechanical engineering point of view), that low equivalent conicity is advantageous, while running in curves, especially in narrow curves, only a sufficiently large running radius difference would be favorable for a given curve radius. In many cases however, this can only be achieved with a very high equivalent conicity value. These are contradictory requirements and resolving it is one of the aims to be achieved.
In narrow curves, the gauge widening is useful in terms of passablity (and RRD) (the outer wheel runs on the largest running circle next to the flange, the inner rim runs on the the smallest running circle permittable to avoid derailing), but at larger track gauges, e.g. bogies with rigidly guided bearings turn sideways, the attack angle increases between the rail and the wheel.
In this case, the radius difference of the rear axle may be negative (see Figure 5) [11].
This is also contradictory, so another goal to be achieved is to ensure the positive effect of track gauge widening, along with finding countermeasures.
Fig. 5. «Rotation» of railway bogies
As described earlier [4], it is not possible to achieve the required rolling radius difference in curves under R <~ 80–100 m.
The large rolling radius difference (∆r) ≈ 24 mm (on Hungarian trams) would be achievable, if the outer wheel was running on the flange. There is a similar solution in the case of shallow-groove solid frogs, so no significantly different designs are required. A simple wheel-side displacement test with the previously described software is also suitable for demonstrating operation (Figure 6).
Fig. 6.
Demonstrating the theoretical maximum RRD
on the Siemens wheel
profile when the outer wheel
is running on flange
In addition, the analytical work and the software analyses performed show that, the use of track gauge widening is the most advantageous in the narrow curves, but this can only be done with interventions to reduce the attack angle (to prevent vehicle cross rotation). Reducing the attack angle for Vignol rail tracks can be achieved by using an external guide rail. In grooved rail tracks, the use of different groove widths (narrower on the outside) (Figure 7) is the solution. The guide rail next to the inner rail is disadvantageous, as the narrow gap size prevents the formation of maximum lateral displacement, thus creating the necessary and sufficient RRD function.
Fig. 7. Rails with asymmetric groove widths in curves
As Jochen Brandau [1] explained in his dissertation, asymmetric railhead geometry is favorable when running in curve. This asymmetric rail profile can be made with rail grinding in practice on conventional railways.
Designing asymmetry in tracks seems to be a more economical way to go [15]. For example, the use of asymmetric rail inclination pads at rail fastenings allows the use of same cross ties in straights and curves (such design of newly constructed tracks allows the omission of rail profile griding, as asymmetric rail inclination is already the feature of the track. In case of rail change10-20 Eur/m cost can be saved). With asymmetry, the most favorable rolling radius difference (∆r, RRD) can be achieved with vertical inclination (1:∞) on the outside and 1:20 on the inside of the rail (test sections were costructed in Budapest, where good experience was gained.)
In the narrowest curve range, ~ R = 40 m, shallow grove is required to ensure, that the wheel runs on the outer rim. As a result of this, the highest rolling radius difference develops, which gives the most favorable parameters (Such point (turnout) with asymmetric groove depth (R = 25m) are already in trial operation on the tram network of BKV Zrt. and the preparation for narrow curves (R=21 m) is in progress.)
Rail corrugations, which generate dynamic effects, have been researched for a long time in the work of railway vehicles professionals. Adhesion can only be formed in the so-called micro slip range of wheel [17,18]. The height and lateral wear of the rail as well as the wear of the vehicle wheel are inherent in rail transport. However, influencing factors of this process can be coordinated and optimised. To do this, the specific features of each railways need to be analysed.
The lack of compatibility between the wheel profiles (335 and 300 mm wheel radius) used at BKV Zrt. is highlighted.
The followings were under analysis:
– equivalent conicity values
– contact surface of rail/wheel interaction, contact path (for rigid material model, only in a non-computational approach)
– the maximum possible rolling radius difference
– running frequencies at 50 km/h
– in the case of «two point contact», the wheel speed difference.
The resulting wear characteristics are only analysed indirectly, as it exceeds the limits of this writing.
The figures are from reference [4], and the function of the already presented Klingel formula was calculated and tabulated into an Excel application.
Table 1
Some common
and tested wheel profile
and track design
|
Wheel profile |
Track gauge [mm] |
Rail inclination |
Rail profile l |
|
|
BKV |
1435 |
1:20 |
49E1 |
|
|
Case 2 |
BKV |
1435 |
1:40 |
49E1 |
|
Case 3 |
Siemens Combino |
1435 |
1:20 |
49E1 |
|
Case 4 |
Siemens Combino |
1435 |
(1:40) |
59R2 |
|
Case 5 |
CAF |
1435 |
(1:40) |
59R2 |
|
Case 6 |
Siemens Combino |
1435 |
1:∞ |
B3 |
|
Case 7 |
CAF |
1435 |
1:∞ |
B3 |
|
Case 8 |
Siemens Combino |
1432 |
(1:40, ±1:100 cross inclination) |
59R2 |
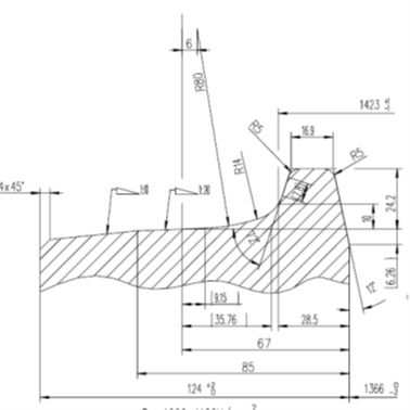
Also, due to volume constraints, the drawings of Case 8 (worst case) are presented only. The analisys of other cases are the same.
In Case 8 (Fig. 8.), the construction of the paved straight tracks in Budapest were examined, where the transverse height difference of the rails follows the fall of the paving.
Fig. 8. Running characteristics of Case 8
The results of the running characteristics derived from the extracted data and the application of the Klingel formula (Figures 9, 10) are only partly in line with the previous analisys, where the wheel profile is the same, however, the rails – in terms of their elevation – they were constructed in line with the lateral fall of paving. There are frequent gauge narrowing. In the case of rigid axle vehicles, the following conclusion can be drawn:
Fig. 9. Calculation of Case 8 at y = 3
Fig. 10. Calculation of Case 8 at max. tanɣe value
∆rmax = ~4,5 mm, which is adequate when running in the narrow curves ~ R = 100 m and insufficient for R <100 m.
Contact Area:
The rail/wheel interaction is very unfavorable, with the wheel running on a 1–2 mm wide path. This can cause the contact stress to exceed the flow limit. This results extreme acceleration of height wear and corrugation process, which can be corroborated with practical experience.
Adequacy of running:
The stability of running in straights is not favorable, but it is a damaging constellation on tramways.
Grooved rail with 1:40 rail inclination, e.g. due to the 1% cross fall of the paving, the internal rail (right) represent with 1:-100 inclination and the outer (left) rail with 1:100 inclination (this means asymmetry in running parameters, although the model is not «flawless»).
At y = 0 r = ~2,5mm, and the other side variations have a 2 points contact. This also means, that there is a jump discontinuity in the r function. With this, the frequency of the hunting oscillation during straight runs is very high (3.3 Herz) due to the high tanγe (~1). At y=3 mm lateral displacement its value is 0.69, which is also very unfavorable (2.74 Hz).
This is especially damaging and it is enhanced by min. 2.5 mm rolling radius difference as the ∆r function is strictly monotone. This means that (replacing it in the previous formula), the rigid axle vehicle running in a straight line, but with constantly changing features, which can be described as running in a R = ~ 99–198 m curve. It «would» run in such curves, depending on the r that is being formed.
The IRW wheels are then characterised by the fact that they seek from the center to the side position (as tanɣe is higher there). This is especially true for free-running wheels. The already unfavorable property of these [8] is only intensified with this phenomenon, and ultimately they run on one of the rails.
Note: at 50 km/h speed not, but at the projected 70 km/h speed this constellation is likely to produce unstable runnig.
Table 2 shows the above running characteristics for straight-line and the Klingel formula at a given speed (V = 50 km/h, (13.89 m/s), running radius distance e0= 1,5m).
Table 3 shows those cases (3, 4 and 8), where there is jump discontinuity in the ∆r function (two-point contact). Specifically, the rate of change in speed during wheel rotation and the resulting difference in travel length at a given speed are given here (speed V=50 km/h, 13,89 m/s): (pl.:f=v/k, 13,89/(2*π*300/1000)=7,36887 1/s).
Table 2
Characteristics of running in straights, inspecting C.8.
|
Case |
Running radius (r0) [m] |
Equivalent conicity (tanγe; y=3 mm) |
Max. equivalent conicity (tanγe) |
Wavelength y=3 mm at tanγe both sides (L) [m] |
Frequency y=3 mm-nél (f) [1/s] |
Jump discontinuity in ∆r function at «y» [~mm] |
Frequency at «-∆r»(f) [1/s] |
Frequency at «+∆r» (f) [1/s] |
|
Case 1 |
0,335 |
0,052 |
0,33 |
19,52 |
0,71 |
– |
– |
– |
|
Case 2 |
0,335 |
0,052 |
0,34 |
19,52 |
0,71 |
– |
– |
– |
|
Case 3 |
0,300 |
0,052 |
0,39 |
19,52 |
– |
4,5 |
0,71 |
1,47 |
|
9,42 |
||||||||
|
Case 4 |
0,300 |
0,42 |
0,44 |
19,52 |
– |
1,8 |
0,71 |
2,14 |
|
6,50 |
||||||||
|
Case 5 |
0,300 |
0,37 |
0,42 |
6,93 |
2,01 |
– |
– |
– |
|
Case 6 |
0,300 |
0,29 |
0,45 |
7,82 |
1,78 |
– |
– |
– |
|
Case 7 |
0,300 |
0,26 |
0,4 |
8,26 |
1,68 |
– |
– |
– |
|
Case 8 |
0,300 |
0,69 |
1,0 |
5,07 |
– |
1,0 |
3,30 |
2,74 |
|
4,21 |
Table 3
Two-point contact cases
|
Case |
Wheel
circumf. (k) |
~∆r difference in jump [mm] |
Frequency, lower ∆r (fw-) [1/s] |
Frequency, higher ∆r (fw+) [1/s] |
Difference per revolution (∆s) [mm] |
Theoretical
difference in |
|
Case 3 |
1885 |
3,5 |
7,37 |
7,28 |
22 |
162,14 |
|
Case 4 |
1885 |
2,5 |
7,37 |
7,31 |
15 |
110,55 |
|
Case 8 |
1885 |
2,5 |
7,37 |
7,31 |
15 |
110,55 |
The ∆r functions in the environment of their jump discontinuity the turning wheels have to travel approximately 10 cm difference in the fracture of a second, when simultaneously reaching another revolution. This is a physical impossibility and the resulting longitudinal macro creeps, i.e. wheel slips, increase the material wear. The wear of the wheel and the rail at this time is very damaging to other, more advantageous rail/wheel combinations.
In Table 4, the theoretically possible maximum ∆r was compared of the geometry of each inspected wheel profile to the maximum rolling radius difference, that can be formed on the particular rail and track gauge. The possible maximum ∆r has been taken uniformly for y = ±7 mm point of a wheel of the wheelset and to the flange root, where there may not be derailing situation. Curves that can be passed by the wheelsets without any macro slippage were also compared. The curve radius limit (Rmin), belonging to the max ∆r shows the smallest curve in which the given constellation, theoretically meets the criteria for non-slip rolling and below it, which is no longer satisfactory (Completely theoretical comparison ignoring the angle of attack. Taking these into consideration of course, would make it even more unfavorable).
Table 4
Maximum ∆r and radius limit data
|
Case |
Rolling radius (r0) [m] |
The maximum ∆r at given rail/wheel [mm] |
Limit of the possible ∆rw maximum (Rmin. teor.) [m] |
||
|
Case 1 |
0,335 |
3 |
0,8 |
167,5 |
628,1 |
|
Case 2 |
0,335 |
3 |
0,8 |
167,5 |
628,1 |
|
Case 3 |
0,300 |
5,2 |
4,9 |
86,5 |
91,8 |
|
Case 4 |
0,300 |
5,2 |
4,8 |
86,5 |
93,8 |
|
Case 5 |
0,300 |
5,6 |
4,6 |
80,4 |
97,8 |
|
Case 6 |
0,300 |
5,2 |
(6) |
86,5 |
(75) |
|
Case 7 |
0,300 |
5,6 |
(7) |
80,4 |
(64,3) |
|
Case 8 |
0,300 |
5,2 |
4,8 |
86,5 |
91,8 |
For more background information, see eg. The bogie designs of modern trams in Budapest [10].
At the end of the 1960s, the theoretical running analysis of rail wheels connected with non-rigid axle was carried out for the design high-speed rail vehicles. The goal was to avoid unstable running at higher speeds. This concept seemed to be a good alternative, as it has been shown that there is practically no hunting oscillation movement at this wheel bearing solution. The reason for this is that, there is no rolling radius difference between the independent wheels, because the wheels are not connected with a rigid shaft, so there is no torque between them, which would generate a return force in the wheelset. In the 1970s, the literature of the subject was reviewed in several forms, one of which was published by Kaplan, Hasselman and Short [8].
However, this also means that on a well-constructed and maintained track where track gauge and geometry errors are negligible, the independent (freely running, IRW) wheels tend to orientate to one of the rails and continually touch it because there is no return torque. (Perhaps it is not the best comparison, but acceptable, when road vehicles travel in the same path, inadequately modulating the asphalt paving, which is also a very damaging consequence).
In the above-mentioned tracks with falling cross-section, the wheels of such axles are clearly orientate alongside the lower rail, generating harmful processes that have already been characterised.
Some manufacturers (eg. Siemens) [10] recognised this problem. For example, hydraulic hinge systems, connecting individual vehicle moduls are designed to «mirror» the hunting oscillation of the driven bogies to the non-driven bogies.
However, «copying» of the very unfavorable running characteristics outlined above raises more questions. The appropriateness of this solution has not been proven to date.
In the literature on the rail vehicles, I have not found any investigation on running on a straight track with falling cross-section, approaching the problem from the vehicle dynamic point of view. The extent of this study makes it immpossible to contain such an unusual analysis.
It is important to the above, that in the field of railway vehicle sciences there have already been generic and easy-to-use comparative indicators to predict and present the wear processes resulting from rail transport, the use of which seems necessary in the non-conventional rail sectors as well.
Railway vehicle engineering (vehicle industry) already applies these in its engineering work as a good starting point for further joint assessment and further development of these issues in the two fields. Already at the level of railway vehicle engineering [17], the basis of adhesion rail transport appears (Figure 11) as the essence of adhesion of adhesion and the development of wear patterns.
Fig. 11. Creepage dependence and distribution of the wheel/rail interaction factor
Particularly important works were written to describe the wear processes of wheels and rails. Among the domestic works I would like to emphasize the very complex prediction system published by Professor Zobory [18], whose software application also works. It is also recommended to introduce such a wear index in Hungary.
From the mentioned scientific works [1], [4], [5], [6], [9], [12], [13], [15–18] I would point out that, the devaluation effects resulting from the running of the vehicles are primarily formed by the resulting longitudinal, transverse and ‘drilling’ creepage. These are relative displacements that cause significant wear on both the rail head and the wheel profile in the macro slip range. The magnitude of these is influenced by the different coefficients of friction between the steel materials, the size of the contact surfaces (Herz and other non-rigid contact stress theories) and the frequency of the movements as a function of time.
Originality and practical value
Running characteristic parameters to be introduced at domestic tramways
It is obvious, that the conventional criteria of the domestic tramway design practice has now become particularly damaging. The operational and life cycle cost based financing practice requires the introduction of new guidelines. These should work more efficiently on track/vehicle systems.The analyses carried out revealed that, in addition to interventions on rail vehicles, the professional criteria of this consistency should be put into practice from the civil engineering point of view. There are several possible elements of a contradictory set of criteria.
These are the followings:
Determine the required and sufficient groove dimensions, track gauges and rail inclination (in curves and straight lines) based on running tecnology (rail/wheel mechanical) considerations.
Running technological design and operation limits/parameters must be introduced.
New track construction technologies should be made available to ensure that these parameters are met.
In order to achieve the smallest possible wheel and rail wear, optimisation of the running characteristics (low hunting oscillation frequency in straights, favorable contact surface areas, adequacy of rolling radius difference in curves) is required.
Such optimisation is also reported in I. Y. Shevtsov’s [12] publications. In my opinion, this optimisation process is not sufficient for tramway operators, using multiple types of superstructure (conventional/paved) and multiple rail profiles (at least 2) (Vignol/grooved/block rails, eg in Budapest, see Figure 4).
Even with such mixed rail systems, the use of a ’universal’ wheel profile is appropriate. However, this should be consistent with and optimised for the preferred superstructure systems of the infrastructure operator.
In addition, this wheel profile may also be required to provide satisfactory mechanical properties for given railprofile, rail inclination, track gauge on existing tracks. Figures 12 and 13 show examples of favorable rail/wheel interaction parameters.
Fig. 12. An example of a favorable tanɣe function
Fig. 13. An example of a favorable ∆r function
On the basis of the presented, the partial adaptation of the requirements of the EN 14363: 2016 standard [2] is recommend for tramway conditions.
Recommended parameters to be introduced for domestic use.
Specifications of applicable wheel profile:
I. A min. 120 mm of wheel width should be avoided as much as possible.
II. The possibility to use 130 mm wheel width, which can be a target of 135 mm.
III. In narrow curves, with 1450 mm track gauge and asymmetric rail inclination, the possibility of radius radius difference of ∆r min. = 5,5 mm.
IV. In the case of 59R2 grooved rail (at 1:∞ rail inclination) and MÁV 48 vignol rail, taking into account 1:40 rail inclination, to fully comply with the parameters below (VI, VII, VIII and X).
V. In the case of other rail profiles and rail inclination combinations, to fully comply with points VI, VII. and VIII. at 1432-1450 mm track gauge.
Specifications for rail/wheel interaction mechanics:
VI. Equivalent conicity (tanγe, at ±3 mm y diversion and 1435 mm track gauge)
a. max 0,4 and min 0,05 design value (new wheel and rail)
b. max 0,5 and min 0,05 maintenance value (rails and wheel within the wear limit).
VII. Running tanγe function can only increase monotonically in the direction of the increase of ŷ lateral deflection (in the case of 1432-1450 track gauges).
VIII. In the ∆r function, a «jump» greater than 2 mm is not allowed in the interval y = ± 6 mm (except in the range of ± 2 mm of the maximum side deflection).
IX. Less than 1432 mm track gauge in the track is not tolerable.
X. The upper limit of equivalent conicity (max tanγe) is max 0.6 within the total y lateral displacement range.
XI. The contact path should be as broad as possible, but the «conform» contact is not desirable.
XII. The parameters are mandatory for 59R2 grooved rail (with 1:∞ rail inclination) and MÁV 48 Vignol rail with 1:40 rail inclination. For other rail profile and rail inclination combinations (e.g. maintenance work on existing tracks, etc.), rails should be re-profiled by grinding (59R2 and MÁV 48 1:40).
XIII. In order to comply with the CI, CI1 and CI1-2 indexes in curves, the most favorable (e.g. Table 5) groove widths, shallow groove and gauge expansion are the appropriate asymmetric rail inclination for construction and maintenance work.
XIV. The above parameters must also be applied in the design of new tracks.
The introduction of the lower limit of tanγe during hunting oscillation is necessary to ensure the return force of the wheelset to the centre.
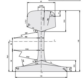
At asymmetric rail inclination, the most favorable RRD develops with 1:∞ inclination at the outer rail and 1:20 at the inner rail. This design can be easily consturcted with the available rail fastening systems and base plates. Such a design is shown in Figure 14.
Fig. 14.
Asymmetric rail inclination
with 1:∞ at the outer rail 1: ∞
and 1:20 at the inner rail
Table 5 shows the recommended groove widths.
A new limit system must be defined for the Creepage Index (CI) with the analogue method of Radial Steering Index (RSI) of the EN 14363 [2]. In addition to the RSI, it compares the axles in a bogie or the wheels in a relationship (eg, a driven one) with one another, but takes into account the actual ∆r that can develop (see Table 4). For single axle suspensions (bogies), it is sufficient to identify the CI or RSI. For bogies with two or more wheelsets, the indexes CI, CI2, CI1-2, CI3, CI2-3,… must be calculated for each wheelsets.
In curves with radius R<100 m, the maximum (∆rw) for the given wheelset and required rolling radii difference (∆r*) in curves must be determined with the CI=∆rw-∆r* expression of the relationship of the two wheel radiuses, where gauge, groove width, track gauge expansion and wheel profile geometry are the input data.
If the result of the CI≥0 (∆rw≥∆r*) relation is adequate, the test shall be continued for vehicles with bogies (and two axles, non-bogie, eg heritage vehicles) by examining the cross rotation of the vehicle in curves, determining the angle of attack and CI2 developing on the rear wheelset, finding the effects of rotation of the bogie. If a negative CI2 develops on the rear wheelset due to the cross-rotation of the vehicle's chassis, then the outer wheel must be positioned towards the outer rail (outer guide rail, narrower groove in the outer rail).
Equal rolling radii difference must be provided on two axles to reduce creepage forces.
Therefore, CI1-2, which is calculated with CI1-2=CI/CI2, should be determined. Ideally, the value of this should be close to 1. For specific constellations, the results of the analysis should be approximatly CI1-2 = 1. Values less than 0.5 (1/2) should be avoided and in case of negative values the technical solution in curves is not satisfactory.
If CI<0, then other technical solutions must be designed in the curves (see Table 5).
The emerging CI, CI2 and CI1-2 values must be determined with the technical parameters of the designed curve. This information must be provided to the infrastructure manager in the design. If the infrastructure manager requests an additional analysis or alternative solution, the new test should also be performed.
Table 5
Recommended
groove width in curve
(and in straight)
|
Minimum groove dimensions for single point bogie guiding |
||
|
Horizontal geometry |
At outer rail of curve |
At inner rail of curve |
|
In case of Vignol rail |
||
|
In level crossing, next to paving separation |
45 mm |
45 mm |
|
Next to guide rail, 50 m ≤ R < 100 m |
not relevant |
55 mm |
|
Next to guide rail, 25 m ≤ R < 50 m (gauge expansion up to +15 mm) |
40 mm |
55 mm |
|
Next to guide rail, 20 m ≤ R < 25m (gauge expansion up to +15 mm) |
40 (42**) mm or shallow groove |
55 mm |
|
In case of grooved rail |
||
|
R > 100 m |
42 mm |
42 mm |
|
50 m ≤ R ≤ 100 m (gauge expansion up to +15 mm) |
36 mm |
55mm |
|
25 m ≤ R < 50 m (gauge expansion up to +15 mm) |
36 (42**) mm |
55mm |
|
20 m ≤ R < 25 m (gauge expansion up to +15 mm) |
36 (42***) mm or shallow groove |
55mm |
Note: * For level crossings in curves, the value for the curve radius should be taken into account.
** in case of d > 3800 mm wheelbase vehicle.
*** in case of d > 3000 mm wheelbase vehicle.
Rolling Radius Difference, Creepage Index (CI):
Conclusions
Suggestions for rail infrastructure and civil engineering
In order to reach the optimum running parameters in narrow curves, the following consideration should be given:
Asymmetry of rail inclination must be ensured structurally when constructing (or renewing)a new track (or renewal). For this, the highest possible value for the rolling radius seems to be satisfactory (e.g. vertical on the outside, along with the 1:20 rail inclination on the inside), all wheel profiles that can be used are most favorable for the available rolling radii difference (∆r, RRD).
The use of a guide rail next to the inner rail is inadequate, if the narrow groove size prevents the development of the required RRD function. The use of the outer guide rail is more advantageous according to the analysis. The inner guide rail can still be retained to increase the derailment safety of narrow curves.
In the narrowest radius curves (~ R <40m), the outer wheel of the vehicle should run on the flange. This will give the possibility for further development of the rail systems for shallow groove design.
In case of urban railways, but especially tramways, the need for proper regulation for running in narrow curves (running characteristic) arises. It is therefore suggested to introduce a new track design parameter, especially for narrow curves. This can be the «rolling radius difference deficiency» or «index» (the introduction of this is among the recommendations of INFRA TSI for conventional railways)
Let this be the CI, CI2 and CI1-2,… index, of which proposed system is presented above.
Suggestions for mechanical engineering of railway vehicles.
As described in the previous paragraph, the construction of bogies of vehicles should also contribute to reducing the attack angle. There is also a need for more robust, non-permissive regulation for the design of railway vehicle bogies, as a common professional interest. This is necessary but not sufficient condition.
It is strongly recommended tram vehicles should only be designed with automatic radially steered axes and wheels. (e.g. Scheffel or other active systems,…)
It also coincides with what is described above, but from the mechanical side, that the vehicles in the narrowest curves (~R 40m) should run on the outer wheel flange. This results the development of wheel profiles and optimisation of flange running.
Close cooperation between professional branches is advisable to improve running on flange!
LIST OF REFERENCE LINKS
Brandau J. Einsatz unsymmetrischer Schienenkopfprofile im Nahverkehr. Hannover : Universität Hannover, Diss. 1999. P. 35–41. DOI: 10.15488/9537
BS EN 14363:2016+A1:2018. Railway applications. Testing and Simulation for the acceptance of running characteristics of railway vehicles. Running Behaviour and stationary tests. 202 p. URL: https://cutt.ly/LfSva6S (date of access 25.06.2020).
BS EN 15302:2008+A1:2010. Railway applications. Method for determining the equivalent conicity. 128 p. URL: https://cutt.ly/AfSvRM2 (date of access 25.06.2020).
Csépke R. Wheel-Rail Interface in narrow curves. Proceedings of the 10th International Conference on Railway Bogies and Running Gears ‒ Department of Rolling Stock of the Scientific Society of Mechanical Engineers : Conference Paper (Budapest, 12–15 sept. 2016). Budapest, 2016. P. 297–305.
Csépke R. Vasúti sín-kerék kapcsolat elemzése a kis sugarú ívekben. Sínek Világa. 2016. Vol. 58, № 2.P. 24–28.
Fischer Sz. A kerék-sín érintkezés mechanikai problémái. Műszaki és informatikai rendszerek és modellek III. 2009. P. 51–68.
Fischer Sz., Horvát F. Mérethatárok sebességfüggősége, XIII. Nemzetközi Építéstudományi Konferencia (ÉPKO) (Csíksomlyó, 11–14 jún. 2009). Erdélyi Magyar Tudományos Társaság (EMT). Csíksomlyó, 2009. P. 137–143.
Kaplan A., Hasselmann T., Short S. Independently Rotating Wheels for High Speed Trains. SAE International. 1970. P. 2496–2497. DOI: 10.4271/700841
Liu B., Mei T. X., Bruni S. Design and optimisation of wheel – rail profiles for adhesion improvement. Vehicle System Dynamics. 2016. Vol. 54. Iss. 3. P. 429–444. DOI: 10.1080/00423114.2015.1137958
Meyer A. Wheel sets or independently rotating wheels – from theory to practice. Siemens AG. 2016. P. 1–12.
Rießberger K. Das Zusammenwirken von Rad und Schiene. Handbuch Eisenbahninfrastruktur. 2013. P. 1–38. DOI: 10.1007/978-3-642-30021-9_1
Shevtsov I. Y. Wheel / Rail Interface Optimisation. PhD Dissertation. Delft University of Technology, 2008. P. 12–18.
Stichel S. Principles of wheel-rail interaction. WRI Principles course. 2013. P. 18–28.
Technische Regeln für die Spurführung von Schienenbahnen nach der Verordnung über den Bau und Betrieb der Strassenbahnen (BOStrab). 2006. P. 19–36. URL: https://www.vdv.de/technische-regeln-spurfuehrung.pdfx
Track Design Handbook for Light Ral Transit. Transit Cooperative Research Program, 2000. P. 7–10.
Wang P., Ma X., Wang J., Xu J., Chen R. Optimization of Rail Profiles to Improve Vehicle Running Stability in Switch Panel of High-Speed Railway Turnouts. Hindawi Mathematical Problems in Engineering. Vol. 2017. P. 1–13. DOI: 10.1155/2017/2856030
Zobory I., Gáti B., Kádár L., Hadházi D. Járművek és mobil gépek I : Egyetemi tananyag. Budapesti Műszaki és Gazdaságtudományi Egyetem Közlekedésmérnöki és Járműmérnöki Kar, 2012. P. 48–54.
Zobory I. Prediction of Wheel / Rail Profile Wear. Vehicle System Dynamics. 1997. Vol. 28. P. 221–259. DOI: 10.1080/00423119708969355
Р. ЧЕПКЕ1*
1*«Докторська
школа міждисциплінарних інженерних
наук», Університет
Іштвана Сечені,
пл. Університетська, 1,
Дьйор, Угорщина, 9026, тел.
+36 (70) 32
88 426,
ел. пошта
csepke.robert@gmail.com,
ORCID 0000-0002-4343-252X
АНАЛІЗ
Взаємодії В СИСТЕМІ КОЛЕСО
– РЕЙКА по
кривИХ малого радіусА
Мета. Основна мета статті – розробити нову геометричну конструкцію кривих трамвайних колій, а також ввести новий параметр. Цей новий параметр – індекс угону (ІУ), який враховує значення проковзування коліс на основі оптимальної різниці радіусів кочення для кожної колісної пари у візку. Методика. Кілька типів профілів рейок і геометрії профілю поверхні кочення залізничних коліс були проаналізовані за допомогою спеціального програмного забезпечення та зіставлені зі стандартами, TSI і BOStrab. Результати. У результаті виявлено, що механічна відповідність взаємодії рейок і коліс (ходові характеристики) на трамвайних коліях несприятлива, і необхідні нові правила для зменшення зносу та хвилеутворення рейок і коліс, особливо на кривих з малим радіусом. Наукова новизна. У ЄС діють Технічні специфікації щодо експлуатаційної сумісності (TSI), які регулюють параметри роботи міжнародних та національних залізниць загального користування. Однак ці правила не поширюються на внутрішні трамвайні лінії. В ході аналізу автор пропонує ввести систему регулювання, засновану на механічній придатності взаємодії рейки та колеса. Це особливо виправдано, тому що, наприклад, регулювання німецьких легких рейок (BOStrab) вимагає тільки геометричних розмірів колеса та жолоба рейки, а також їх меж. Практична значимість. Автор розробив нову геометричну конструкцію та систему обмеження кривих малого радіусу і прямих ділянок колії, а також новий параметр випробувань, який показує ступінь узгодженості ходових характеристик цієї кривої і транспортного засобу з точки зору інфраструктури для всіх колісних пар візка. Такий параметр ІУ (індекс угону) враховує значення проковзування всіх коліс, що виникають у результаті варіацій (+, –) оптимальної різниці радіусів кочення. Це призводить до посилення вимог щодо принципів проєктування візків і з причин ходових характеристик потребує постійного руху гребеня зовнішнього колеса у кривих малого радиуса.
Ключові слова: взаємодія рейки та колеса; криві малого радіуса; нові правила; трамвайна колія
Р. ЧЕПКЕ1*
1*«Докторская
школа междисциплинарных инженерных
наук», Университет
Иштвана Сечени,
пл. Университетская, 1,
Дьёр,
Венгрия, 9026, тел.
+36 (70) 32
88 426,
эл. почта
csepke.robert@gmail.com,
ORCID 0000-0002-4343-252X
АНАЛИЗ
ВЗАИМОДЕЙСТВИЯ В СИСТЕМЕ КОЛЕСО
– РЕЛЬС ПО КРИВыМ МАЛого
РАДИУСА
Цель. Основная цель статьи – разработка новой геометрической конструкции кривых трамвайных путей, а также введение нового параметра. Этот новый параметр – индекс угона (ИУ), который учитывает значения проскальзывания колес на основе оптимальной разницы радиусов качения для каждой колесной пары в тележке. Методика. Несколько типов профилей рельсов и геометрии профиля поверхности катания железнодорожных колес были проанализированы с помощью специального программного обеспечения и сопоставлены со стандартами, TSI и BOStrab. Результаты. В результате анализа выявлено то, что механическое соответствие взаимодействия рельсов и колес (ходовые характеристики) на трамвайных путях неблагоприятно, и необходимы новые правила для уменьшения износа и волнообразования рельсов и колес, особенно на кривых с малым радиусом. Научная новизна. В ЕС действуют Технические спецификации по эксплуатационной совместимости (TSI), которые регулируют параметры работы международных и национальных железных дорог общего пользования. Однако эти правила не распространяются на внутренние трамвайные линии. В ходе анализа автор предлагает ввести систему регулирования, основанную на механической пригодности взаимодействия рельса и колеса. Это особенно оправдано, потому что, например, регулирование немецких легких рельсов (BOStrab) требует только геометрических размеров колеса и желоба рельса, а также их пределов. Практическая значимость. Автор разработал новую геометрическую конструкцию и систему ограничения кривых малого радиуса и прямых участков пути, а также новый параметр испытаний, который показывает степень согласованности ходовых характеристик данной кривой и транспортного средства с точки зрения инфраструктуры для всех колесных пар тележки. Данный параметр ИУ (индекс угона) учитывает значения проскальзывания всех колес, возникающие в результате вариаций (+, –) оптимальной разницы радиусов качения. Это приводит к ужесточению принципов проектирования тележек и по причинам ходовых характеристик требует непрерывного движения гребня внешнего колеса в кривых малого радиуса.
Ключевые слова: взаимодействие рельса и колеса; кривые малого радиуса; новые правила; трамвайный путь
Brandau, J. (1999). Einsatz unsymmetrischer Schienenkopfprofile im Nahverkehr. Hannover: Universität Hannover, Diss., (pp. 35-41). DOI: 10.15488/9537 (in German)
BS EN 14363:2016+A1:2018. Railway applications. Testing and Simulation for the acceptance of running characteristics of railway vehicles. Running Behaviour and stationary tests. Retrieved from https://cutt.ly/LfSva6S (in English)
BS EN 15302:2008+A1:2010. Railway applications. Method for determining the equivalent conicity. Retrieved from https://cutt.ly/AfSvRM2 (in English)
Csépke, R. (2016). Wheel-Rail Interface in narrow curves. Proceedings of the 10th International Conference on Railway Bogies and Running Gears-Department of Rolling Stock of the Scientific Society of Mechanical Engineers: Conference Paper (pp. 297-305). Budapest, Hungary. (in English)
Csépke, R. (2016). Vasúti sín-kerék kapcsolat elemzése a kis sugarú ívekben. Sínek Világa, 58(2), 24-28. (in Hungarian)
Fischer, Sz. (2009). A kerék-sín érintkezés mechanikai problémái. Műszaki és informatikai rendszerek és modellek III, 51-68. (in Hungarian)
Fischer, Sz., & Horvát, F. (2009). Mérethatárok sebességfüggősége, XIII. Nemzetközi Építéstudományi Konferencia (ÉPKO) (pp. 137-143). Erdélyi Magyar Tudományos Társaság (EMT). Csíksomlyó, Románia. (in Hungarian)
Kaplan, A., Hasselman, T. K., & Short, S. A. (1970). Independently Rotating Wheels for High Speed Trains. SAE International, 2496-2497. DOI: 10.4271/700841 (in English)
Liu, B., Mei, T. X., & Bruni, S. (2016). Design and optimisation of wheel–rail profiles for adhesion improvement. Vehicle System Dynamics, 54(3), 429-444. DOI: 10.1080/00423114.2015.1137958 (in English)
Meyer, A. (2016). Wheel sets or independently rotating wheels-from theory to practice. Siemens AG, 1-12. (in English)
Rießberger, K. (2013). Das Zusammenwirken von Rad und Schiene. Handbuch Eisenbahninfrastruktur (pp. 1-38). DOI: 10.1007/978-3-642-30021-9_1 (in German)
Shevtsov, I. Y. (2008). Wheel/Rail Interface Optimisation. (PhD dissertation). Delft University of Technology (pp. 12-18). (in Dutch)
Stichel, S. (2013). Principles of wheel-rail interaction. WRI Principles course, 12-18. (in English)
Technische Regeln für die Spurführung von Schienenbahnen nach der Verordnung über den Bau und Betrieb der Strassenbahnen (BOStrab). (2006). (pp. 19-36). Retrieved from https://www.vdv.de/technische-regeln-spurfuehrung.pdfx (in German)
Track Design Handbook for Light Ral Transit. (2000). Transit Cooperative Research Program (pp. 7-10). (in English)
Wang, P., Ma, X., Wang, J., Xu, J., & Chen, R. (2017). Optimization of Rail Profiles to Improve Vehicle Running Stability in Switch Panel of High-Speed Railway Turnouts. Mathematical Problems in Engineering, 2017, 1-13. DOI: 10.1155/2017/2856030 (in English)
Zobory, I., Gáti, B., Kádár, L., & Hadházi, D. (2012). Járművek és mobil gépek I: Egyetemi tananyag. Budapesti Műszaki és Gazdaságtudományi Egyetem Közlekedésmérnöki és Járműmérnöki Kar (pp. 48-54).(in Hungarian)
Zobory, I. (1997). Prediction of Wheel/Rail Profile Wear. Vehicle System Dynamics, 28, 221-259. DOI: 10.1080/00423119708969355 (in English)
Received: March 05, 2020
Accepted: August 05, 2020
Creative Commons Attribution 4.0 International
doi:
10.15802/stp2020/213180
©
R.
Csépke,
2020