ISSN 2307–3489 (Print), ІSSN 2307–6666 (Online)

Наука та прогрес транспорту. Вісник Дніпропетровського
національного університету залізничного транспорту, 2020, № 2 (86)



рухомий склад і тяга поїздів

УДК 629.46-026.564:625.14

А. О. ШвецЬ1*

1*Каф. «Теоретична та будівельна механіка», Дніпровський національний університет залізничного транспорту імені академіка В. Лазаряна, вул. Лазаряна, 2, Дніпро, Україна, 49010, тел. +38 (050) 214 14 19, ел. пошта angela_Shvets@ua.fm, ORCID 0000-0002-8469-3902

Визначення СТІЙКоСТі ВАНТАЖНИХ ВАГОНІВ

з урахуванням параметрів залізничної колії

Мета. Для перспективного підвищення швидкостей у роботі передбачено розглянути складні умови динамічної взаємодії залізничної колії з рухомим складом. Характер і рівень цієї взаємодії залежать як від конструкції одиниці рухомого складу, її стану та швидкості руху, так і від конструкції та стану самої колії. Методика. Оцінку можливого впливу на колію рухомого складу досліджено аналітичним методом. Напружений стан колії визначено розрахунковим способом із застосуванням залежностей між силовими факторами та характеристиками напружено-деформованого стану колії. Під час визначення статичного тиску колеса на рейку розглянуто вплив перекосів рухомого складу в рейковій колії за схемою «ялинка», за якої додатковий боковий вплив колісних пар візків на колійну структуру є максимальним. Результати. У ході проведення теоретичних досліджень отримано залежності коефіцієнта запасу стійкості від витискання поздовжніми силами з урахуванням різних видів сил інерції від нерівностей як на колесі, так і на рейковій нитці. Також отримано величини коефіцієнта тертя в контакті колеса та рейки від швидкості руху. Наукова новизна. Уперше поєднано правила розрахунку залізничної колії на міцність і визначення динамічної навантаженості рейкового екіпажу. Наведене вдосконалення дає можливість розраховувати величину конструкційної швидкості вагона на основі осьових навантажень, сил інерції від нерівностей на колесі та рейках, а також ураховувати повздовжні квазістатичні сили, які виникають в поїзді за режимів гальмування. Практична значимість. Визначення коефіцієнта запасу стійкості від витискання з використанням наведеної методики дозволить більш ретельно розглянути та обґрунтовувати причину сходження колісних пар із рейок. Застосування означеної методики розрахунку сприятиме визначенню міцності залізничної колії та баластного шару з урахуванням нерівномірності навантаження рейкових ниток у разі перекосів вантажного рухомого складу під дією стискних квазістатичних поздовжніх сил.

Ключові слова: безпека руху; коефіцієнт запасу стійкості від витискання; поздовжні сили; розрахунок колії на міцність; швидкість руху

Вступ

Наявний вагонний парк вітчизняних залізниць за своїми конструктивними особливостями, технічними характеристиками та станом вирізняється досить великою неоднорідністю. Як вантажний, так і пасажирський парки мають у своєму складі поряд із сучасними в конструктивному значенні одиницями велику кількість вагонів зі значним терміном експлуатації. Хоча ці вагони за технічним станом ще цілком працездатні, їх наявність у поїзді в ряді випадків викликає необхідність обмеження швидкості руху.

Максимально допустиму швидкість поїзда на ділянках мережі визначають із техніко-економічних міркувань. Однак для окремого екіпажу, зокрема вагона, установлення максимально допустимої швидкості є суто технічним завданням, пов’язаним із визначенням його конструкційної швидкості. Максимальну швидкість безпечного руху сучасних несамохідних вагонів визначають виключно за умовами динамічної взаємодії колії та ходових частин. Звідси випливає, що поняття «конструкційна» швидкість вагона є умовним, оскільки без урахування конструкції і стану колії воно позбавлене практичного сенсу [1, 4, 5].

Конструкційною швидкістю вважають таку максимальну швидкість, за якої забезпечується необхідна міцність, стійкість і плавність ходу вагона на прямій ділянці колії сучасної типової конструкції, яка повністю задовольняє встановленим нормам утримання. Для колії менш досконалої конструкції або з низькими показниками технічного стану, для кривих ділянок, стрілок і т. под. встановлюють найбільш допустиму швидкості вагона, яка в ряді випадків нижча за конструкційну.

Із визначення конструкційної швидкості випливає, що її перевищення призводить до порушення вимог безпеки руху вагона або до появи прискорень і вібрацій, недопустимих за впливом на організм людини або вантажі. З огляду на те, що реальна колія, причому найдосконалішої конструкції, у процесі експлуатації може перебувати в різному стані, найбільш допустиму швидкість вагона навіть для прямої ділянки слід установлювати нижчу за конструкційну. Ступінь зниження допустимої швидкості відносно конструкційної потрібно встановлювати з урахуванням впливу на динаміку вагона допустимих відхилень від норм поточного утримання колії. Рівень конструкційної швидкості встановлюють для технічно справного вагона з урахуванням допустимих відступів і зносів, обумовлених нормами утримання [1, 4, 7, 10].

Мета

Для більш точного перспективного планування підвищення швидкостей у роботі передбачено поєднати методики правил розрахунку залізничної колії на міцність та визначення динамічної навантаженості рейкового екіпажу. Це дозволить розраховувати величину конструкційної швидкості вагона на основі осьових навантажень, сил інерції від нерівностей на колесі та рейках, а також ураховувати поздовжні квазістатичні сили, які виникають у поїзді за режимів гальмування.

Методика

До визначення величини конструкційної швидкості вагонів підходять по-різному. Найчастіше її встановлюють за результатами випробувань, але іноді за результатами розрахунків. У будь-якому випадку визначають головним чином поперечні (бокові) сили взаємодії ходових частин екіпажу та колії, а також прискорення та переміщення частин екіпажу в горизонтальному поперечному і вертикальному напрямках [1, 610].

Установлення максимальної швидкості здійснюють порівнянням бокових сил і прискорень із допустимими значеннями. Ураховують також, що значне розвантаження коліс за наявності великої поперечної сили може служити причиною сходження рухомого складу з рейок. Величину конструкційної швидкості вагона встановлюють розрахунково-експерименталь-ним шляхом із застосуванням теоретико-ймовірнісного методу на основі допустимих значень запасів стійкості проти перекидання та сходження з рейок, міцності несучих частин екіпажу, допустимих показників плавності ходу.

За динамічними показниками, які визначають розрахунковим та експериментальним методами, обчислюють коефіцієнти запасу стійкості колеса проти сходження з рейок через вкочування гребеня колеса на головку рейки. Значення коефіцієнтів динаміки порівнюють із прийнятими за нормами для розрахунку вагонів на міцність та встановлюють фактичні запаси міцності несучих частин екіпажу. Крім того, за значеннями коефіцієнтів динаміки оцінюють вплив вагона на колію.

Залізнична колія хоча і являє собою зовні просту інженерну споруду, але працює в надзвичайно складних умовах динамічної взаємодії з рухомим складом. Характер і рівень цієї взаємодії залежать від конструкції одиниці рухомого складу, її стану та швидкості руху, а також від конструкції і стану самої колії. Справна залізнична колія – це єдина комплексна конструкція, усі елементи якої працюють спільно, взаємно обумовлюючи загальний напружений стан. У динамічному відношенні його слід розглядати як частину загальної динамічної системи «екіпаж – колія» [1, 4, 5].

Сили впливу на колію коліс рухомого складу в місцях контакту з головкою рейки викликають високі контактні напруження, а також вигин і кручення рейкових ниток. Крім вертикальних і поперечних горизонтальних сил, на колію діють поздовжні сили – це сили гальмування або прискорення під час розгону, сили угону та температурні сили [7, 8].

Загальний рівень динамічного впливу рухомого складу на колію за всіх інших рівних умов залежить від величин осьових навантажень та швидкостей руху. Останні чинять досить істотний вплив на роботу колії, зокрема на її стабільність та напружений стан. Однак робота колії за тривалий період часу, накопичення в ній залишкових деформацій і виникнення різних пошкоджень утомного характеру залежать не тільки від рівня динамічного впливу, а здебільшого від кількості таких впливів за певний відрізок часу, тобто від вантажонапруженості.

У ряді випадків, наприклад, для оцінки можливого впливу на колію спроєктованого рухомого складу, максимальні швидкості руху доводиться визначати розрахунковим способом. Розрахунки необхідні і для переходів від експериментальних результатів, отриманих щодо певної конструкції колії, до оцінки напруженого стану колії іншої потужності. У цьому випадку можна застосувати «Правила розрахунків залізничної колії на міцність і стійкість», у яких використано залежності між силовими факторами й характеристиками напружено-деформованого стану колії.

Вплив коливань у системі «колесо – колія» і вплив нерівностей на колії та колесі враховують силами інерції, що виникають під час взаємодії означеної системи, при цьому визначають чотири різновиди додаткових вертикальних сил, котрі виникають у системі, додатково до дії статичних сил [1, 2, 4, 5]:

додаткова сила коливань надресорної будови, кН; – інерційне зусилля, яке виникає за рахунок руху колеса по плавній нерівності рейкової нитки, кН; – сила інерції необресореної маси екіпажу, колесо якого має ізольовану нерівність, кН; – сила інерції необресореної маси екіпажу, колесо якого має безперервну нерівність, кН.

За розрахункове динамічне навантаження беремо максимальне ймовірне значення від сукупності дій постійної статичної та змінних динамічних сил:

(1)

де – середнє значення динамічної сили, кН; – середньоквадратичне відхилення, кН; – нормуючий множник () для заданого рівня імовірності .

В практичних розрахунках колії на міцність середньоквадратичне відхилення сили , що діє від колеса на рейку, визначаються за наступною залежністю [1, 2, 4, 5]:

(2)

де , , , – середньоквадратичні відхилення відповідних сил.

Середнє значення динамічного навантаження визначається за формулою:

(3)

де – статичний тиск колеса на рейку, кН (береться з паспортних даних рухомого складу); – середнє значення сили інерції, що викликається коливаннями надресорної частини екіпажу, кН.

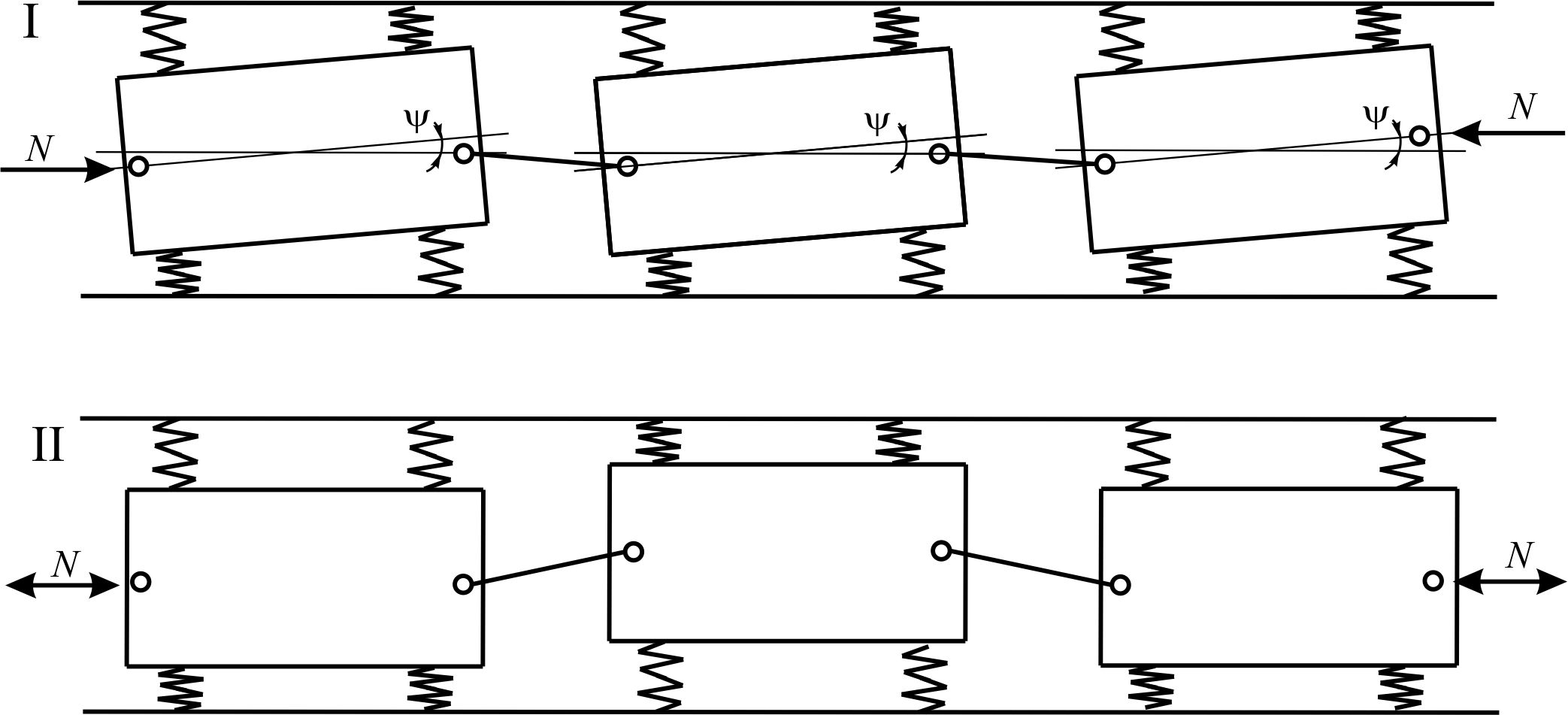
При визначенні динамічного навантаження від одиночного колеса на рейку враховується лише паспортна вага рейкового екіпажу. Загально відомо, що при квазістатичному стиканні поїзда вагони в процесі руху встановлюються з перекосами. Найчастіше такі перекоси виникають за схемою «ялинки», при якій додатковий боковий вплив колісних пар візків на колійну структуру є максимальним [3, 7, 8].

Зі збільшенням квазістатичного стискання поїзда перекоси (рис. 1, а, б) збільшуються, викликаючи збільшення бокового й вертикального впливу коліс ходових частин вагона на колійну структуру. Тобто під час визначення статичного тиску колеса на рейку необхідно враховувати вплив поздовжніх сил квазістатичного характеру, які виникають у зоні контакту колеса та рейки за режимів гальмування.

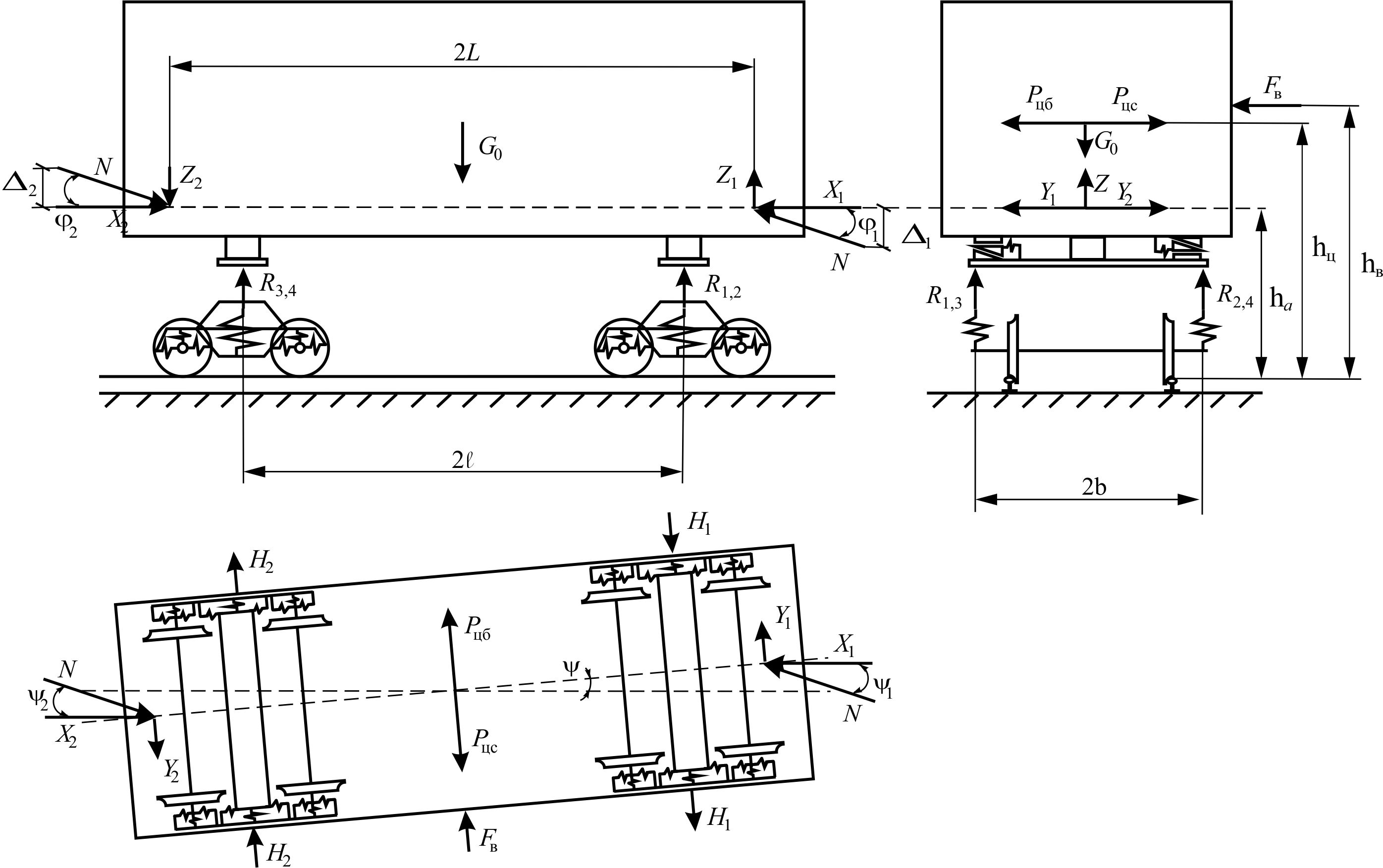
Основу методики визначення вертикальної та бокової реакції рейки на набігаючому колесі від дії поздовжніх сил складають дослідження, наведені в роботі [8]. Рух екіпажу в кривій досліджено за різних по обидві сторони вагона: кутах нахилу кузовів до площини колії та ; кутах повороту автозчеплень відносно осі колії та ; враховано поворот кузова вагона в межах зазору в колії на кут та наявність ексцентриситету закріплення хвостової частини автозчеплення . На вагон (рис. 2) діють стискні поздовжні сили, а сам екіпаж установлений у рейковій колії за схемою І – «ялинка», із відхиленням п’ятників поперек колії (в різні боки від початкового відхилення поздовжньої осі вагона) на величину .

Сили, що діють на вагон спроєктовані на площину колії та їй перпендикулярні – поздовжню відносно осі колії та поперечну. Наведені на рис. 2 позначення, а також параметри, які використовують за визначення коефіцієнта стійкості від витискання поздовжніми силами, зведені в табл. 1.

а – a

б – b

Рис. 1. Розташування вагонів у складі поїзда в разі передачі поздовжнього зусилля:
а – установка вагонів у вертикальній площині з перекосом;
б – у горизонтальній площині у випадку перекосу за схемою «ялинка» (схема I);
хордове розташування (схема II)

Fig. 1. Arrangement of cars in the train in case of transmission of longitudinal force:
a – arrangement of cars in the vertical plane with a skew;
b – in the horizontal plane in the case of skew according to the herringbone pattern (scheme I);
chordal arrangement (scheme II)

Рис. 2. Схема сил, що діють на вагон у випадку установки за схемою «ялинка»

Fig. 2. The scheme of forces acting on the car in case of arrangement according to the herringbone pattern

Таблиця 1

Параметри для визначення коефіцієнта стійкості від витискання поздовжніми силами

Table 1

Parameters for determining the car lift resistance coefficient by longitudinal forces

Позначення

Параметр

Розмірність

поздовжня квазістатична сила в автозчепленні в разі дії на вагон стискнчих сил

кН

вага кузова вагона

кН

рамна сила, що діє на колісну пару

кН

вага візка

кН

горизонтальна жорсткість ресорного підвішування візка

кН/м

вертикальна жорсткість ресорного підвішування візка

кН/м

,

кути у вертикальній площині через різницю рівнів осей автозчеплень у з’єднанні двох вагонів

рад

кут повороту центральної осі кузова вагона в разі встановлення в колії з відхиленням п’ятників поперек колії

рад

,

кути в горизонтальній площині за стискання вагона в разі встановлення в колії з відхиленням п’ятників поперек колії

рад

,

різниця рівнів осей автозчеплень попереду й позаду вагона

м

Продовження таблиці 1

Continuation of Table 1

Позначення

Параметр

Розмірність

ексцентриситет хвостової частини автозчеплення в результаті відхилення від проєктного положення під час виготовлення

м

відстань між центрами шийок осей колісних пар

м

сумарний поперечний розбіг рами кузова вагона відносно осі колії в напрямному перетині за шкворнем

м

довжина вагона за осями зчеплення

м

база вагона

м

відстань між упорними плитами автозчеплень

м

радіус кривої

м

довжина корпусу автозчеплення від осі зчеплення до кінця хвостовика

м

відстань між колами кочення коліс

м

висота осі автозчеплення над рівнем головок рейок

м

висота над рівнем площини головок рейок до верхньої площини центрального ресорного комплекту

м

радіус середньо зношеного колеса

м

висота центра ваги вагона над рівнем головок рейок

м

висота над рівнем площини головок рейок до центра ваги бокової поверхні кузова вагона

м

непогашене прискорення

м/с2

прискорення вільного падіння

м/с2

коефіцієнт тертя між колесом і рейкою


коефіцієнт тертя між колесом і рейкою на ненабігаючому колесі


кут нахилу, утворений конусоподібною поверхнею гребеня колеса, до горизонтальної осі


Зусилля, зображені на рис. 2, визначаємо відповідно до методики, наведеної в роботі [8]. З урахуванням сил інерції у кривій і тиску вітру на бокову поверхню кузова вагона , вертикальну та бокову реакції рейки на набігаючому колесі визначаємо таким чином:

; (4)

, (5)

де – статичний тиск вагона (від колеса набігаючої колісної пари переднього візка (3) – (4)) на залізничну колію з урахуванням зневантаження від поздовжньої сили, кН, причому:

(6)

тут – вага вагона, кН; – кут повороту кузова вагона у вертикальній площині, викликаний наявністю різниці рівнів осей автозчеплень попереду й позаду вагона, рад, який визначаємо за виразом:

(7)

сила інерції від непогашеного прискорення, кН, що становить

; (8)

висота над рівнем площини головок рейок до верхньої площини центрального ресорного комплекту, м. Найчастіше цей параметр у ряді досліджень беруть рівним радіусу середньо зношеного колеса; – кут, утворений поздовжньою віссю корпусу автозчеплення й віссю хребтової балки рами вагона в горизонтальній площині, рад, його можна встановити так:

(9)

кут повороту вагона, який залежить від розташування у кривій, рад, причому

(10)

Узявши статичний тиск колеса на рейку в залежності (3) тотожним та рівним вертикальній реакції рейки на набігаючому колесі , отриманій за залежністю (4), подальший розрахунок проведемо відповідно до нормативних методик, наведених в [1, 2, 4, 5].

Складні коливальні процеси, які виникають під час руху рухомого складу, визначають його динамічний вплив на колію. Ці процеси обумовлені існуванням різного роду нерівностей на рейках, недосконалістю поверхонь кочення коліс, особливим характером руху жорстких баз екіпажів у колії, пружною деформованістю колії, ресор та інших елементів ходових частин. Під час теоретичних дослідженнях зазвичай із комплексного процесу виділяють окремі види коливань і розглядають їх із рядом спрощувальних передумов.

Відповідно до тривалого досвіду експлуатації залізниць та експериментальних досліджень установлено, що під час вивчення вертикальної динаміки вагона необхідно враховувати в основному такі види періодичних нерівностей: довгі безперервні пологі нерівності уздовж рейкової ланки або її половини; короткі безперервні нерівності, викликані хвилеподібним зносом рейок, овальністю або ексцентричністю кола кочення коліс; короткі переривчасті (ізольовані) нерівності типу рейкових стиків із періодом повторень, рівним довжині рейкової ланки, і типу повзунів на колесах із періодом повторень, рівним довжині кола кочення колеса. Довжини хвиль та періоди повторюваності зазначених видів нерівностей практично заздалегідь відомі.

Максимальне значення сили та її середньоквадратичне відхилення від коливань надресорної ваги вагона (кузова) можна визначити такими засобами: через максимальний прогин ресор, через статичний прогин ресор або через коефіцієнт вертикальної динаміки:


(11)

де – коефіцієнт вертикальної динаміки; – вага необресореної частини екіпажу, віднесена до одного колеса, кН.

Середнє значення сили від коливань надресорної ваги екіпажу беремо як 75 % від її максимального значення:

(12)


Інерційне зусилля, яке виникає за рахунок руху колеса по плавній нерівності рейкової нитки , та середньоквадратичне відхилення сили від перекочування колеса по рейці з нерівністю визначаємо відповідно до:

(13)

(14)

де – коефіцієнт, що залежить від типу шпал; – коефіцієнт, що враховує вплив типу рейок на виникнення динамічної нерівності (залежить від моменту інерції рейки); – коефіцієнт, що залежить від типу шпал; – коефіцієнт, що залежить від виду баласту; – відстань між осями шпал, см; – середнє динамічне навантаження, кН; – модуль пружності підрейкової основи, МПа; – коефіцієнт відносної жорсткості основи та рейки, ; – швидкість руху, км/год.

Силу інерції необресореної маси екіпажу, колесо якого має ізольовану нерівність , та її середньоквадратичне відхилення визначаємо за залежностями:

(15)

(16)

де – коефіцієнт, що залежить від типу шпал; – глибина ізольованої нерівності на колесі, м.

Силу інерції необресореної маси екіпажу, колесо якого має безперервну нерівність , та її середньоквадратичне відхилення визначаємо за такими співвідношеннями:

(17)

(18)

де – діаметр колеса, м.

Максимальне еквівалентне навантаження для розрахунків напружень у рейках від дії згинального моменту визначаємо за залежністю:

(19)

Максимальне еквівалентне навантаження для розрахунків прогинів рейок, а також напружень і сил в елементах підрейкової основи визначаємо відповідно до:

(20)

Функції та знаходяться залежно від відстаней від розрахункового перерізу до кожного колеса. Згинальний момент у будь-якому перерізі та силу тиску рейки на опори визначаємо за формулами:

(21)

(22)

Напруження в рейках по осі головки та підошви від дії згинального моменту визначаємо за залежностями:

(23)

де та моменти опору рейки у вертикальній площині відповідно знизу та зверху головки, .

Напруження зминання у шпалах під підкладкою визначаємо залежно від величини сили тиску рейки на опору :

(24)

де площа підкладки, .

У результаті протидії сил тертя деформаціям на ділянці перед рухомим колесом балка не встигає набути обрисів ідеальної пружної лінії і має зменшені ординати, а на ділянці позаду колеса її ординати дещо збільшені. Вплив дисипативних сил позначається тим сильніше, чим вища швидкість руху. За високих швидкостей руху починають відігравати суттєву роль і сили інерції розподіленої маси колії, тому стає винятково важливою вимогою рівноміцності всіх елементів колії та її поздовжньої рівнопружності. Розрахунки показують, що більша частина всього динамічного додатку до статичного тиску викликана нерівнопружністю колії.

Нерівнопружність залізничної колії є одним із факторів ускладнення розрахунків напружено-деформованого стану. Останніми дослідженнями встановлено, що наявність локального зменшення пружності підрейкової основи (просадки) може збільшувати напруження в рейках на 25 % [5].

Із точки зору напруженого стану залізничної колії наведена на рис. 2 розрахункова схема вантажного вагона не є наднебезпечною. Кількість несприятливих варіантів установлення вагонів у колії з урахуванням розтягувальних та стискних сил становить дев’ять [8]. У цих випадках залежність для визначення коефіцієнта запасу стійкості від витискання поздовжніми силами буде мати відмінності у виразах для визначення еквівалентного кута повороту від дії вертикальних складових поздовжньої сили та статичного тиску вагона з урахуванням зневантаження від поздовжньої сили відповідно для переднього та заднього візків. Для розрахунків напружень у рейках від дії згинального моменту максимальне еквівалентне навантаження необхідно визначати за схемами, за яких колісні пари візків будуть значно довантажені поздовжньою силою [8].

Як було зазначено вище, розвантаження коліс за наявності поперечної сили може служити причиною сходження рухомого складу з рейок. Для дослідження впливу сил інерції від нерівностей на колесі та рейках застосовано схему (рис. 20, яка рекомендована нормативним документом [3].

У роботі [8] наведена залежність для визначення коефіцієнта запасу стійкості від витискання поздовжніми силами з урахуванням сил інерції і тиску вітру на бокову поверхню кузова вагона у кривій ділянці залізничної колії:

, (25)

В основу визначення коефіцієнта запасу стійкості закладена статична розрахункова схема без урахування складного динамічного процесу взаємодії між окремими частинами рейкового екіпажу та між самим екіпажем і колійною структурою під час руху.

Уважаючи наведені вище сили інерції, що виникають під час взаємодії системи «вагон – колія», прикладеними в точці контакту колеса з рейкою, отримаємо таку залежність:

(26)

де , – сума вертикальних сил інерції додаткових до дії статичних сил, що виникають під час взаємодії системи «вагон – колія» відповідно на набігаючому та ненабігаючому колесі:

(27)

Такий підхід дозволить ураховувати різні види сил інерції від нерівностей як на колесі, так і на рейковій нитці. Вплив швидкості руху колісної пари на величину коефіцієнта тертя в контакті гребеня колеса та рейки на підставі експерименту враховано в роботі [8]:

(28)

де – швидкість руху в км/год; – коефіцієнт тертя на межі зчеплення за , який у розрахунках для залізничного рухомого складу рекомендовано брати рівним .

Результати

На рис. 3–4 наведено результати розрахунків величини коефіцієнта запасу стійкості від витискання поздовжніми силами під час руху порожнього й завантаженого піввагона моделі 12–532 по ділянці колії радіусом м із піднесенням зовнішньої рейки мм та поперечним розбігом рами кузова вагона відносно осі колії в напрямному перетині в 50 мм [3]. Вплив величини поздовжньої квазістатичної стискної сили показано без урахування сил тертя і з урахуванням тертя в контакті гребеня колеса й рейки, а також за наявності вертикальних сил інерції додаткових до дії статичних сил, що виникають під час взаємодії системи «вагон – колія», відповідно на набігаючому та ненабігаючому колесі в інтервалі швидкості руху км/год. Під час розрахунків за залежністю (25) коефіцієнти тертя взято рівними , а за залежністю (27) та .

У кривій м допустима швидкість руху становить 65 км/год, а допустиме значення коефіцієнта запасу стійкості колісної пари проти сходження з рейок у разі витискання становить [3].

Для розрахунків ураховано різницю у висоті між поздовжніми осями автозчеплень у вантажному поїзді, яку допускають не більшою за мм попереду групи порожніх вагонів, розташованих за завантаженими вагонами у складі потяга [3]. Позаду досліджуваного вагона різницю рівнів осей автозчеплень узято рівною мм. Сила тиску вітру на бокову поверхню кузова вагона та ексцентриситет закріплення хвостової частини автозчеплення в нашому дослідженні не враховано.

Параметри залізничної колії, необхідні для визначення сил за залежностями (12), (13), (15), (17), обрано відповідно до [1, 2, 4, 5] для рейок Р65, залізобетонних шпал на щебеневому баласті, пори року – літо [2]. Під час визначення коефіцієнта запасу стійкості колісної пари проти сходження з рейок у разі витискання поздовжніми силами будо враховано такі зусилля: сила інерції необресореної маси екіпажу, колесо якого має ізольовану нерівність ; інерційне зусилля, яке виникає за рахунок руху колеса по плавній нерівності рейкової нитки ; сила інерції необресореної маси екіпажу, колесо якого має безперервну нерівність . Сили , та прикладено до набігаючого й ненабігаючого коліс першої колісної пари переднього візка вагона окремо й одночасно.

Отримані значення коефіцієнта запасу стійкості від витискання для порожнього піввагона (рис. 3, а, б) демонструють втрату запасу стійкості в разі 440 кН за залежністю (25) і в середньому в разі 360 кН за залежністю (26). Наявність сил , та на набігаючому колесі (рис. 3, в, г) за залежністю (25) не вносить значних змін у значення , а за залежністю (26), навпаки, запас стійкості зберігається до поздовжньої сили у 380 кН. Урахування означених зусиль на ненабігаючому колесі (рис. 3, д, е) показує значний вплив сил , та на значення коефіцієнта стійкості від витискання. Втрата запасу стійкості за залежністю (25) відбудеться під час руху з допустимою швидкістю у 65 км/год за 280 кН, а за залежністю (26) уже за 200 кН. Випадок одночасної наявності означених додаткових сил на обох колесах набігаючої колісної пари (рис. 3, ж, з) є малоймовірним, але результати розрахунків показують збереження тенденції переважного значення зусиль на ненабігаючому колесі. Залежність (26) у цьому випадку має навіть більші значення поздовжньої сили у 240 кН.

Досліджуваний піввагон у завантаженому режимі (рис. 4) зберігає встановлений запас стійкості для вантажних вагонів у разі дії допустимої нормативною документацією квазістатичної стискної сили величиною в 1 МН під час руху з допустимою швидкістю 65 км/год у всіх розглянутих варіантах розрахунку.

а – a                                                                      бb

в – c                                                                            гd

д – e                                                                         еf

ж – g                                                                  зh

Рис. 3. Коефіцієнт запасу стійкості від витискання порожнього піввагона з урахуванням
і без урахування сил тертя в контакті гребеня колеса й рейки відповідно:
а, б – без додаткових вертикальних сил інерції; в, г – із додатковими вертикальними силами інерції на набігаючому
колесі;
д, е – із додатковими вертикальними силами інерції на ненабігаючому колесі;
ж, з – із додатковими вертикальними силами інерції на обох колесах набігаючої колісної пари одночасно

Fig. 3. Lift resistance coefficient of the empty gondola, taking into account and without taking into account the friction forces in the contact of the wheel flange and rail, respectively:
а, b – without additional vertical forces of inertia; c, d – with additional vertical forces of inertia on the climbing wheel;
e, f – with additional vertical forces of inertia on the non-climbing wheel; g, h – with additional vertical forces of inertia
on both wheels of the climbing wheel set at the same time

а – a                                                                     бb

в – c                                                                       гd

д – e                                                                             еf

ж – g                                                                         зh

Рис. 4. Коефіцієнт запасу стійкості від витискання завантаженого піввагона з урахуванням і без урахування сил тертя в контакті гребеня колеса і рейки відповідно:
а, б – без додаткових вертикальних сил інерції; в, г – із додатковими вертикальними силами інерції
на набігаючому колесі;
д, е – із додатковими вертикальними силами інерції на ненабігаючому колесі;
ж, з – із додатковими вертикальними силами інерції на обох колесах набігаючої колісної пари одночасно

Fig. 4. Lift resistance coefficient of the loaded gondola, taking into account and without taking into account the friction forces in the contact of the wheel flange and rail, respectively:
а, b – without additional vertical forces of inertia; c, d – with additional vertical forces of inertia on the climbing wheel;
e, f with additional vertical forces of inertia on the non-climbing wheel; g, h – with additional vertical forces of inertia on both wheels of the climbing wheel set at the same time

Значення напружень у рейках по осі головки та підошви від дії згинального моменту, отримані за залежностями (19), (21), (23), наведено на рис. 5.

а – a                                                                                         бb

в – c                                                                                              гd

Рис. 5. Напруження в рейках по осі головки та підошви від дії згинального моменту:
а, б – приведений знос 0 мм; в, г – приведений знос 9 мм

Fig. 5. Stress in the rails along the head axis and base from the action of the deflection moment:
а, b reduced deflection 0 mm; c, d reduced deflection 9 mm

Розрахунки напружень у рейковій нитці виконано за залежностями (22) (23) за приведених зносів 0 мм (рис. 5, а, б) та 9 мм (рис. 5, в, г). Як було зазначено вище, обрана розрахункова схема перекосу вантажного вагона в рейковій колії не є наднебезпечною з точки зору міцності, але навіть у цьому випадку отримані результати демонструють значне збільшення напружень у разі підвищення швидкості руху. Отримані величини напружень у рейках можуть бути збільшені на 25 % за наявності локального зменшення пружності підрейкової основи (просадки).

Напруження зминання у шпалах під підкладкою, визначені за залежностями (22), (24), показали, що залізобетонна шпала зберігає встановлений запас міцності у 4 МПа. Отримані значення стосуються лише шпали під набігаючим колесом першої колісної пари переднього візка, яка перебуває під дією зневантаження від вертикальної складової поздовжньої стискної сили, та вказують на необхідність визначення напружень під кожним колесом окремо.

Наукова новизна та практична
значимість

У ході проведення теоретичних досліджень удосконалено залежність коефіцієнта запасу стійкості від витискання поздовжніми силами. Отримана залежність порівнянно з дійсною набула подальшого розвитку та дозволяє визначати стійкість колісної пари з урахуванням різних видів сил інерції від нерівностей як на колесі, так і на рейковій нитці, а також величини коефіцієнта тертя в контакті колеса та рейки від швидкості руху. Крім того, наведена методика, на відміну від наявної, дозволяє враховувати силу тиску вітру на бокову поверхню кузова вагона та ексцентриситет закріплення хвостової частини автозчеплення.

Застосування методики поєднання правил розрахунку залізничної колії на міцність та визначення динамічної навантаженності рейкового екіпажу дозволить розраховувати величину конструкційної швидкості вагона на основі осьових навантажень, сил інерції від нерівностей на колесі та рейках, а також враховувати поздовжні квазістатичні сили, які виникають у поїзді за режимів гальмування.

Визначення коефіцієнта запасу стійкості від витискання з використанням наведеної методики дозволить більш ретельно розглянути та обґрунтовувати причину сходження колісних пар із рейок. Крім того, застосування означеної методики розрахунку дозволить визначати міцність залізничної колії та баластного шару з урахуванням нерівномірності навантаження рейкових ниток у разі перекосів вантажного рухомого складу під дією стискних квазістатичних поздовжніх сил.

Висновки

На підставі проведених теоретичних досліджень стійкості вантажного екіпажу можна зробити такі висновки:

значний вплив на величину коефіцієнта запасу стійкості від витискання поздовжніми силами має наявність сил , та на ненабігаючому колесі;

у завантаженому стані досліджуваний піввагон зберігає встановлений запас стійкості для вантажних вагонів у разі дії допустимої нормативною документацією квазістатичної стискної сили величиною в 1 МН під час руху з допустимою швидкістю 65 км/год у всіх розглянутих варіантах розрахунку;

отримані результати розрахунків показали необхідність подальшого дослідження напружено-деформованого стану залізничної колії та підрейкової основи за наявності нерівномірності навантаження рейкових ниток у разі перекосів вантажного рухомого складу під дією поздовжніх сил.



СПИСОК ВИКОРИСТАНИХ ДЖЕРЕЛ

  1. Даніленко Е. І. Залізнична колія : підруч. для вищ. навч. закл. : у 2 т. Київ : Інпрес, 2010. Т. 2. 456 с.

  2. Правила розрахунків залізничної колії на міцність і стійкість : ЦП-0117 : затв. наказом Укрзалізниці від 13.12.2004 р. № 960-ЦЗ Київ : ЦП УЗ, 2004. 64 с.

  3. ДСТУ 7598:2014. Вагони вантажні. Загальні вимоги до розрахунків та проектування нових і модернізованих вагонів колії 1520 мм (несамохідних). [Чинний від 2015-07-01]. Київ : УкрНДНЦ, 2017. 158 с.

  4. Курган Д. М. Визначення динамічного навантаження від колеса на рейку для швидкісних поїздів. Наука та прогрес транспорту. 2015. № 3 (57). С. 118–128. DOI: 10.15802/stp2015/46069

  5. Курган Д. М. Методологія розрахунків залізничної колії при взаємодії з швидкісним рухомим складом : автореф. дис. ... д-ра техн. наук: 05.22.06, 27. Дніпро, 2017. 35 с.

  6. Петренко В. Д., Тютькін О. Л., Крисан В. І. Відновлення міцносних та деформативних характеристик земляного полотна та його основи армуванням ґрунтоцементними елементами. Мости та тунелі: теорія, дослідження, практика. 2019. Вип. 16. С. 65–74. DOI: 10.15802/bttrp2019/189681

  7. Швець А. О. Динаміка піввагонів від дії поздовжніх сил. Наука та прогрес транспорту. 2019. № 6 (84). С. 142–155. DOI: 10.15802/stp2019/195821

  8. Швець А. О. Стійкість вантажних вагонів при дії стискаючих поздовжніх сил. Наука та прогрес транспорту. 2020. № 1 (85). С. 119137. DOI: 10.15802/stp2020/199485

  9. Radkevych A. V., Petrenko V. D., Tiutkin O. L., Andrieiev V. S., Mukhina N. A. Comparative analysis of the parameters of the strength of the subgrade at the transition to the higher axial loading up to 25 t. IOP Conf. Series: Materials Science and Engineering. 2019. Vol. 708. Р. 1–8. DOI: 10.1088/1757-899X/708/1/012024

  10. Kurhan D. Determination of Load for Quasi-static Calculations of Railway Track Stress-strain State. Acta Technica Jaurinensis. 2016. Vol. 9. Іss. 1. Р. 83–96. DOI: 10.14513/actatechjaur.v9.n1.40

А. А. Швец1*

1*Каф «Теоретическая и строительная механика», Днипровский национальный университет железнодорожного BR>транспорта имени академика В. Лазаряна, ул. Лазаряна, 2, Днипро, Украина, 49010, тел. +38 (050) 214 14 19, эл. почта angela_Shvets@ua.fm, ORCID 0000-0002-8469-3902

Определение устойчивости грузовых вагонов

с учетом параметров железнодорожного пути

Цель. Для перспективного повышения скоростей в работе запланировано рассмотреть сложные условия динамического взаимодействия железнодорожного пути с подвижным составом. Характер и уровень этого взаимодействия зависят как от конструкции единицы подвижного состава, ее состояния и скорости движения, так и от конструкции и состояния самой колеи. Методика. Оценку возможного воздействия на путь подвижного состава исследовано аналитическим методом. Напряженное состояние колеи определено расчетным способом с применением зависимостей между силовыми факторами и характеристиками напряженно-деформированного состояния пути. При определении статического давления колеса на рельс рассмотрено влияние перекосов подвижного состава в рельсовой колее по схеме «елочка», при которой дополнительное боковое влияние колесных пар тележек на путевую структуру является максимальным. Результаты. В ходе проведения теоретических исследований получены зависимости коэффициента запаса устойчивости от выжимания продольными силами с учетом различных видов сил инерции от неровностей как на колесе, так и на рельсовой нити. Также получены величины коэффициента трения в контакте колеса и рельса от скорости движения. Научная новизна. Впервые объединены правила расчета железнодорожного пути на прочность и определения динамической нагруженности рельсового экипажа. Приведенное усовершенствование дает возможность рассчитывать величину конструкционной скорости вагона на основе осевых нагрузок, сил инерции от неровностей на колесе и рельсах, а также учитывать продольные квазистатические силы, возникающие в поезде при режимах торможения. Практическая значимость. Определение коэффициента запаса устойчивости от выжимания с использованием приведенной методики позволит более тщательно рассмотреть и обосновать причину схода колесных пар с рельсов. Применение указанной методики расчета будет способствовать определению прочности железнодорожного пути и балластного слоя с учетом неравномерности нагрузки рельсовых нитей в случае перекосов грузового подвижного состава под действием сжимающих квазистатических продольных сил.

Ключевые слова: безопасность движения; коэффициент запаса устойчивости от выжимания; продольные силы; расчет пути на прочность; скорость движения

A. O. shvets1*

1*Dep. «Theoretical and Structural Mechanics», Dnipro National University of Railway Transport named after Academician V. Lazaryan, Lazaryana St., 2, Dnipro, Ukraine, 49010, tel. +38 (050) 214 14 19, e-mail angela_Shvets@ua.fm, ORCID 0000-0002-8469-390

Determination of the stability of freight

cars taking into account the railway

track parameters

Purpose. For prospective speed increase in the work is aimed to consider the complex conditions of the dynamic interaction of the railway track with rolling stock. The nature and level of this interaction depends both on the design of the unit of rolling stock, its state and speed, and on the design and condition of the track itself. Methodology. Evaluation of the possible rolling stock impact on the track was investigated by the analytical method. The track stress state was determined by calculation using dependencies between force factors and the characteristics of the stress-strain state of the track. When determining the static pressure of the wheel on the rail, the influence of rolling stock skews in the rail track according to the “herringbone” scheme is considered, in which the additional lateral effect of the wheel pairs of the bogies on the track structure is maximal. Findings. When conducting theoretical studies, the dependencies of the lift resistance coefficient by longitudinal forces were obtained taking into account various types of inertia forces on irregularities both on the wheel and on the rail thread. The values of the friction coefficient in the wheel-rail contact on the movement speed were also obtained. Originality. For the first time, the rules for calculating the railway track for strength and determining the dynamic loading of the rail carriage are combined. This improvement will make it possible to calculate the structural speed of the car based on the axial loads, inertia forces due to the wheel and rails` irregularities, and also take into account the longitudinal quasistatic forces arising in the train during braking modes. Practical value. Determination of the car lift resistance coefficient using the above methodology will allow a more thorough consideration and justification of the cause of wheelset derailment. The application of this calculation method will allow us to determine the strength of the railway track and the ballast layer, taking into account the uneven load of rail threads in the case of distortions of the freight rolling stock under the action of compressive quasistatic longitudinal forces.

Keywords: traffic safety; lift resistance coefficient; longitudinal forces; track strength calculation; movement speed

REFERENCES

  1. Danilenko, E. I. (2010). Zaliznychna koliia. (Vol. 2). Kyiv: Inpres. (in Ukrainian)

  2. Pravyla rozrakhunkiv zaliznychnoi kolii na mitsnist i stiikist: TsP-0117: zatv. nakazom Ukrzaliznytsi vid 13.12.2004 r. №960-TsZ. (2004). Kyiv: TsP UZ. (in Ukrainain)

  3. Vahony vantazhni. Zahalni vymohy do rozrakhunkiv ta proektuvannia novykh i modernizovanykh vahoniv kolii 1520 mm (nesamokhidnykh), 158 DSTU 7598:2014 (2017). (in Ukrainian)

  4. Kurhan, D. M. (2015). Determination of Dynamic Loads from the Wheel on the Rail for High-Speed Trains. Science and Transport Progress, 3(57), 118-128. DOI: 10.15802/stp2015/46069 (in Ukrainian)

  5. Kurhan, D. M. (2017). Methodology for Calculating the Railway Track at Interaction with Fast-speed Rolling Stock. (Avtoreferat dysertatsii doktora tekhnichnykh nauk). Dnipro. (in Ukrainian)

  6. Petrenko, V. D., Tiutkin, O. L., & Krysan, V. I. (2019). Restoring the Strength and Deformation Characteristics of the Subgrade and its Foundation by Reinforcing With Soil-Cement Elements. Bridges and tunnels: Theory, Research, Practice, 16, 65-74. DOI: 10.15802/bttrp2019/189681(in Ukrainian)

  7. Shvets, A. O. (2019). Gondola cars dynamics from the action of longitudinal forces. Science and Transport Progress, 6(84), 142-155. DOI: 10.15802/stp2019/195821 (in Ukrainian)

  8. Shvets, A. O. (2020). Stability of freight wagons under the action of compressing longitudinal forces. Science and Transport Progress, 1(85), 119-137. DOI: 10.15802/stp2020/199485 (in Ukrainian)

  9. Radkevych, A. V., Petrenko, V. D., Tiutkin, O. L., Andrieiev, V. S., & Mukhina, N. A. (2019). Comparative analysis of the parameters of the strength of the subgrade at the transition to the higher axial loading up to 25 t. IOP Conference Series: Materials Science and Engineering, 708, 1-8.DOI: 10.1088/1757-899X/708/1/012024 (in English)

  10. Kurhan, D. (2016). Determination of Load for Quasi-static Calculations of Railway Track Stress-strain State. Acta Technica Jaurinensis, 9(1), 83-96. DOI: 10.14513/actatechjaur.v9.n1.400 (in English)


Надійшла до редколегії: 27.11.2019

Прийнята до друку: 31.03.2020

CПрямая соединительная линия 18reative Commons Attribution 4.0 International

doi: 10.15802/stp2020/203421
© А
. О. Швець, 2020