УДК 629.4.067:656.259.9

к. і. ящук1*, С. С. Петровський2*

1*Каф. «Автоматика й телекомунікації», Дніпровський національний університет залізничного транспорту імені академіка В. Лазаряна, вул. Лазаряна, 2, Дніпро, Україна, 49010, тел. +38 (056) 373 15 04, ел. пошта k.i.yaschuk@gmail.com, ORCID 0000-0002-8606-5790

2*Каф. «Автоматика й телекомунікації», Дніпровський національний університет залізничного транспорту імені академіка В. Лазаряна, вул. Лазаряна, 2, Дніпро, Україна, 49010, тел. +38 (056) 373 15 04, ел. пошта sserghp@gmail.com, ORCID 0000-0001-6539-2250

Вдосконалення схеми мікропроцесорного

комплексу технічних засобів КТСМ

Мета. Під час обслуговування апаратури виявлення перегрітих букс постала проблема витрат часу на заміри вручну температури колійних камер, що в епоху використання електронних програмових пристроїв є недоцільним. У цій статті автори мають за мету вдосконалити схему контролю обігріву колійних камер комплексу технічних засобів КТСМ, а саме субблока мікропроцесорного терморегулятора ТРМ, що призначений для підтримання стабільної температури всередині колійних камер. Методика. В основу досліджень покладено статистичні дані, отримані в результаті експлуатації апаратури виявлення перегрітих букс. У статті застосовано методи схемотехнічного моделювання для отримання мікроелектронної схеми. Результати. У роботі розглянуто проблему обслуговування апаратури виявлення перегрітих букс вручну. Визначено потребу в автоматизації процесів заміру, обробки та передачі даних про температуру колійної камери. Розроблено електронну схему на базі мікроконтролера, яка дозволяє швидко реагувати на можливі температурні зміни поза встановленими межами. Виконані розрахунки показують, що запропонована схема значно скорочує час обслуговування апаратури та виключає людський фактор, що може впливати на достовірність вимірів температури. Наукова новизна. У роботі вперше запропоновано вдосконалену схему контролю обігріву колійних камер на базі мікроконтролера, яка дозволяє автоматично налаштовувати й підтримувати температуру в колійній камері від 21 до 40 °С, подавати сигнал «несправність» у вападку відмови терморезистора та коливання температури поза наведеними межами. Практична значимість. Застосування схеми контролю обігріву дозволяє автоматизувати вимірювання температури всередині колійної камери. Це значно скорочує час обслуговування апаратури виявлення перегрітих букс, адже повністю виключає як здійснення перевірки температури ртутним термометром вручну в перерві між рухом поїздів, так і необхідність ручного кориктування температури в разі виявлення її невідповідності нормам.

Ключові слова: автоматика; перегріта букса; обігрів; колійна камера


Вступ

Буксовий вузол є складовою ходової частини рухомого складу і призначений для передачі радіальних та осьових навантажень від корпуса вагона на колеса. У процесі експлуатації відбувається нагрівання підшипників, що викликає температурні деформації, унаслідок чого роликовий буксовий вузол може навіть зруйнуватися [10]. Тому одним із показників технічного стану підшипників є температура буксового вузла. Також важливу роль відіграє температура повітря, залежно від якої здійснюється корекція температурного налаштування приймачів інфрачервоного випромінювання. Проблема нагрівання букс є досить актуальною, адже за статистикою кожен третій вагон робочого парку цієї причини щорічно потрапляє в ремонт. Несвоєчасне виявлення несправних букс є загрозою виникнення відмов, що можуть спричинити аварії та зупинки, які не передбачені графіком руху поїздів.

Для виявлення перегрітих букс на мережах залізниць країн СНД широкого застосування набув пристрій виявлення аварійно нагрітих букс ПОНАБ–3 та дистанційна інфосистема контролю букс ДИСК–Б [8]. ПОНАБ–3 використовують із 80-х років, ця система була розроблена для контролю стану букс на одноколійних та двоколійних ділянках. Вона включає колійне, станційне та постове обладнання. Принцип її роботи полягає у прийнятті сигналу, який надходить від букси вагона у вигляді інфрачервоного випромінювання, його обробці та передачі на станцію [1]. До особливостей цієї системи можна віднести: роботу апаратури в режимі очікування за відсутності рухомого складу; забезпечення підвищеної завадостійкості шляхом використання амплітудно-модульованого сигналу та апаратури контролю, яка передає інформацію про нагрів букси лише в момент її виявлення; можливість реєстрації даних про загальну кількість вагонів у поїзді та кількість перегрітих букс у цьому рухомому складі; наявність обігрівачів колійних камер та відбійників (засобів захисту від механічних пошкоджень). Але в сучасних умовах стрімкого зростання швидкостей та збільшення обсягів перевезень система ПОНАБ–3 є застарілою, унаслідок чого за швидкостей вище 150 км/год спостерігається некоректна робота апаратури. Також суттєвим її недоліком є великі габарити постового обладнання. Тому на зміну понаб–3 було впроваджено систему ДИСК–Б, принцип роботи якої полягає у фіксації теплового випромінювання, що надходить від буксового вузла під час руху поїзда. У подальшому це випромінювання перетворюється в електричні сигнали, які підсилюються і нормуються за тривалістю. Також ДИСК-Б передає на станцію інформацію про проходження осей та вагонів і відповідно до певних критеріїв виділяє сигнали саме від перегрітих букс із фіксацією їх місцезнаходження. Безперечною перевагою апаратури є її реалізація на базі цифрових інтегральних мікросхем.

Обидві системи, як ПОНАБ–3, так і ДИСК–Б, є досить застарілими, тому з метою модернізації апаратури в експлуатацію була введена мікропроцесорна система контролю технічного стану рухомого складу КТСМ, технічні засоби якої впроваджені на зміну електронних блоків, що знаходяться у перегінній стійці. При цьому перегінний силовий відсік стійки та колійне обладнання залишилися без змін. Лише конструкція колійної камери та її кріплення до рейки в системі КТСМ дещо відрізняються від ПОНАБ–3 та ДИСК–Б. Змінений спосіб кріплення є характерною особливістю апаратури КТСМ, у результаті таких змін значно скорочується відстань від букси як джерела інфрачервоного випромінювання до камери як приймача, що посприяло підвищенню чутливості та завадостійкості апаратури [14]. Фіксація наявності перегрітої букси здійснюється оцінюванням теплового рівня від букси порівняно з тепловим рівнем від боковини візка [2]. Також для підвищення достовірності інформації застосовують додаткову ознаку – співвідношення інфрачервоного випромінювання корпуса букси і рівнів інших букс для кожної сторони вагона.

Крім того, КТСМ дає можливість здійснення безперервного контролю й діагностики стану вузлів апаратури на перегонах. Система виявляє дефекти буксових вузлів на ранній стадії їх розвитку [12], що забезпечується завдяки новим методам обробки, які застосовано у системі. Також у КТСМ застосовується більш завадостійкий спосіб передачі інформації (частотна маніпуляція). Апаратура системи забезпечує сповіщення машиніста поїзда по радіозв’язку про наявність перегрітих букс у конкретних вагонах та підключення додаткових пристроїв сигналізації.

Згідно зі статистикою, правильність отриманої від КТСМ інформації про наявність перегрітих букс складає понад 90 %, що було перевірено в експлуатаційних умовах шляхом відчеплення від рухомого складу конкретних вагонів і перевірки їх передаварійних станів. Це досить вагомий показник, адже випадки гарячого зламу шийки осі колісної пари можуть призвести до вкрай негативних наслідків. Як зазначалося вище, старе колійне обладнання було збережено, але незважаючи на це кількість відмов на одиницю обладнання знижено майже у два рази, а час простою в несправному стані – у 5–7 разів. У результаті впровадження системи КТСМ витрати на обслуговування апаратури скоротилися у 1,5–2 рази. Та попри велику кількість переваг апаратура має ряд недоліків, серед яких можна виділити необхідність проводити заміри температури колійних камер з використанням ртутного термометра, які здійснюють вручну. На сьогоднішні такі методи експлуатації колійного обладнання є застарілими, і їх необхідно усунути шляхом автоматизації процесу із застосуванням сучасної мікроелектронної бази.

Мета

Основною метою статті є вдосконалення схеми контролю обігріву колійних камер комплексу технічних засобів КТСМ, а саме субблока мікропроцесорного терморегулятора ТРМ, що призначений для підтримання стабільної температури всередині колійних камер.

Методика

В основу досліджень покладено статистичні дані, отримані в результаті експлуатації апаратури виявлення перегрітих букс. У статті застосовано методи схемотехнічного моделювання для отримання мікроелектронної схеми.

Результати

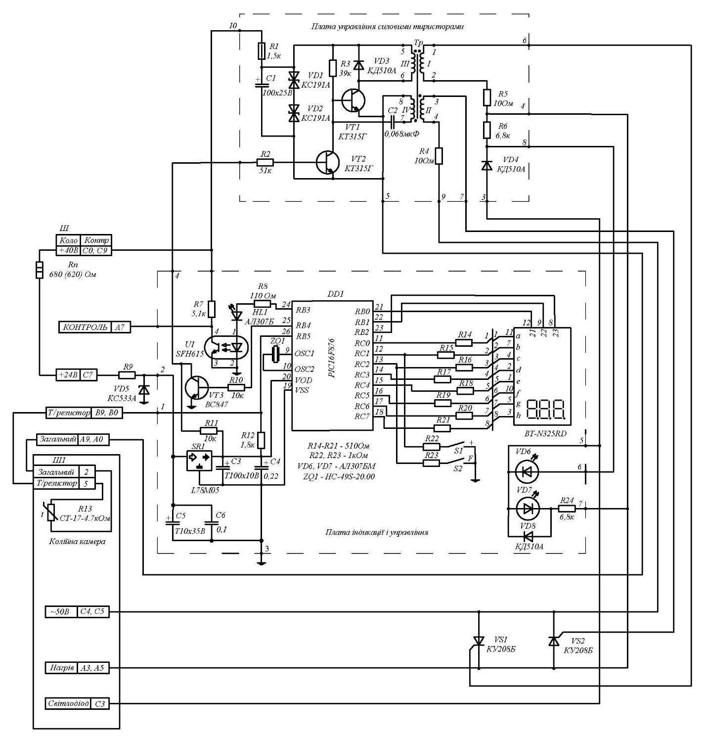
Для підтримки стабільної температури всередині колійних камер застосовують субблоки мікропроцесорного терморегулятора ТРМ (рис. 1), що знаходяться всередині силової стійки. До складу субблока входить генератор, реалізований на транзисторі VT3 і трансформаторі Тр, кола управління генератором на базі транзисторів VT1, VT2, силові кола на тиристорах VS1, VS2 та сигнальні кола на світлодіоді VD6.

Схема працює наступним чином. У разі падіння температури всередині камери нижче норми опір терморезистора R3 в колійній камері, ввімкненого між контактом В9 з’єднувача Ш субблока і загальним проводом, збільшується. У результаті цього збільшується падіння напруги на дільнику «змінний резистор R2 – терморезистор R3» в колійній камері, яке подається на базу транзистора VT1, останній переходить у режим відсічки. У такому ж режимі працюватиме і транзистор VT2, база якого підключається до колектора VT1 [5, 7]. Далі спрацьовує генератор, і залежно від полярності імпульсів на вторинній обмотці Тр поперемінно відкриватимуться тиристори VS1 та VS2, унаслідок чого замикається коло живлення нагрівачів колійної камери від джерела змінної напруги частотою 50 Гц.

Якщо температура всередині камери досягне значення норми, у результаті роботи обігрівачів транзистори VT1 і VT2 відкриватимуться, при цьому VT3 і, відповідно, вихідні тиристори VS1 та VS2 закриються.

Виходячи з вищесказаного, момент увімкнення та вимкнення обігріву визначається відкриттям або закриттям транзисторів VT1 і VT2. Режим роботи останніх визначається дільником «змінний резистор R2 – терморезистор R3» колійної камери і регулюється, у свою чергу, величиною змінного резистора R2. У субблоці світлодіод VD6 є індикатором відкритого стану тиристорів, а отже, і ввімкненого обігріву колійних камер. Резистор R10 обмежує струм через VD6, а діод VD5 обмежує зворотну напругу світлодіода

..

Рис.1. Принципова схема терморегулятора ТРМ

Figure 1. Schematic diagram of the microprocessor thermostat


Унаслідок тривалої експлуатації силових стійок ДИСК–Б і субблоків ТРМ між повзунком змінного резистора і резистивним шаром втрачається контакт, що в результаті роботи схеми призводить до зміни температури в колійній камері. Оскільки в попереднього підсилювача приймальної капсули колійної камери відсутня корекція коефіцієнта підсилення під час зміни температури [4], то можливі виявлення помилкових нагрівів або навіть пропуск аварійно нагрітих букс. Під час обслуговування апаратури ДИСК–Б і КТСМ–01д потрібно здійснювати систематичну перевірку роботи обігріву колійних камер, вимірювати температуру в камері і в разі її невідповідності потрібним рівням здійснювати підлаштування. Наразі існує проблема обслуговування апаратури виявлення перегрітих букс, адже технологією вимірювань температури передбачена ручна перевірка, тобто у перерві між поїздами потрібно вставити ртутний термометр у колійну камеру, тримати його 10–15 хв, а потім зняти його показання. У разі невідповідності температури нормам потрібно здійснити регулювання [9]. За наявності 4 колійних камер вимірювання температури тривають 40 хв і більше. На сьогоднішні існує потреба в автоматизації процесів заміру, обробки та передачі даних про температуру колійної камери.

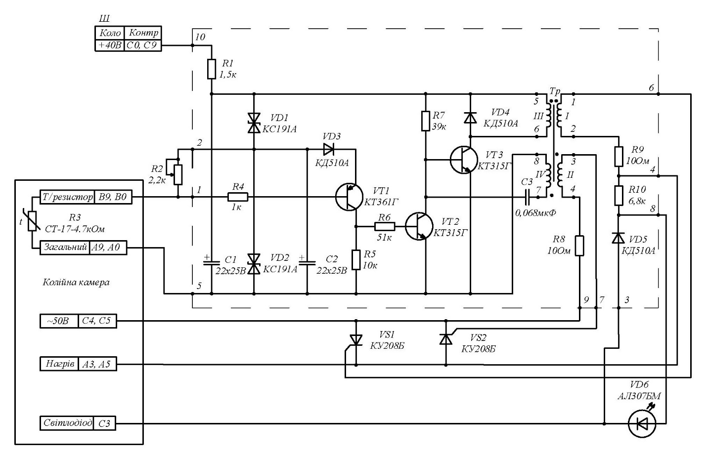
Рис. 2. Принципова схема контролю обігріву колійних камер

Fig. 2. Schematic diagram of heating control of track chamber

sТому було розроблено принципову електричну схему контролю обігріву колійних камер мікропроцесорного комплексу технічних засобів КТСМ (рис. 2) на базі мікроконтролера [11], яка дозволяє швидко реагувати на можливі температурні зміни поза встановленими межами. Алгоритм роботи мікроконтролера наведено на рис. 3. На платі індикації та управління знаходяться мікроконтролер DD1 типу PIC16F876, кнопки налаштування S1 і S2, світлодіодний тризначний індикатор типу BT–N325RD, стабілізатор живлення мікроконтролера SR1, транзистор VT3 для управління схемою ввімкнення силових тиристорів, світлодіод індикації несправності ТРМ HL1 з оптопарою U1 для виведення інформації про несправність на автоматизоване робоче місце лінійного поста контролю (АРМ ЛПК) через контакт КОНТРОЛЬ і світлодіоди VD6, VD7, які призначені для контролю відкритого та закритого стану тиристорів VS1, VS2. Плата управління силовими тиристорами є частиною діючої схеми ТРМ.

Рис. 3. Алгоритм роботи мікроконтролера

Fig. 3. The functionality algorithm of the microcontroller

Для забезпечення роботи двох типів ТРМ у колійній камері терморезистор обирають типу СТ1–17–4,7кОм. Нова розроблена ТРМ забезпечує налаштування й підтримання температури в колійній камері в межах від 21 до 40 °С. Значення температури висвічується на індикаторі. Налаштування гістерезису відбувається між вмиканням і вимиканням нагріву в межах 5 °С із кроком у 0,1 °С. За досягнення температури в колійній камері нижче 21 °С і вище 40 °С або, наприклад, за відмови терморезистора внаслідок обриву чи за наявності інших несправностей відбувається передача інформації у вигляді сигналу «несправність» АРМ ЛПК. Запропонована схема значно скорочує час обслуговування апаратури та виключає людський фактор, що може впливати на достовірність вимірів температури.

Наукова новизна та практична значимість

У статті на основі емпіричного досвіду обслуговування апаратури ДИСК–Б, зокрема її модернізованої системи КТСМ–01Д було запропоновано вдосконалити схему субблока мікропроцесорного терморегулятора ТРМ через трудомісткі незручні заміри температури. Авторами вперше запропонували вдосконалену схему контролю обігріву колійних камер на базі мікроконтролера, яка дозволяє автоматично налаштовувати й підтримувати температуру в колійній камері від 21 до 40 °С, подавати сигнал «несправність» у випадку відмови терморезистора та коливання температури поза наведеними межами.

Практична значимість результатів роботи полягає в застосуванні схеми контролю обігріву для здійснення автоматичного вимірювання та регулювання температури всередині колійної камери [13]. Це значно скорочує час обслуговування апаратури виявлення перегрітих букс, адже повністю виключає як здійснення перевірки температури ртутним термометром вручну в перерві між рухом поїздів, так і необхідність ручного кориктування температури в разі виявлення її невідповідності нормам.

Висновки

У статті проведено аналіз роботи наявних систем контролю перегрітих букс, а саме ПОНАБ–3 та ДИСК–Б, а також їх модернізованої апаратури КТСМ. Наведено переваги та недоліки [6]. Визначено потребу в автоматизації процесів заміру, обробки та передачі даних про температуру колійної камери. Також доведено необхідність вдосконалення наявної схеми мікропроцесорного терморегулятора ТРМ. Здійснено опис його роботи та проаналізовано недоліки на основі досвіду проведення вимірювань температури колійної камери в перервах між рухом поїздів. Доведено необхідність вдосконалення схеми вимірювання температури, яку наразі використовують на залізниці. Наявна схема була модернізована мікропроцесором та рядом допоміжних електронних елементів, що забезпечують автоматичні заміри та передачу інформації про рівні температур у колійній камері. Розроблена електронна схема дозволяє швидко реагувати на можливі температурні зміни поза встановленими межами, вона значно скорочує час обслуговування апаратури, а також виключає можливість впливу на достовірність вимірів температури людського фактора.


Список використаних джерел

  1. Автоматизированный контроль подвижного состава на ходу поезда : учебное пособие / В. С. Марюхненко, Ю. Ф. Мухопад, Б. М. Миронов, В. А. Алексеенко. – Иркутск : ИрГУПС, 2016. – 176 с.

  2. Иванова, В. Ю. Системы бесконтактного обнаружения нагретых букс вагонов / В. Ю. Иванова. // Актуальные направления научных исследований: перспективы развития : материалы Междунар. науч. – практ. конф. (Чебоксары, 23 апр. 2017 г.). – Чебоксары : ЦНС «Интерактив плюс», 2017. – С. 261–263.

  3. Колонтаєвський, Ю. П. Електроніка і мікросхемо техніка : підручник. 2-е вид / Ю. П. Колонтаєвський, А. Г. Сосков. – Київ : Каравела, 2009. – 416 с.

  4. Комплекс технических средств для модернизации аппаратуры ПОНАБ-3 и ДИСК-Б "КТСМ-01Д" [Электронный ресурс] : эксплуатационная документация : альбом 1–4. – [Б. м.], 2001. – Режим доступа: https://studfile.net/preview/8166000/page:2/ – Назва з екрана. – Перевірено : 22.11.2019.

  5. Матвійків, М. Д. Елементи та компоненти електронних пристроїв : підручник / М. Д. Матвійків, Б. С. Вус, О. М. Матвійків ; Нац. ун-т "Львів. поолітехніка". – Львів : Вид-во Львів. політехніки, 2015. – 494 с.

  6. Система теплового контролю буксових вузлів рухомого складу / І. Е. Мартинов, О. В. Нейчев, О. О. Сосунов, В. М. Петухов, А. В. Труфанова // Інформаційно-керуючі системи на залізничному транспорті. – 2018. – № 5. – С. 32–38.

  7. Сосков, А. Г. Промислова електроніка : підручник / А. Г. Сосков, Ю. П. Колонтаєвський. – Київ : Каравела, 2017. – 536 с.

  8. Указания о порядке замены, проверки и ремонта в КИПе устройств системы ДИСК-БКВ-Ц: Утв. Гл. упр. сигнализации, связи и вычисл. техники М-ва путей сообщ. СССР 29.06.90. – Москва : Транспорт, 1991. – 48 с

  9. Черепов, О. В. Информационные технологии и системы комплексного контроля технического состояния вагонов. Часть 2. Системы комплексного контроля технического состояния вагонов : учебное пособие / О. В. Черепов, М. А. Козарезова. – Екатеринбург : УрГУПС, 2017. – 107 с.

  10. An Analysis of the Efficacy of Wayside Hot-Box Detector Data / C. Tarawneh, V. V. Hernandez, J. A. Aranda, C. J. Ramirez. // Joint Rail Conference. – 2018. – P. 1–8. doi: 10.1115/JRC2018-6218

  11. Detection of thermal bridges from thermographic images by means of image processing approximation algorithms / F. Asdrubali, G. Baldinelli, F. Bianchi, D. Costarelli, A. Rotili, M. Seracini, G. Vinti // Applied Mathematics and Computation. – 2018. – Vol. 317. – P. 160–171. doi: 10.1016/j.amc.2017.08.058

  12. He, D. Defect detection of hot rolled steels with a new object detection framework called classification priority network / D. He, K. Xu, P. Zhou. // Computers & Industrial Engineering. – 2019. – Vol. 128. – P. 290–297. doi: 10.1016/j.cie.2018.12.043

  13. Hot box detection system design for railway vehicle safety / G. Garip, I. Ustoglu, T. V. Mumcu, O. T.  Kaymakci // 5th International Conference on Design and Product Development. – 2014. – С. 31–36.

  14. Toullier, T. Study of complementary multi-sensors data influence on infrared thermography measurements for in-situ long-term monitoring / T. Toullier, J. Dumoulin, L. Mevel. // Multimodal Sensing and Artificial Intelligence: Technologies and Applications. – 2019. – P. 1–10. doi: 10.1117/12.2526229

Е. И. ЯЩУК1*, C. C. ПЕТРОВСКИЙ2*

1*Каф. «Автоматика и телекоммуникации», Днипровский национальный университет железнодорожного транспорта имени академика В. Лазаряна, ул. Лазаряна, 2, Днипро, Украина, 49010, тел. +38 (056) 373 15 04, эл. почта k.i.yaschuk@gmail.com, ORCID 0000-0002-8606-5790

2*Каф. «Автоматика и телекоммуникации», Днипровский национальный университет железнодорожного транспорта имени академика В. Лазаряна, ул. Лазаряна, 2, Днипро, Украина, 49010, тел. +38 (056) 373 15 04, эл. почта sserghp@gmail.com, ORCID 0000-0001-6539-2250

УСОВЕРШЕНСТВОВАНИЕ СХЕМЫ МИКРОПРОЦЕССОРНОГО

КОМПЛЕКСА ТЕХНИЧЕСКИХ СРЕДСТВ КТСМ

Цель. При обслуживании аппаратуры обнаружения перегретых букс возникла проблема затрат времени на замеры вручную температур путевых камер, что в эпоху использования электронных программированных устройств является нецелесообразным. Целью данной статьи является усовершенствование схемы контроля обогрева путевых камер комплекса технических средств КТСМ, а именно субблока микропроцессорного терморегулятора ТРМ, который предназначен для поддержания стабильной температуры внутри путевых камер. Методика. В основу исследований положены статистические данные, полученные в результате эксплуатации аппаратуры обнаружения перегретых букс. В статье применены методы схемотехнического моделирования для получения микроэлектронной схемы. Результаты. В работе рассмотрена проблема обслуживания аппаратуры обнаружения перегретых букс вручную. Определена потребность в автоматизации процессов измерения, обработке и передаче данных о температуре путевой камеры. Разработана электронная схема на базе микроконтроллера, которая позволяет быстро реагировать на возможные температурные изменения вне установленных пределов. Выполненные расчеты показывают, что предложенная схема значительно сокращает время обслуживания аппаратуры и исключает человеческий фактор, который может повлиять на достоверность показаний при измерении температуры. Научная новизна. В работе впервые предложена усовершенствованная схема контроля обогрева путевых камер на базе микроконтроллера, которая позволяет автоматически настраивать и поддерживать температуру в путевой камере от 21°С до 40 С, подавать сигнал «неисправность» при отказе терморезистора и колебаниях температуры вне установленных пределов. Практическая значимость. Применение схемы контроля обогрева позволяет автоматизировать измерения температуры внутри путевой камеры. Это существенно сокращает время обслуживания аппаратуры обнаружения перегретых букс, поскольку полностью исключает как осуществление проверки температуры ртутным термометром вручную в перерыве между движением поездов, так и необходимость ручной корректировки температуры в случае обнаружения ее несоответствия нормам.

Ключевые слова: автоматика; перегретая букса; обогрев; путевая камера

K. I. YASHCHUK1*, S. S. Petrovsky2*

1*Dep. «Automation and Telecommunications», Dnipro National University of Railway Transport named after Academician V. Lazaryan, LazaryanaSt., 2, Dnipro, Ukraine, 49010, tel. +38 (056) 373 15 04, e-mail k.i.yaschuk@gmail.com, ORCID 0000-0002-8606-5790

2*Dep. «Automation and Telecommunications», Dnipro National University of Railway Transport named after Academician V. Lazaryan, Lazaryana St., 2, Dnipro, Ukraine, 49010, tel. + 38 (056) 373 15 04, e-mail sserghp@gmail.com, ORCID 0000-0001-6539-2250

IMPROVEMENT OF MICROPROCESSOR COMPLEX

SCHEME USING MICROPROCESSOR

HARDWARE
COMPLEX

Purpose. During the maintenance of equipment for overheated axleboxes detecting, the problem of the time consumption for manual measurement of the trackside chambers temperature appeared. This is impractical in the era of using electronic programmable devices. The purpose of this article is to improve the heating control scheme for trackside chambers of the microprocessor hardware complex, namely the subunit of the microprocessor thermostat, which is designed to maintain a stable temperature inside the trackside chambers. Methodology. The studies are based on statistical data obtained as a result of the operation of overheated axleboxes detection equipment. In the article the methods of circuit simulation to obtain a microelectronic scheme have been applied. Findings. The work has considered the problem of manual servicing overheated axlebox detection equipment. The necessity of automation measurement procedure, processing and transmission of data on the temperature of the trackside chamber has been determined. An electronic scheme based on a microcontroller has been developed, which allows you to react in case of appearance of possible temperature changes outside the specified limits. The performed calculations show that the proposed scheme significantly reduces the time for servicing the equipment and eliminates the human factor, which can influence the reliability of the readings during the temperature measuring. Originality. For the first time, an improved scheme for controlling the heating of trackside chambers based on a microcontroller has been proposed, which allows automatical adjusting and maintains the temperature in the trackside chamber from 21°C to 40°C, and gives the alarm signal when the thermistor fails and temperature fluctuates outside the set limits. Practical value. The heating control scheme applying allows automation of temperature measurements inside the trackside chamber. This significantly reduces the maintenance time for overheated axlebox detection equipment, since it completely eliminates both the necessity for manual check of the temperature with a mercury thermometer between trains traffic and the necessity for manual adjusting the temperature in case of its discrepancy to the standards.

Keywords: automation; overheated axlebox; heating; trackside chambers

References

  1. Maryuhnenko, V. S., Muhopad, Yu. F., Mironov, B. M., & Alekseenko, V. A. (2016). Avtomatizirovannyy kontrol podvizhnogo sostava na khodu poezda : uchebnoe posobie. Irkutsk: IrGUPS. (in Russian)

  2. Ivanova, V. Yu. (2017). Sistemy beskontaktnogo obnaruzheniya nagretyh buks vagonov. Aktualnye napravleniya nauchnyh issledovanij: perspektivy razvitiya, 261-263. (in Russian)

  3. Kolontayevskij, Yu. P. & Soskov, A. G. (2009). Elektronika i mikroshemotehnika: pidruchnik. Kiev: Karavela. (in Ukrainian)

  4. Kompleks tekhnicheskikh sredstv dlya modernizatsii apparatury PONAB-3 i DISK-B "KTSM-01D". (2001). Ekspluatatsionnaya dokumentatsiya : albom 1–4. Retrieved from https://studfile.net/preview/8166000/page:2/

  5. Matviikiv, M. D., Vus, B. S., Matviikiv, O. M. (2015). Elementy ta komponenty elektronnykh prystroiv: pidruchnyk. Lviv: Lvivska politekhnika. (in Ukrainian)

  6. Martynov, I. E., Nejchev, O. V., Sosunov, A.A., Petukhov, V. M., & Trufanova, A. V. (2018). Thermal checking hot box system knots of rolling stock. Informacijno-keruyuchi sistemi na zaliznichnomu transporti, 5, 32-38.

  7. Soskov, A. G., & Kolontayevskij, Yu. P. (2017). Promislova elektronika: pidruchnik. Kiev: Karavela.

  8. Ukazaniya o poryadke zameny, proverki i remonta v KIPe ustroystv sistemy DISK-BKV-Ts: Utv. Gl. upr. signalizatsii, svyazi i vychisl. tekhniki M-va putey soobshch. SSSR 29.06.90. Moskva: Transport. (in Russian)

  9. Cherepov, O. V., Kozarezova, M. A. (2017). Informatsionnye tekhnologii i sistemy kompleksnogo kontrolya tekhnicheskogo sostoyaniya vagonov. Chast 2. Sistemy kompleksnogo kontrolya tekhnicheskogo sostoyaniya vagonov: uchebnoe posobie. Ekaterinburg: UrGUPS.

  10. Tarawneh, C., Aranda, J. A., Hernandez, V. V., & Ramirez, C. J. (2018). An Analysis of the Efficacy of Wayside Hot-Box Detector Data. Joint Rail Conference. doi:10.1115/jrc2018-6218

  11. Asdrubali, F., Baldinelli, G., Bianchi, F., Costarelli, D., Rotili, A., Seracini, M., Vinti, G. (2018). Detection of thermal bridges from thermographic images by means of image processing approximation algorithms. Applied Mathematics and Computation, 317, 160-171. doi: 10.1016/j.amc.2017.08.058

  12. He, D., Xu, K., & Zhou, P. (2019). Defect detection of hot rolled steels with a new object detection framework called classification priority network. Computers & Industrial Engineering, 128, 290-297. doi:10.1016/j.cie.2018.12.043

  13. Garip, G., Ustoglu, I., Mumcu, T. V., Kaymakci, O. T. (2014). Hot box detection system design for railway vehicle safety. 5th International Conference on Design and Product Development, 31-36. (in English).

  14. Toullier, T., Dumoulin, J., & Mevel, L. (2019). Study of complementary multi-sensors data influence on infrared thermography measurements for in-situ long-term monitoring. Multimodal Sensing: Technologies and Applications, 1-10. doi:10.1117/12.2526229