УДК 629.463.65.015:625.1.03

А. О. Швець1*

1*Каф. «Теоретична та будівельна механіка», Дніпровський національний університет залізничного транспорту імені академіка В. Лазаряна, вул. Лазаряна, 2, Дніпро, Україна, 49010, тел. +38 (050) 214 14 19, ел. пошта angela_Shvets@ua.fm", ORCID 0000-0002-8469-3902

динаміка півВагонів від

дії поздовжніх сил

Мета. Основною метою роботи є дослідження впливу поздовжніх квазістатичних розтягувальних та стискних сил у піввагонах, що виникають за стаціонарних та перехідних режимів руху поїзда, на їх основні динамічні показники та показники взаємодії рухомого складу з рейковою колією з урахуванням можливості збільшення швидкості руху. Актуальність цього дослідження пов’язана з необхідністю контролювати поздовжні сили, що виникають за стаціонарних та перехідних режимів руху поїзда, у разі збільшення швидкості руху, маси й довжини поїздів, особливо вантажних, підвищення потужності локомотивів. Методика. Основним методом вивчення динамічної навантаженості піввагона на типових трьохелементних візках є математичне та комп’ютерне моделювання взаємодії рухомого складу та колійної структури на основі моделі просторових коливань зчепу вантажних вагонів. У теоретичному дослідженні розглянуто вплив квазістатичних поздовжніх розтягувальних та стискних сил залежно від зміни швидкості та значення сили від розтягання величиною 1 МН; 0,5 МН; 0 МН і до стискання 0,5 МН; 1 МН. Результати. У результаті теоретичних досліджень та після проведення моделювання з урахуванням процесів коливання піввагонів під дією квазістатичних поздовжніх сил, обмежених нормами до ± 1 МН (100 тс), отримано залежності основних нормованих технічною документацією показників з урахуванням величини швидкості руху. Наукова новизна. Досліджено вплив поздовжніх стискних та розтягувальних сил на динамічну навантаженість вантажного вагона з метою прогнозування динаміки рухомого складу, з урахуванням величини швидкості руху по криволінійних ділянках залізничної колії. Практична значимість. Застосування отриманих результатів може підвищити стійкість вантажного рухомого складу й міцність залізничної колії, що у свою чергу дозволить зняти деякі наявні обмеження допустимих швидкостей і збільшити технічну швидкість руху поїздів. Отримані залежності основних нормованих показників від поздовжньої квазістатичної сили дозволять прогнозувати розвиток відхилень і попереджати їх перетворення в небезпечні для руху поїздів.

Ключові слова: піввагон; динамічні показники; криволінійні ділянки колії; поздовжні сили; швидкість руху

Вступ

Зі збільшенням швидкостей руху, мас і довжин поїздів, особливо вантажних, підвищенням потужностей локомотивів, потрібно контролювати поздовжні сили, що виникають за стаціонарних та перехідних режимів руху поїзда [13–17]. Із позиції безпеки руху небезпечними можуть виявитись поздовжні сили квазістатичного характеру або сили ударного характеру, що містять такі квазістатичні складові. Такого роду сили за певних умов можуть викликати видавлювання (або витискання) вагонів зі складу поїзда [68].

Процес взаємодії рухомого складу та верхньої будови колії визначається багатьма факторами: наявністю ухилів і кривих ділянок колії, вагою, довжиною та швидкістю руху поїздів, потужністю локомотива або групи локомотивів, тобто максимальної гальмової сили. Концентрація великої гальмівної сили (до 80 % від максимальної сили тяги) на короткій ділянці колії (довжині локомотива) в голові поїзда та набігання незагальмованих задніх вагонів призводять до встановлення вагонів першої третини поїзда в рейковій колії з перекосом. Останнє впливає на підвищене тертя гребенів колісних пар вагонів об бокову поверхню рейок, підвищений угін колії та її розшивку, зростання бокового зносу рейок, підріз бандажів колісних пар вагонів і навіть локомотивів. Збільшення ваги та довжини поїздів різко погіршує розглянуту ситуацію [18–20].

У разі збільшення швидкості руху зменшується коефіцієнт зчеплення; крім того, у певні моменти в результаті вертикальних коливань надресорної будови колісна пара частково розвантажується. Усе це призводить до зменшення сили тертя між колесом і рейкою в поперечному напрямку та ударного навантаження рейки гребенем колісної пари. Тому навіть за малих значень поперечних складових стискних сил, які виникають через перекіс вагонів у рейковій колії в разі стиснення поїзда хвостовими вагонами, відзначається різке зростання горизонтальних сил у колії, що сприяє не тільки її розшивці, але й перекиданню (вивертанню) рейки на прямих ділянках колії [5, 911].

У моменти прикладання тягових зусиль або на початку гальмування поїзда можуть виникати короткочасні ударні сили значної величини. Найбільший інтерес для вивчення динамічної взаємодії рухомого складу та колійної структури представляють довготривалі сили, що виникають у тяговому режимі на затяжних ухилах та під час гальмувань, особливо рекуперативних.

Мета

відповідно до викладеного метою цієї роботи є дослідження впливу поздовжніх квазістатичних розтягувальних та стискних сил у піввагонах на основні показники динаміки та взаємодії рухомого складу з рейковою колією з урахуванням швидкості руху.

Методика

В основу математичної моделі просторових коливань зчепу вантажних вагонів покладені дослідження, описані в роботах [2, 3, 12] та доповнені параметрами, необхідними для вивчення динамічних процесів у поїзді.

Розрахункова схема піввагона наведена на рис. 1, де також показані додатні напрямки для всіх переміщень і кутів повороту.

Рис. 1. Розрахункова схема 4-вісного вантажного вагона

Fig. 1. The design scheme of a 4-axle freight car

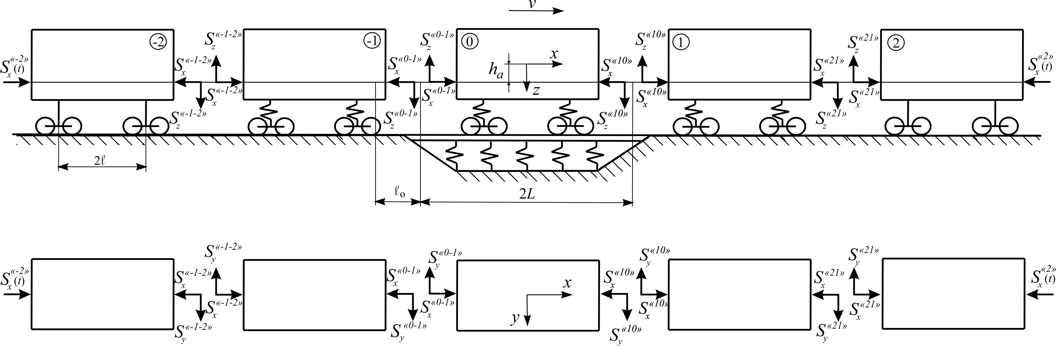
Математична модель просторових коливань зчепу вагонів у складі поїзда (рис. 2), наведена в роботі [2], розглядає один рейковий екіпаж за найбільш повною розрахунковою схемою («нульовий»), а розрахункові схеми сусідніх вагонів спрощують по мірі віддалення від нього в обидві сторони.

Розрахунковою схемою «нульового» екіпажу є механічна система з 58 ступенями свободи [3]. Вагони, сусідні з «нульовим», представлені як механічні системи, що мають 12 ступенів свободи. Розрахункові схеми, які описують коливання цих вагонів, враховують забігання бокових рам візка.

Рис. 2. Схема діючих поздовжніх навантажень в автозчепленнях вантажних вагонів

Fig. 2. Scheme of operating longitudinal loads in automatic couplings of freight cars

Припущення, введені під час досліджень просторових коливань вагонів, сусідніх із «нульовим», за спрощеними розрахунковими схемами, описані в роботах [2, 20]. Крайні вагони зчепу розглядають за ще більш спрощеною схемою. У вагонах беруть до уваги тільки коливання кузовів, тобто ці вагони розглядають як механічні системи з 6 ступенями свободи.

У процесі управління поїздом неминуче виникають поздовжні сили в автозчепленнях. Сили, які виникають під час взаємодії з рейками між сусідніми вагонами, у досліджуваному зчепі зображено на рис. 3 [2].

Рис. 3. Дія на вагон сил з боку сусідніх вагонів

У результаті динамічних процесів під час руху поїзда по криволінійних ділянках колії в режимах тяги та рекуперативного гальмування вагон, під дією поздовжніх сил в автозчепленнях, може зайняти різне положення відносно осі колії, що в значній мірі визначить як величини бокових горизонтальних сил взаємодії коліс із рейками, сили тертя та знос коліс і рейок [20–22].

Результати

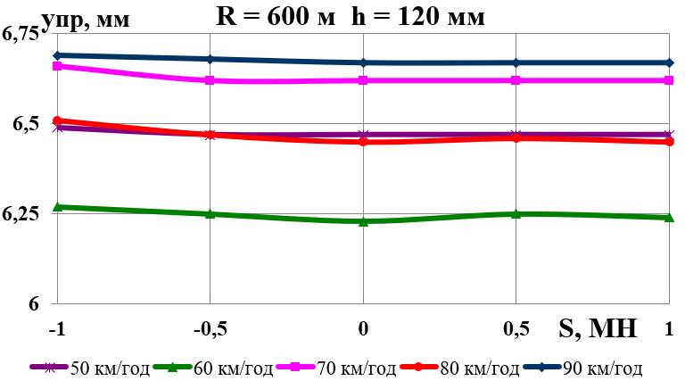
За перехідних режимів руху, особливо під час гальмування, виникають довготривалі квазістатичні поздовжні сили, обмежені нормативною документацією до (100 тс). У теоретичному дослідженні розглянутий вплив квазістатичних поздовжніх розтягувальних та стискних сил залежно від зміни швидкості в діапазоні від 50 до 90 км/год зі зміною значення сили від розтягання величиною 1 МН; 0,5 МН; 0 МН і до стискання 0,5 МН; 1 МН. Графіки зміни досліджуваних показників під час руху завантажених вагонів по криволінійних ділянках колії середнього ( м) й малого ( м) радіусів наведені на рис. 4–8.

Для вивчення динамічних сил, що діють на складові частини візка або кузова вагона, на рис. 4 наведені показники – максимальні коефіцієнти динамічної добавки обресорених і необресорених частин , максимальне відношення рамної сили до статичного осьового навантаження та коефіцієнт стійкості від сходження колеса з рейок .

а – a                                                                                      бb

в – c                                                                                       гd

дe                                                                                           е – f

жg                                                                                         з – h

Рис. 4. Залежності від поздовжньої сили:
а, б – коефіцієнти динамічної добавки обресорених частин; в, г – коефіцієнти динамічної добавки необресорених частин; д, е – відношення рамної сили до статичного осьового навантаження;
ж, з – коефіцієнти стійкості колеса від сходження з рейок

Fig. 4. Dependencies on the longitudinal force:

а, b – the coefficients of the dynamic additive of the sprung parts; c, d – the coefficients of the dynamic additive of the unsprung parts; e, f – the ratio of the frame force to the static axial load;
g, hderailment stability coefficients

Із рис. 4 видно, що за повздовжніх сил, які змінюються від розтягнення силою 1 МН до стискання силою 0,5 МН, показники (рис. 4, а, б), (рис. 4, в, г) практично не змінюються; помітний вплив на показники (рис. 4, д, е),та (рис. 4, ж, з) чинить тільки стискна поздовжня сила величиною в 1 МН. Саме за поздовжньої стискної сили в 1 МН виникають значні додаткові поперечні сили, викликані перекосом кузовів вагонів відносно їх хордового положення. Ці додаткові сили іноді перевищують горизонтальні поперечні сили, обумовлені тільки кривизною колії за хордового розташування кузовів вагонів. Таким чином, можна зробити висновок, що додаткові поперечні сили, викликані перекосом кузовів вагонів, призводять до збільшення показників тільки за великих значень поздовжньої стискної сили, яка перевищує 1 МН.

У всьому інтервалі швидкостей показники (рис. 4, а, б), (рис. 4, в, г) та (рис. 4, д, е) в разі зміни поздовжніх сил не перевищують допустимих значень, установлених нормативною документацією, як у кривій м, так і в кривій м. Розрахунки демонструють, що рівень оцінок , та становить «відмінно» [4].

Коефіцієнти запасу стійкості від сходження коліс із рейок у кривих м та м (рис. 4, ж, )) значно перевищують мінімально допустиме значення .

Коефіцієнти вертикальної та горизонтальної динаміки колії за силами взаємодії коліс із рейками, а також коефіцієнт стійкості рейко-шпальної решітки від зсуву під час руху у відповідних кривих ділянках колії наведено на рис. 5.

а – a                                                                                           бb

в – c                                                                                           гd

дe                                                                                         е – f

Рис. 5. Залежності від поздовжньої сили:

а, б – коефіцієнти вертикальної динаміки колії за силами взаємодії коліс із рейками; в, г – коефіцієнти горизонтальної динаміки колії за силами взаємодії коліс із рейками; д, е – коефіцієнти стійкості рейко-шпальної решітки від зсуву

Fig. 5. Dependencies on the longitudinal force:

а, bcoefficients of the vertical track dynamics by the forces of wheel-rail interaction; c, d coefficients of the horizontal track dynamics by the forces wheel-rail interaction; e, f – the ratio of the frame force to the static axial load;
g, htrack panel stability coefficient

Значення коефіцієнта вертикальної динаміки колії, що допускається чинною нормативною документацією, становить [1]. Коефіцієнт вертикальної динаміки колії (рис. 5, а, б) не перевищує допустимого значення в кривих обох досліджуваних радіусів.

Коефіцієнт горизонтальної динаміки колії (рис. 5, в, г) також не перевищує допустимого значення в кривих як малого, так і середнього радіусів. Тільки за швидкості руху 80 км/год та поздовжній стискній силі в 1 МН у кривій м наближається до максимально допустимої величини, оскільки має значення у 0,39.

Допустиме значення коефіцієнта стійкості рейко-шпальної решітки від угону (зсуву) (рис. 5, д, е) в колії зі щебеневим баластом становить [1]. За результатами розрахунку значення коефіцієнта стійкості рейко-шпальної решітки від дії поперечних сил в колії зі щебеневим баластом максимально становить 0,82 в кривій малого радіуса за швидкості 90 км/год, що менше допустимої величини. У кривих середнього радіуса коефіцієнт досягає максимального значення у 0,66 за швидкості 80 км/год.

Аналіз отриманих результатів показує, що на криволінійних ділянках колії поздовжні стискні сили великого рівня (0,9–1,0 МН), які призводять до додаткового перекосу кузовів вагонів, викликають збільшення впливу на колію в горизонтальному напрямку в середньому на 25,5 % порівняно із силою .

На ділянках із дерев’яними шпалами істотно полегшене сходження через витискання екіпажів унаслідок можливості нахилу рейки через відрив внутрішньої кромки підошви рейки від підкладок та відтискання внутрішніх обшивних костилів. На рис. 6 наведені бокові сили, що діють з боку колії на колесо, відтискання підошви та головки рейки .

а – a                                                                                          бb

в – c                                                                  гd

дe                                                                                          е – f

Рис. 6. Залежності від поздовжньої сили:

а, б – бокової сили, що діє з боку колії на колесо; в, г – відтискання головки рейки; д, е – відтискання підошви рейки

Fig. 6. Dependencies on the longitudinal force:

а, b of the lateral force acting on the wheel from the track; c, d rail head pressing; e, frail base pressing

Бокові сили, що діють з боку колії на колесо (горизонтальні сили) (рис. 10, а, б), зростають залежно від швидкості руху та не мають перевищень порівняно з допустимим значенням 100 кН [1]. Отримані величини у кривій м в середньому на 43,8 % більші за відповідні значення у кривій м.

Чим більша швидкість руху, тим на більшу величину відтискаються внутрішні обшивні костилі (рис. 6, д, е) та головки рейки (рис. 6, в, г). Показники мають максимальні значення в разі стискання поздовжньою силою в 1 МН. У кривих м найбільші відтискання головок рейок відбуваються за швидкості 80 км/год. На відтискання внутрішніх обшивних костилів найбільший вплив мають швидкості руху у 70 та 90 км/год.

Вплив швидкості на показники взаємодії з колією рухомого складу – кромкового напруження у підошві рейки та фактора зносу бокової грані бандажа колеса – показано на рис. 7.

а – a                                                                                            бb

в – c                                                                                             гd

Рис. 7. Залежності від поздовжньої сили:

а, б – кромкового напруження у підошві рейки; в, г – фактора зносу бокової грані бандажа колеса

Fig. 7. Dependencies on the longitudinal force:

а, bedge tension in the ral base; c, d – the wear factor of the side edge of the wheel flange

Зі збільшенням швидкості руху зростає динамічний вплив на колію рухомого складу та, відповідно, збільшуються кромкові напруження підошви рейок (рис. 7, а, б). Максимальні напруження для рейок Р65 не повинні перевищувати 215 МПа до пропускання та 165 МПа після пропускання нормативного тоннажу. Результати обчислень демонструють зростання кромкових напружень в разі підвищення швидкості руху та відсутність перевищення допустимих значень для обох типів рейок [1].

Фактор зносу бокової грані бандажа колеса (рис. 7, в, г) значно зростає з підвищенням швидкості руху. За швидкості 80 км/год значно зростає в кривих обох досліджуваних радіусів, але у кривій м перевищує на 76 % відповідне значення у кривій м. Збільшення за швидкості 80 км/год порівняно з іншими інтервалами швидкостей у кривій м становить 75,1 %. Відповідне значення цього показника становить 82,7 % у кривій м.

Добуток кута виляння (набігання) колеса вагона на напрямну силу визначає фактор зносу бокової грані бандажа колеса . Вплив швидкості на показники взаємодії з колією рухомого складу – напрямної сили, що діє з боку колії на колесо, та виляння колісної пари показано на рис. 8.

а – a                                                                                           бb

в – c                                                                                            гd

Рис. 8. Залежності від поздовжньої сили:

а, б – напрямної сили, що діє з боку колії на колесо; в, г – виляння колісної пари

Fig. 8. Dependancies on the longitudinal forces:

а, b directing force acting on the wheel from the track; c, dwheel set hunting

Із підвищенням швидкості руху напрямні сили, що діють з боку колії на колесо (рис. 8, а, б), у кривій м значно зростають. Отримані величини у кривій м в середньому на 42,1 % більші за відповідні результати у кривій м.

За швидкості 80 км/год у кривих малого та середнього радіуса кути виляння колісної пари (рис. 8, в, г) значно відрізняються від іншого діапазону розрахункових швидкостей. Під час руху у кривій м величини в середньому на 71,3 % перевищують відповідні значення у кривій м.

На кут виляння колісної пари значною мірою впливає швидкість руху, а не наявність квазістатичних поздовжніх стискних або розтягувальних сил.

Наукова новизна та практична
значимість

У роботі досліджено вплив поздовжніх стискних та розтягувальних сил на динамічну навантаженість вантажного вагона з метою прогнозування динаміки залізничного екіпажу. Розрахунки виконано з урахуванням можливого підвищення величини швидкості руху по криволінійних ділянках колії малого й середнього радіуса. У результаті дослідження процесів коливання завантажених піввагонів під дією квазістатичних поздовжніх сил отримано залежності основних динамічних показників, нормованих чинною технічною документацією.

Застосування отриманих результатів дозволить підвищити стійкість вантажного рухомого складу й міцність залізничної колії, що у свою чергу дозволить зняти деякі наявні обмеження допустимих швидкостей і збільшити технічну швидкість руху поїздів. Отримані залежності основних нормованих показників від поздовжньої квазістатичної сили дозволять прогнозувати розвиток відхилень і попереджати їх перетворення в небезпечні для руху поїздів.

Висновки

На підставі проведених теоретичних досліджень динамічних якостей залізничного вантажного екіпажу на прикладі піввагонів можна зробити наступні висновки:

стискні сили призводять до розташування кузовів вагонів «ялинкою». За стискних сил, менших за 0,25 МН, впливом перекосу кузовів на величини горизонтальних поперечних сил можна знехтувати. Стискні сили з величинами 0,5 МН слабо впливають на ці сили, а стискні поздовжні сили в 1 МН мають уже істотний вплив на величини поперечних горизонтальних сил, що діють на кузов вагона з боку його автозчеплень;

додаткові поперечні сили, викликані перекосом кузовів вагонів, призводять до збільшення динамічних показників та показників впливу на колію тільки за великих значень поздовжньої стискної сили, яка перевищує 1 МН. У вертикальному напрямку на означені показники більш істотний вплив має швидкість руху;

на ділянках із дерев’яними шпалами істотно полегшене сходження через витискання екіпажів унаслідок можливості нахилу рейки через відрив внутрішньої кромки підошви рейки від підкладок, а також унаслідок відтискання внутрішніх обшивних костилів. Найбільш небезпечною швидкістю у кривих м та 350 м за відривом внутрішньої кромки підошви рейки від підкладок є 70 км/год;

дозволена швидкість руху у кривих м 80 км/год є найбільш небезпечною для відтискання головок рейок;

за швидкості 80 км/год значно зростає фактор зносу бокової грані бандажа колеса у кривих як малого, так і середнього радіуса.

СПИСОК ВИКОРИСТАНИХ ДЖЕРЕЛ

  1. Даніленко, Е. І. Залізнична колія : підручник для вищ. навч. закл. : у 2 т. / Е. І. Даніленко. – Київ : Інпрес, 2010. – Т. 1. – 528 с.

  2. Данович, В. Д. Математическая модель пространственных колебаний сцепа пяти вагонов, движущихся по прямолинейному участку пути / В. Д. Данович, А. А. Малышева // Транспорт. Нагруженность и прочность подвижного состава : сб. науч. тр. / Днепропетр. гос. техн. ун-т ж.-д. трансп. – Днепропетровск, 1998. – С. 62–69.

  3. Данович, В. Д. Пространственные колебания вагонов на инерционном основании : дис. д-ра техн. наук / Данович Виктор Данилович ; Днепропетр. ин-т инж. ж.-д. трансп. – Днепропетровск, 1981. – 465 с.

  4. ДСТУ ГОСТ 33211:2017. Вагони вантажні. Вимоги до міцності та динамічних якостей (ГОСТ 33211-2014, IDТ). – Введ. 2017–07–01. – Київ : УкрНДНЦ, 2017. – 58 с.

  5. Мугинштейн, Л. А. Влияние продольных сил на опасность сходов порожних вагонов в поездах /
    Л. А. Мугинштейн, Ю. С. Ромен // Вестник ВНИИЖТ. – 2011. – № 3. – С. 3–6.

  6. Определение допустимых сил при оценке устойчивости грузовых вагонов от выжимания в поездах / А. А. Швец, К. И. Железнов, А. С. Акулов, А. Н. Заболотный, Е. В. Чабанюк // Наука та прогрес транспорту. – 2016. – № 1 (61). – С. 180–192. doi: 10.15802/stp2016/61045

  7. Разработка рекомендаций по снижению износа колес и рельсов за счет снижения сил динамического взаимодействия железнодорожных экипажей и пути с учетом стационарных и нестационарных режимов движения. В 3 т. Т. 3. Натурные исследования факторов, влияющих на повышенный износ рельсов и гребней колес грузовых вагонов : отчет о НИР (заключ.) : 91.134.95.97/379.95.97 ЦТех / Днепропетр. нац. ун-т ж. д. трансп. им. акад. В. Лазаряна ; рук. Блохин Е. П., Пшинько А. Н. ; исп.: Данович В. Д. [и др.]. – Днепропетровск, 1998. – 190 с. – № ГР 0196U023134. – Инв. № 416(III).

  8. Швець, А. О. Вплив режиму гальмування на знос коліс та стійкість вантажного рухомого складу /
    А. О. Швець, Болотов О. М., Л. С. Сапарова // Вісник сертифікації залізничного транспорту. – 2018. – № 4 (50). – С. 68–82.

  9. Шимановский, А. О. Влияние зазоров в автосцепных устройствах на продольные силы в межвагонных соединениях однородного поезда / А. О. Шимановский, П. А. Сахаров // Механика машин, механизмов и материалов. – 2019. – № 2 (47). – С. 42–50.

  10. Шимановский, А. О. Моделирование продольной динамики поезда в среде программного комплекса MSC.ADAMS / А. О. Шимановский, П. А. Сахаров, А. В. Коваленко // Актуальные вопросы машиноведения. – 2018. – № 7. – С. 75–78.

  11. Determination of the issue concerning the lift resistance factor of lightweight car / A. O. Shvets, К. I. Zhelieznov, А. S. Аkulov, О. M. Zabolotnyi, Y. V. Chabaniuk // Наука та прогрес транспорту. – 2015. – № 6 (60). С. 134–148. doi: 10.15802/stp2015/57098

  12. Effect of the state of car running gears and railway track on wheel and rail wear / E. P. Blokhin, O. M. Pshinko, V. D. Danovich, M. L. Korotenko // Railway Bogies and Running Gears : Proc. of the 4th Intern. Conf. / Technical University of Budapest. – Budapest, 1998. – P. 313–323.

  13. Kurhan, D. Determination of Load for Quasi-static Calculations of Railway Track Stress-strain State / D. Kurhan // Acta Technica Jaurinensis. – 2016. – Vol. 9. – Іss. 1. – Р. 83–96. doi: 10.14513/actatechjaur.v9.n1.400

  14. Modeling, simulation and applications of longitudinal train dynamics / C. Cole, M. Spiryagin, Q. Wu, Y. Q. Sun // Vehicle System Dynamics. – 2017. – Vol. 55. – Іss. 10. – P. 1498–1571. doi: 10.1080/00423114.2017.1330484

  15. McKinnon, A. C. Freight Transport Deceleration: Its Possible Contribution to the Decarbonisation of Logistics / A. C. McKinnon // Transport Reviews. – 2016. – Vol. 36. – Iss. 4. – P. 418–436. doi: 10.1080/01441647.2015.1137992

  16. Navarrete, J. A. Experimental and theoretical modeling of cargo sloshing during braking / J. A. Navarrete, F. Otremba // ASME International Mechanical Engineering Congress and Exposition (Phoenix, Arizona, USA, Nov. 11–17, 2016). – Phoenix, 2016. – Vol. 4B : Dynamics, Vibration, and Control.
    doi: 10.1115/imece2016-65698

  17. Qi, Zh. Simulation of longitudinal dynamics of long freight trains in positioning operations / Zh. Qi, ZhHuang, X. Kong // Journal Vehicle System Dynamics International Journal of Vehicle Mechanics and Mobility. – 2012. – Vol. 50. – Іss. 9. – Р. 1409–1433. doi: 10.1080/00423114.2012.661063

  18. Razinkin, N. E. The influence of additional discharge of the brake line on the longitudinal dynamics of the train during braking / N. E. Razinkin, N. I. Voronova, Y. D. Podlesnikov, S. N. Danilov // Journal of Mechanical Engineering Research and Developments. – 2019. – Vol. 42. – Іss. 3. – P. 6–9. doi: 10.26480/jmerd.03.2019.06.09

  19. Sablin, O. Rational distribution of excess regenerative energy in electric transport systems on the basis of fuzzy logic application / O. Sablin, V. Kuznetsov, V. Shinkarenko, A. Ivanov // Archives of Transport. – 2017. – № 42 (2). – P. 53–63. doi: 10.5604/01.3001.0010.0527

  20. Shvets, A. O. Influence of Loading from the Axle of a Gondola Car on its Dynamic Indicators and Railway Track / A. O. Shvets, О. О. Bolotov // Наука та прогрес транспорту. – 2019. – № 1 (79). – С. 151–166. – doi: 10.15802/stp2019/158127

  21. Wu, H. Effects of wheel and rail profiles on vehicle performance / H. Wu // Vehicle System Dynamics. – 2006. – Vol. 44. – Іss. sup1. – P. 541–550. doi: 10.1080/00423110600875393

  22. Wu, Q. Longitudinal train dynamics: an overview / Q. Wu, M. Spiryagin, C. Cole // Vehicle System
    Dynamics. – 2016. – Vol. 54. –
    Іss. 12. – P. 1688–1714. doi: 10.1080/00423114.2016.1228988

А. А. Швец1*

1*Каф «Теоретическая и строительная механика», Днипровский национальный университет железнодорожного транспорта имени академика В. Лазаряна, ул. Лазаряна, 2, Днипро, Украина, 49010, тел. +38 (050) 214 14 19, эл. почта angela_Shvets@ua.fm, ORCID 0000-0002-8469-3902

динамика полувагонов от

действия продольных сил

Цель. Основной целью работы является исследование влияния продольных квазистатических растягивающих и сжимающих сил в полувагонах, возникающих при стационарных и переходных режимах движения поезда, на их основные динамические показатели и показатели взаимодействия подвижного состава с рельсовой колеей с учетом возможности увеличения скорости движения. Актуальность данного исследования связана с необходимостью контролировать продольные силы, возникающие при стационарных и переходных режимах движения поезда, при увеличении скорости движения, массы и длины поездов, особенно грузовых, повышения мощности локомотивов. Методика. Основным методом изучения динамической нагруженности полувагона на типовых трехэлементных тележках является математическое и компьютерное моделирование взаимодействия подвижного состава и путевой структуры на основе модели пространственных колебаний сцепа грузовых вагонов. В теоретическом исследовании рассмотрено влияние квазистатических продольных растягивающих и сжимающих сил в зависимости от изменения скорости и значения силы от растяжения величиной 1 МН; 0,5 МН; 0 МН и до сжатия 0,5 МН; 1 МН. Результаты. В результате теоретических исследований и после моделирования с учетом процессов колебания полувагонов под действием квазистатических продольных сил, ограниченных нормами до ± 1 МН (100 тс), получены зависимости основных нормированных технической документацией показателей с учетом величины скорости движения. Научная новизна. Исследовано влияние продольных сжимающих и растягивающих сил на динамическую нагруженность грузового вагона для прогнозирования динамики подвижного состава с учетом величины скорости движения по криволинейным участкам железнодорожного пути. Практическая значимость. Применение полученных результатов может повысить устойчивость грузового подвижного состава и прочность железнодорожного пути, что в свою очередь позволит снять некоторые существующие ограничения допустимых скоростей и увеличить техническую скорость движения поездов. Полученные зависимости основных нормируемых показателей от продольной квазистатической силы позволят прогнозировать развитие отклонений и предупреждать их преобразования в опасные для движения поездов.

Ключевые слова: полувагон; динамические показатели; криволинейные участки пути; продольные силы; скорость движения

A. O. shvets1*

1*Dep. «Theoretical and Structural Mechanics», Dnipro National University of Railway Transport named after Academician V. Lazaryan, Lazaryana St., 2, Dnipro, Ukraine, 49010, tel. +38 (050) 214 14 19, e-mail angela_Shvets@ua.fm, ORCID 0000-0002-8469-3902

gondola cars DYNAMICS FROM

the ACTION of longitudinal FORCES

Purpose. The aim of the work is to study the influence of longitudinal quasistatic tensile and compressive forces in gondola cars arising at stationary and transient modes of train movement on their main dynamic indicators and interaction indicators of rolling stock with a rail track, taking into account the possibility of speed increasing. The relevance of this study is related with the need to control the longitudinal forces arising during stationary and transient modes of train movement, with increasing speeds, masses and lengths of trains, especially freight ones, increasing the locomotives` power. Methodology. The main method for studying the dynamic loading of a gondola car on typical three-element bogies is mathematical and computer modeling of the interaction of rolling stock and track structure based on the model of spatial vibrations of freight cars` couplings. In a theoretical study, the influence of quasistatic longitudinal tensile and compressive forces is considered depending on the change in speed and the force value on the tension of 1 MN; 0.5 MN; 0 and before compression of 0.5 MN; 1 MN. Findings. As a result of theoretical studies and after modeling, taking into account the processes of oscillation of gondola cars under the action of quasistatic longitudinal forces limited by norms to ± 1MN (100 tf), the dependencies of the main parameters normalized by technical documentation are obtained taking into account the value of the movement speed. Originality. The influence of longitudinal compressive and tensile forces on the dynamic loading of a freight car is studied in order to solve the problem of forecasting the dynamics of rolling stock, taking into account the value of the speed along curved track sections. Practical value. Application of the results obtained can increase the stability of freight rolling stock and the strength of the railway track, which in turn will remove some of the existing restrictions on permissible speeds and increase the technical speed of trains. The obtained dependencies of the main normalized indices on the longitudinal quasistatic force will make it possible to predict the development of deviations and prevent their transformation into the dangerous ones for train movement.

Keywords: gondola car; dynamic indicators; curved track sections; longitudinal forces; movement speed

REFERENCES

  1. Danilenko, E. I. (2010). Zaliznychna koliia: pidruchnyk dlia vyshchykh navchalnykh zakladiv. (Vol. 1-2). Kyiv: Inpres. (in Ukrainian)

  2. Danovich, V. D., & Malysheva, A. A. (1998). Mathematical Model of Spatial Oscillations of the Coupling of Five Cars Moving Along a Rectilinear Section of the Track. Transport. Stress loading and durability of a rolling stock, 62-69. Dnepropetrovsk. (in Russian)

  3. Danovich, V. D. (1982). Spatial Cars Oscillations in Inertia Track. (Dysertatsiia doktora tekhnichnykh nauk). Dnepropetrovsk Institute of Railway Transport Engineering, Dnеpropetrovsk. (in Russian)

  4. Vahony vantazhni. Vymohy do mitsnosti ta dynamichnykh yakostei, 58 DSTU 33211:2017 (2017). (in Ukrainian)

  5. Muginshteyn, L. A., & Romen, Yu. S. (2011). Vliyanie prodolnykh sil na opasnost skhodov porozhnikh vagonov v poezdakh. Vestnik of the Railway Research Institute, 3, 3-6. (in Russian)

  6. Shvets, A. A., Zheleznov, K. I., Akulov, A. S., Zabolotny, A. N., & Chabanyuk, E. V. (2016). Determination the permissible forces in assessing the lift resistant factor of freight cars in trains. Science and Transport Progress, 1(61), 180-192. doi: 10.15802/stp2016/61045 (in Russian)

  7. Blokhin, E. P., Pshinko, O. M., & Danovich, V. D. (1998). Razrabotka rekomendatsiy po snizheniyu iznosa koles i relsov za schet snizheniya sil dinamicheskogo vzaimodeystviya zheleznodorozhnykh ekipazhey i puti s uchetom statsionarnykh i nestatsionarnykh rezhi-mov dvizheniya (Vol. 1-3). Dnеpropetrovsk National University of Railway Transport named after Academician V. Lazaryan, Dnеpropetrovsk. (in Russian)

  8. Shvets, A. O., Bolotov, O. M., & Saparova, L. S. (2018). Influence of modes of braking on the wheel wear and stability of freight rolling stock. Visnyk sertyfikatsii zaliznychnoho transportu, 4(50), 68-82. (in Ukrainian)

  9. Shimanovsky, A. O., & Sakharau, P. A. (2019). Effect of gap clearances in automatic coupling devices on longitudinal forces in intercar connections of homogeneous train. Mekhanika mashin, mekhanizmov i materialov, 2(47), 42-50. (in Russian)

  10. Shimanovsky, A. O., Sakharau, P. A., & Kovalenko, A. V. (2018). Modeling of train longitudinal dynamics in MSC.ADAMS software. Aktualnye voprosy mashinovedeniya, 7, 75-78. (in Russian)

  11. Shvets, A. A., Zhelieznov, K. I., Akulov, A. S., Zabolotnyi, A. N., & Chabaniuk, Y. V. (2015). Determination of the issue concerning the lift resistance factor of lightweight car. Science and Transport Progress, 6(60), 134-148. doi: 10.15802/stp2015/57098 (in English)

  12. Blokhin, E. P., Pshinko, O. M., Danovich, V. D., & Korotenko, M. L. (1998). Effect of the state of car running gears and railway track on wheel and rail wear. Railway Bogies and Running Gears: Proceedings of the 4th International Conference, 313-323. Budapest. (in English)

  13. Kurhan, D. (2016). Determination of Load for Quasi-static Calculations of Railway Track Stress-strain State. Acta Technica Jaurinensis, 9(1), 83-96. doi: 10.14513/actatechjaur.v9.n1.400 (in English)

  14. Cole, C., Spiryagin, M., Wu, Q., & Sun, Y. Q. (2017). Modeling, simulation and applications of longitudinal train dynamics. Vehicle System Dynamics, 55(10), 1498-1571. doi: 10.1080/00423114.2017.1330484 (in English)

  15. McKinnon, A. C. (2016). Freight Transport Deceleration: Its Possible Contribution to the Decarbonisation of Logistics. Transport Reviews, 36(4), 418-436. doi: 10.1080/01441647.2015.1137992 (in English)

  16. Navarrete, J. A., & Otremba, F. (2016). Experimental and theoretical modeling of cargo sloshing during braking. ASME International Mechanical Engineering Congress and Exposition (Phoenix, Arizona, USA, Nov. 11-17, 2016). Dynamics, Vibration, and Control, 4B. Phoenix. doi: 10.1115/imece2016-65698 (in English)

  17. Qi, Z., Huang, Z., & Kong, X. (2012). Simulation of longitudinal dynamics of long freight trains in positioning operations. Vehicle System Dynamics, 50(9), 1409-1433. doi: 10.1080/00423114.2012.661063 (in English)

  18. Razinkin, N. E., Voronova, N. I., Podlesnikov, Y. D., & Danilov, S. N. (2019). The influence of additional discharge of the brake line on the longitudinal dynamics of the train during braking. Journal of Mechanical Engineering Research and Developments, 42(3), 6-9. doi: 10.26480/jmerd.03.2019.06.09

  19. Sablin, O., Kuznetsov, V., Shinkarenko, V., & Ivanov, A. (2017). Rational distribution of excess regenerative energy in electric transport systems on the basis of fuzzy logic application. Archives of Transport, 42(2), 53-63. doi:10.5604/01.3001.0010.0527 (in English)

  20. Shvets, A. O., & Bolotov, О. О. (2019). Influence of loads from the axis of a gondola car on its dynamic indicators and railroad tracks. Science and Transport Progress, 1(79), 151-166. doi: 10.15802/stp2019/158127 (in English)

  21. Wu, H. (2006). Effects of wheel and rail profiles on vehicle performance. Vehicle System Dynamics, 44(sup1), 541-550. doi: 10.1080/00423110600875393 (in English)

  22. Wu, Q., Spiryagin, M., & Cole, C. (2016). Longitudinal train dynamics: an overview. Vehicle System Dynamics, 54(12), 1688-1714. doi: 10.1080/00423114.2016.1228988 (in English)


Надійшла до редколегії: 00.00.2019

Прийнята до друку: 00.00.2019