ISSN 2307–3489 (Print), ІSSN 2307–6666 (Online)

Наука та прогрес транспорту. Вісник Дніпропетровського
національного університету залізничного транспорту, 201
9, № 4 (82)



рухомий склад і тяга поїздів

рухомий склад і тяга поїздів

UDC 629.463.62.027.4:625.143.3.033.373

O. V. Shatunov1*, A. O. shvets2*, O. A. KIRILCHUK3*, A. O. shvets4*

1*Dep. «Cars and Car Facilities», Dnipro National University of Railway
Transport named after Academician V. Lazaryan, La-zaryan St., 2, Dnipro,
Ukraine, 49010, tel. +38 (067) 953 60 14, e-mail shatunov220648@gmail.com,
ORCID 0000-0002-1115-0093
2*Dep. «Theoretical and Structural Mechanics», Dnipro National University of Railway
Transport named after Academician V. Lazaryan, Lazaryan St., 2, Dnipro,
Ukraine, 49010, tel. +38 (050) 214 14 19, e-mail angela.shvets69@gmail.com,
ORCID 0000-0002-8469-3902
3*Dep. «Car and Car Facilities», Dnipro National University of Railway
Transport named after Academician V. Lazaryan,
Lazaryan St., 2, Dnipro, Ukraine, 49010, tel./fax +38 (056) 776 82 27,
e-mail
o.a.kirilchuk@gmail.com, ORCID 0000-0002-0565-1692
4*Dep. «Car and Car Facilities», Dnipro National University of Railway
Transport named after Academician V. Lazaryan,
La-zaryan St., 2, Dnipro, Ukraine, 49010, tel./fax +38 (095) 235 19 67,
e-mail angela_Shvets@ua.fm, ORCID 0000-0002-0717-2521

RESEARCH OF WHEEL-RAIL WEAR due

to non-SYMMETRICAL LOADING

OF
a FLAT car

Purpose. The paper is aimed at determining the influence of non-symmetrical loading of a flat car on the magnitude of the wear factor of a wheel-rail pair when changing the operation parameters that occur in operation. Methodology. The dynamic loading of the flat car, model 13-401 with typical three-piece bogies is studied using a model of spatial oscillations of a five-car coupling with the help of mathematical and computer simulation. Theoretical calculations are performed for the most dangerous sections of the railway track-small and medium radius curves in the range of permissible speeds. Findings. The indicators of wear of the rolling stock wheels and the rails are analysed on the example of flat cars in the presence of a longitudinal and transverse displacement of the load mass centre relative to the car symmetry centre. To obtain information on the effect of permissible deviations of the arrangement of cargo in the car on the magnitude of the dynamic loading of the wheel-rail contact, the authors performed theoretical studies of the spatial variations of the rail carriage and its interaction with the track. Originality. To determine the wear of the wheel-rail pair, the effect of displacement in two directions from the central axis of symmetry of the load gravity centre was studied, taking into account the value of the travel speed along the curved sections of the small and medium radius using a mathematical model of coupling of five freight cars. Practical value. As a result of the theoretical studies carried out, the authors assessed such factors as wear factor, directional force, and hunting of the wheel set of freight rolling stock in the event of load gravity centre displacement when moving along curved sections of the railway track. To establish the possible cause of intensive wear of the wheels and rails, the following parameters were analysed: lozenging of front bogie side frames; hunting of the left side frame of the front bogie; mutual longitudinal movement of the side frame and axle box of the front wheel set; mutual hunting of the left side frame of the bogie relative to the front wheel set.

Keywords: load; flat car; lozenging of bogie side frames; load gravity centre displacement; angle of wheel set hunting; travel speed; wear factor

Introduction

The intensity of the wheel-rail wear is so far one of the most serious problems of rail transport. The analysis of publications and studies related to this issue has shown that increased wear of rails and rolling stock can be caused by several reasons associated with both the state of the carriage chassis and the state of the rail track in curved sections [5, 8, 9, 16].

Wear of wheels and rails depends on physical and mechanical processes occurring in the area of their contact. The nature of these processes and their intensity depend to a large extent on external influences on the surface of the contact point, in particular, on the interaction forces of the contacting bodies and their relative displacements. Therefore, one of the possible ways to solve the problem of reducing the intensity of wear of the wheel flanges and rail head side surfaces is to establish conditions for reducing external impacts on the contacting bodies, or reducing the dynamic loading of the contact point. Of particular importance are the reciprocal movements of the contacting bodies, as the wear is associated with the work of friction (pseudo-slipping forces) in the contact area. Therefore, the solution to this problem is to minimize the forces of interaction and mutual displacement of the wheel-rail pair in the points of contact.

Determination of the wear index is connected with the task of studying spatial oscillations and the interaction of rail carriage and track. For solving this problem the Dnpro National University of Railway Transport named after Academician V. Lazaryan developed the mathematical models that make it possible to determine the necessary values of forces and displacements, and to obtain the wear indicator as the resultant value [2-4, 12, 15]. With these models, it is possible to obtain solutions for various types of wheel-rail contact, to take into account the rigidity of the structural elements and the various deviations from the initial configuration of the system, such as the misalignment of the wheel set axles in the bogie, the difference in the wheel radii of one wheel set, of different wheel sets in a bogie and different bogies, rail gradient and wheel profile of various types, change in the cross gap of the wheel set and rail track, the change of longitudinal and cross clearance between the axle-boxes and side frames, the displacement of the body mass center relative to the car symmetry, etc. [5, 13, 17-19, 20-22].

Purpose

The purpose of this study is to determine the influence of non-symmetrical loading of a flat car on the magnitude of the wear factor of a wheel-rail pair when changing the operation parameters.

Methodology

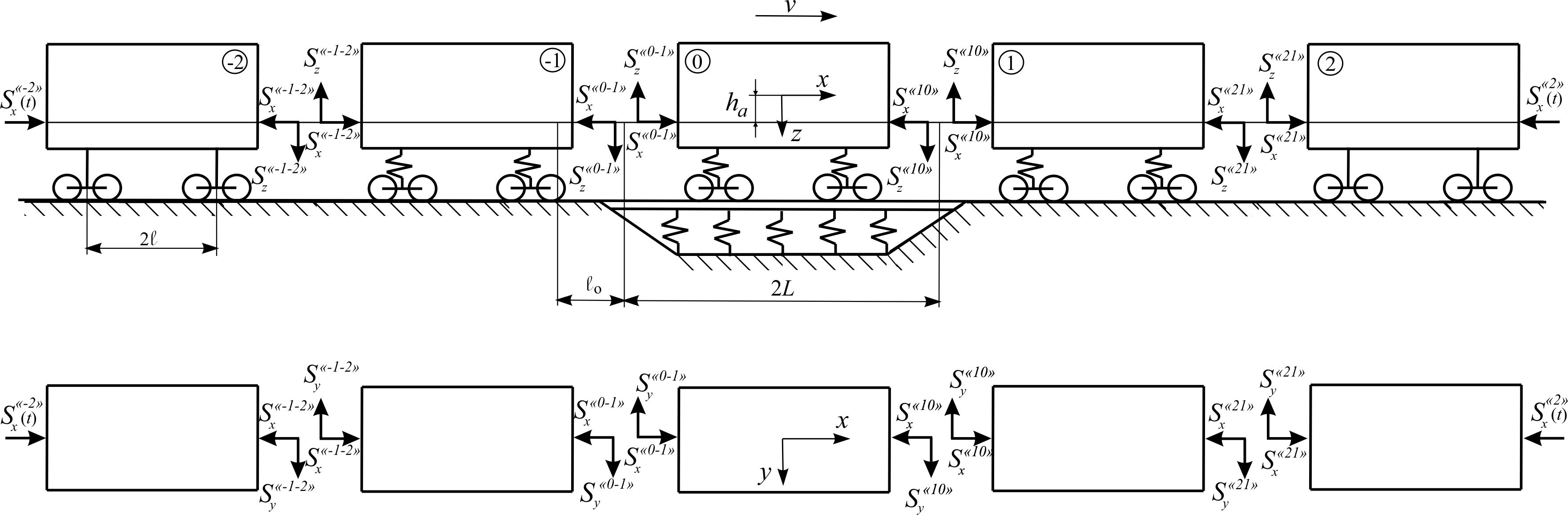
Theoretical studies of the dynamic loading of the wheel-rail contact during the movement of 13-401 model flat car with typical bogies 18-100 in the speed range km/h in the small and middle radius curves were performed using the model of spatial oscillations of a five-car coupling (Fig. 1) [2-4, 6, 10, 21].

Fig. 1. Design diagram of the five-freight-car coupling

The flat car is considered as a mechanical system (Fig. 2), which consists of 12 solids (load, car frame, two bolsters, four bogie side frames, four wheel sets).

Fig. 2. Design diagram of the 4-axle flat car


In our research we studied the effect of the load mass center shift on the flat car frame in the longitudinal and transverse directions , as well as in both directions simultaneously. Preliminary theoretical studies have shown that in the presence of a transverse or simultaneous transverse and longitudinal displacement of the load mass center over m there is a sharp decrease in the derailment coefficient and a high probability of rolling stock derailment [21].

In order to determine the effect of only the load mass centre displacement on the factor of wheel and rail wear, the displacement in the transverse and simultaneous transverse and longitudinal directions is considered within the limits m and. The stationary movement of a five-freight-car coupling in the right curve is studied. Consequently, the left wheel of the first wheel set climbs the outer rail. The carriage chassis, the wheel rolling surface and the rail head profile are provided in a normal technical condition.

Findings

The graphs of variance of the studied parameters during the movement in the curve sections of the track and 350 m are shown in Fig. 3-8. The displacement in the longitudinal direction (Fig. 3, 4) is considered in the range from 0 to . For a detailed analysis of the physical processes occurring during the sliding of the wheel flange on the rail side face, it is necessary to investigate the corresponding dependences of the directional force and the striking angle of the wheel set [5].

As can be seen from Fig. 3 (a, b), increase of the longitudinal displacement of the load mass center has almost no effect on the wear factor. This indicator is significantly influenced by the travel speed. In curves m, the wear factor F with an increase in speed from 50 to 70 km/h decreases by 2.7 times. The wear factor in the curves of the small radius is greater than the corresponding values in the curves of the average radius by 16.8÷6.7 times in the speed range km/h. This can be explained by the higher levels of the directional forces (Fig. 3, c, d) and the hunting angles (Fig. 3, e, f) in the curves m. At a speed of 90 km/h, the index in case of increasing the longitudinal displacement in the curve m from 0 up to 0.3 m is significantly differs from the speed interval km/h and exceeds the corresponding values by an average of 29.5%. In addition, the hunting angles in both curves have a sign «», that is, the wheel sets rotate in the track plane against the direction of the curve in accordance with the accepted rule of the signs (Fig. 2).

а                                                                                                     b

c                                                                                                    d

e                                                                                                    f

Fig. 3. Graphs of dependence on load displacement
in the longitudinal direction:
a, b – wear factor; c, d – directional force acting from the rail side on the wheel;
e, f – hunting of the wheel set

The disadvantages of the three-piece bogie of 18-100 model include the possibility of side frames lozenging under the action of the longitudinal components of the frictional forces on the wheel-rail contacts, which causes loss of the bogie frame geometry and the appearance of distortions of the wheel set axle therein. In addition, the design of the side frame box opening and the axle box presupposes the presence of longitudinal and transverse gaps between the box housing lug and the box opening guides, through which the nature of their contact can also change. This phenomenon negatively affects the dynamics of the car and, as a result, leads to intensive wear of the wheel flanges [1, 7, 9, 14, 23].

In addition, the mutual longitudinal lozenging of side frames are particularly harmful when moving along curved track sections, as they cause the turns of the wheel sets in the track plane against the direction of the curve. This, in turn, increases the striking angles of the wheel flanges on the rails, resulting in their mutual wear, since this reduces the contact area of the flange with the rail side face and, accordingly, increases the specific pressure on it, which determines their wear.

To determine the probable cause of the intense wear of the wheels and rails during the movement in the curves m, let us consider the following parameters: lozenging of side frames of the front bogie; hunting of the left side frame of the front bogie; mutual longitudinal displacement of side frame and axle box of the front wheel set; mutual hunting of the bogie left side frame relative to the front wheel set (Fig.4).

a                                                                                                    b

c                                                                                                    d

Fig. 4. Graphs of dependence on load displacement in the longitudinal direction:
а lozenging of side frames of the front bogie;
b hunting of the left side frame of the front bogie;
c mutual longitudinal displacement of side frame and axle box of the front wheel set;
d mutual hunting of the bogie left side frame relative to the front wheel set

The results of theoretical studies in Fig. 4 show that the lozenging of the side frames of the front bogie (Fig. 4, a) and the hunting of the left side frame of the front bogie (Fig. 4, b) at a speed of 90 km/h are 5 times less than in the range of km/h. The hunting angles also have the sign «», that is, the left side frame of the front bogie rotates in the track plane against the direction of the curve. Significant increase in the wheel set hunting angles occurs due to significant mutual longitudinal displacements of the side frame and the axle box of the front wheel set (Fig. 4, c), as well as the hunting of the left side frame of the bogie relative to the front wheel set through the shift of the boxes in the side frame openings (Fig. 4, d). There is almost no dependence of the values of the indicators and on the load shift in the longitudinal direction.

Transverse displacement of the load is considered in the range from to 0.15 m (Fig. 5, 6) [11].

a                                                                                                          b

c                                                                                                          d

e                                                                                                          f

Fig. 5. Graphs of dependence on load displacement in the transverse direction:
a, b – wear factor; c, d – directional force acting from the rail side on the wheel; e, f – hunting of the wheel set

Fig. 5 shows the effect on the studied parameters of the transverse displacement of the load mass center in the curves  m and  m, respectively. With increased the wear factor F (Fig. 5, a) in the curve m does not change so linearly, as in case of longitudinal displacement, but also decreases in case of speed rise. In the curve m F decreases due to the load relief of the climbing wheel. Exception from the general picture, as in the previous case, is the speed of 90 km/h. The wear factor curve F (Fig. 5, b) has extremes for m in both directions from the axis of symmetry of the flat car frame. In case of transverse displacement of the load mass center, there are higher directed forces (Fig. 5, c, d) and hunting angles (Fig. 5, e, f) in the curves m. The wheel set hunting at the speed of 90 km/h in the curve m is also significantly different from the speed range   km/h and is directed in the track plane against the direction in both curves.

a                                                                                                          b

c                                                                                                          d

Fig. 6. Graphs of dependence on load displacement in the transverse direction:
а lozenging of side frames of the front bogie;
b hunting of the left side frame of the front bogie;
c mutual longitudinal displacement of side frame and axle box of the front wheel set;
d mutual hunting of the bogie left side frame relative to the front wheel set

Graphic dependencies in Fig. 6 show that the front bogie side frame hunting (Fig. 6, a) at speed of 90 km/h are 7 times smaller than in the range of km/h and 2 times smaller than at equivalent value for longitudinal displacement. Comparing Fig. 4, b and Fig. 6, b, we should note that the presence of a transverse displacement of the load mass center on the flat car leads to significant changes in the nature of the hunting of the left side frame of the front bogie at a speed of 90 km/h. The hunting angles (Fig. 6, b) also have the «» sign. As for longitudinal displacement, a significant increase in the wheel set hunting angles occurs due to significant mutual longitudinal displacements of the side frame and the axle box of the front wheel set (Fig. 6, c), as well as the hunting of the left side frame of the bogie relative to the front wheel set through the shift of the boxes in the side frame openings (Fig. 6, d). With the exception of the speed of 90 km/h, the values of the indicators and due to the load shift in the transverse direction decrease in case of additional loading of the non-climbing wheel.

The simultaneous displacement of the mass center along the axes is considered for in the range from 0.15 to 0.15 m and m (Fig. 7) [11].

a                                                                                                          b

c                                                                                                          d

e                                                                                                          f

Fig 7. Graphs of dependence on simultaneous load
displacement in the longitudinal and transverse direction:
a, b – wear factor; c, d – directional force acting from the rail side on the wheel;
e, f – hunting of the wheel set

Fig. 7 shows the graphs of dependence of the studied parameters on the magnitude of the load mass centre displacement in the transverse direction for the longitudinal displacement m. As can be seen from the comparison of the graphs given in Fig. 5 for and Fig. 7 for m, there are significant differences in the indicators F and in the curve m at the speed of 90 km/h. The hunting angles in both curves have a «» sign and are directed against the direction of the curve. Other studied indicators remain almost the same both for the transverse, and for simultaneous transverse and longitudinal displacement of the load mass centre.

Analysing the dependences on Fig. 8 it is possible to conclude that the presence of simultaneous longitudinal and transverse displacement of the mass centre significantly affects the lozenging nature of the front bogie side frames (Fig. 8, a) and the hunting of the left side frame of the front bogie (Fig. 8, b) at the speed of 90 km/h.

a                                                                                                          b

c                                                                                                          d

Fig. 8. Graphs of dependence on load displacement in the longitudinal and transverse direction:
а lozenging of side frames of the front bogie;
b hunting of the left side frame of the front bogie;
c mutual longitudinal displacement of side frame and axle box of the front wheel set;
d mutual hunting of the bogie left side frame relative to the front wheel set

In case of simultaneous longitudinal and transverse displacement, a significant increase in the wheel set hunting angles also occurs due to significant longitudinal mutual displacements of the side frame and the axle box of the front wheel set (Fig. 8, c) and the hunting of the bogie left side frame relative to the front wheel set through the shift of the boxes in the side frame openings (Fig. 8, d). Unlike indicators , that are almost unchanged at simultaneous longitudinal and transverse displacement, the values of the indicators are much lower.

The Rolling Stock Dynamic and Strength Research Laboratory of DNURT conducted dynamic (running) tests of the experimental train in order to determine the dynamic load of the wheel-rail contact and the indicators characterizing the wear of the wheel set flanges and the rail side faces, for the most likely operational deviations from nominal ones in the dimensions of the carriage elements in the range of speeds 30-70 km/h. There were tested the freight flat cars of model 12-532 on three-piece bogie of model 18-100, having different state of carriage chassis, which to some extent could affect the wear of wheels and rails. For conducting the tests, there was formed an experimental train consisting of a car-laboratory, testes flat cars and ChS-2 electric locomotive. To obtain reliable information on the effect of variations in the dimensions of the chassis elements on the magnitude of the dynamic loading of the wheel-rail contact, all stages of the tests were performed on one section of the joint track [8].

We tested three loaded gondola cars with the following features in the carriage chassis dimensions:

1) Gondola No. 1, which had 6 mm difference of sideframe bases of one of the bogies (2 184.5 and 2 190.5 mm);

2) Gondola No. 2, which had 3 mm deviation in the wheel diameters of one wheel set (926 and
923
mm);

3) Gondola No. 3, which had the minimum deviations in the dimensions of the carriage chassis elements from the nominal and was taken as
a standard car.

During the dynamic testing on the experimental gondola, the following values were recorded: frame forces for wheel sets; dynamic increments of the vertical forces acting on the wheel set boxes; longitudinal and horizontal transverse displacement of the boxes relative to the bogie side frames; horizontal transverse acceleration of boxes; bolster hunting angles relative to the body; the value of lozenging of bogie side frames. During the tests, we used the sensors of displacement and bogie side frame lozenging.

Fig. 9, a shows the general view of one of the axlebox mounts of the tested cars equipped with an acceleration sensor and two small displacement sensors, and Fig. 9, b shows the tested bogie of the 3rd standard car, with installed «in-line» camcorders, a curve entry sensor, attached to the box cover, small and large displacement sensors and an acceleration sensor.

а – a                                                                                                          б – b

Fig. 9. Equipment of tested cars with measuring equipment:
а axlebox mount of the tested car with an acceleration and small displacement sensors;
b look of the tested standard car bogie;

Fig. 10 shows the printouts of the recorded changes of the longitudinal displacements of the first wheel set axlebox mount relative to the side frames and lozenging of the first bogie side frames of the first and third cars during the movement of the tested train at a speed of 70 km/h. The output value of the total longitudinal clearance of the box in the box opening was 16 mm. The scale time (horizontally) is selected so that the graphs display the records for the entire tested section. At the printing time of 100 seconds, the graphics correspond to approximately two kilometres, run by the experimental train along the section, including a straight line, a curve with 600 m radius, a short line between curves, a curve with 290 m radius and a straight line. From these records it is clear that entering into the curve with 290 m radius has a striking character.

a                                                                                                          b

c                                                                                                          d

Fig. 10. Variances records:
a, b longitudinal displacements of axle boxes of the first wheel set relative
to the first bogie side frame of the first and third cars respectively;
c, d lozenging of the first bogie side frames of the first and third cars respectively

The longitudinal displacement of the axle boxes relative to the side frames (Fig. 10, a, c) is relatively small, their double amplitude does not exceed 5 mm. Moving during the lozenging of the side frames (Fig. 10, b, d) have rather large values, their amplitude reaches 40 mm. The recordings of displacements of the axlebox mounts and lozenging of side frames show the displacements that correspond to the break of the frictional forces during the car negotiation into a curve with 290 m radius. Based on the processing of the test results, it has been established that the magnitude of the longitudinal displacements of the axlebox mounts increase slightly with increasing velocity. The largest values did not exceed 3-4 mm for the first car, regardless of the radius of the curve. For the second car during the movement in the curve m the greatest values did not exceed 2-3 mm, and in the curve m – 1-1.5 mm. For the third car, the values in the curve m did not exceed 3.5 mm, and in the curve m – 2-3 mm. For comparison: the longitudinal displacement of the boxes relative to the flat car side frames in the curve m according to the results of the calculations was 0.5-2 mm, and lozenging of bogie side frames 17-22 mm in the velocity interval km/h for all variants of the load gravity center displacement. Somewhat lower values of the parameters can be explained by the larger truck-center spacing.

Taking into account the fact that the experimental train for conducting dynamic (running) tests was formed from the gondola cars of the model 12-532, and the theoretical calculations are given for the flat car of the model 13-401, we note that the obtained results have a rather high coincidence. The results of calculations, as well as the data of experiments, indicate that the wear indicators in these cases, in general, grow with increasing speed. The value of wear indicators for other equal conditions during the movement of cars in the curve with 300 m radius is higher than during movement in the curve with 600 m radius.



Originality and practical value

In the process of research, we obtained the following scientific and practical results:

Mathematical model of coupling of five freight cars was used to study the effect of the loading characteristics of the flat car on the value of the wheel-rail pair wear factor;

There are assessed such indicators as the wear factor, the directional force, and hunting of the wheel set of freight rolling stock in the event of load gravity centre displacement when moving along curved sections of the railway track;

To establish the possible cause of intensive wear of the wheels and rails, the following parameters were analysed: lozenging of front bogie side frames; hunting of the left side frame of the front bogie; mutual longitudinal movement of the side frame and axle box of the front wheel set; mutual hunting of the left side frame of the bogie relative to the front wheel set;

The influence of speed on the mentioned indicators is investigated.

Conclusions

Based on the analysis of theoretical studies conducted on the example of a flat car, the following conclusions can be drawn:

Lozenging of bogie side frames of a flat car in the range of speeds of 50-80 km/h does not affect the factor of wear of wheels and rails both at longitudinal and transverse displacement of the load mass center;

Longitudinal displacement of load on flat cars does not cause an increase in the studied parameters;

The most probable reason for the intensive wear of wheels and rails under the same conditions of motion is the temporary change in the running characteristics of some carriages, namely, an increased angle of climbing of individual wheels due to the bogie rotation relative to the track or due to the rotation of the wheel set axle due to the box shift in the bogie side frame openings.



LIST OF REFERENCE LINKS

  1. Бороненко, Ю. П. Инновации в тележках грузовых вагонов: реальность и перспективы / Ю. П. Бороненко, Е. А. Рудакова, А. М. Орлова // Наука и транспорт. – 2009. – № S. – С. 14–17.

  2. Данович, В. Д. Колебания в горизонтальной плоскости 4-осн. платформы с несимметрично расположенным тяжеловесным грузом / В. Д. Данович, П. С. Анисимов // Вестн. ВНИИЖТ. – 1989. – № 3. – С. 5–9.

  3. Данович, В. Д. Математическая модель пространственных колебаний сцепа пяти вагонов, движущихся по прямолинейному участку пути / В. Д. Данович, А. А. Малышева // Транспорт. Нагруженность и прочность подвижного состава : сб. науч. тр. / Днепропетр. гос. техн. ун-т ж.-д. трансп. – Днепропетровск, 1998. – С. 62–69.

  4. Данович, В. Д. Пространственные колебания вагонов на инерционном основании : дис. … д-ра техн. наук : 05.22.07 / Данович Виктор Данилович ; Днепропетр. ин-т инж. ж.-д. трансп. – Днепропетровск, 1981. – 465 с.

  5. Знос коліс та рейок при нерівномірному завантаженні піввагонів / Анжела О. Швець, О. М. Болотов, Л. С. Сапарова, Анжеліка О. Швець // Вісн. сертифікації залізн. трансп. – 2019. – № 1. – С. 4–17.

  6. Определение показателей безопасности движения платформ с порожним автопоездом / А. В. Шатунов, В. В. Соборницкая, Е. Н. Ковтун, О. М. Маркова // Транспорт : сб. науч. тр. / Днепропетр. гос. техн. ун-т ж.-д. трансп. – Днепропетровск, 2001. – Вып. 7. – С. 116–120.

  7. Петров, Г. И. Модернизация грузовых тележек: установка поперечной связи / Г. И. Петров, Н. Ю. Черняев, М. А. Мещеряков // Мир транспорта. – 2015. – № 5. – С. 58–62.

  8. Разработка рекомендаций по снижению износа колес и рельсов за счет снижения сил динамического взаимодействия железнодорожных экипажей и пути с учетом стационарных и нестационарных режимов движения. В 3 т. Т. 3. Натурные исследования факторов, влияющих на повышенный износ рельсов и гребней колес грузовых вагонов : отчет о НИР (заключ.) : 91.134.95.97/379.95.97 ЦТех / Днепропетр. нац. ун-т ж. д. трансп. им. акад. В. Лазаряна ; рук. Блохин Е. П., Пшинько А. Н. ; исп.: Данович В. Д. [и др.]. – Днепропетровск, 1998. – 190 с. – № ГР 0196U023134. – Инв. № 416(III).

  9. Совершенствование конструкции тележек грузовых вагонов с целью снижения износа гребней колес и рельсов / И. Э. Мартынов, В. Г. Маслиев, С. Д. Мокроусов, В. П. Щербаков, В. И. Нестеренко // Зб. наук. пр. Укр. держ. акад. залізн. трансп. – 2013. – Вип. 139. – С. 25–34.

  10. Теоретическая оценка динамических качеств платформ, загруженных автопоездом с грузом / А. В. Шатунов, В. В. Соборницкая, Е. Н. Ковтун, О. М. Маркова // Транспорт : сб. науч. тр. / Днепропетр. гос. техн. ун-т ж.-д. трансп. – Днепропетровск, 2000. – Вып. 3. – С. 21–27.

  11. Технические условия размещения и крепления грузов. Приложение 3 к Соглашению о международном железнодорожном грузовом сообщении (СМГС).Київ : Девольта, 2011. – Т. 1. – 436 с.

  12. Шатунов, А. В. Нагруженность сцепа из двух платформ при ресурсосберегающем способе транспортировки длинномерных грузов : автореф. дис. … канд. техн. наук : 05.22.07 / Шатунов Александр Васильевич ; Днепропетр. ин-т инж. ж.-д. трансп. – Днепропетровск, 1992. – 17 с.

  13. Швець, А. О. Вплив поздовжнього та поперечного зміщення центру ваги вантажу в піввагонах на їх динамічні показники / А. О. Швець // Наука та прогрес транспорту. – 2018. – № 5 (77). – С. 115128. doi: 10.15802/stp2018/146432

  14. Ashtiani, H. Influence of friction wedge characteristics on lateral response and hunting of freight cars with three-piece bogies / H. Ashtiani, S. Rakheja, A. K. W. Ahmed // Proceedings of the Institution of Mechanical Engineers, Part F: Journal of Rail and Rapid Transit. – 2017. – Vol. 231. – Iss. 8. – P. 877–891. doi: 10.1177/0954409716647095

  15. Effect of the state of car running gears and railway track on wheel and rail wear / E. P. Blokhin, O. M. Pshinko, V. D. Danovich, M. L. Korotenko // Railway Bogies and Running Gears : Proc. of the 4th Intern. Conf. / Technical University of Budapest. – Budapest, 1998. – P. 313–323.

  16. Effects of profile wear on wheel-rail contact conditions and dynamic interaction of vehicle and turnout / J. Xu, P. Wang, L. Wang, R. Chen // Advances in Mechanical Engineering. – 2016. – Vol. 8. – Iss. 1. – P. 1–14. doi: 10.1177/1687814015623696

  17. Generation mechanism and remedy method of rail corrugation at a sharp curved metro track with Vanguard fasteners [Electronic resource]/ B. W. Wu, G. X. Chen, J. Z. Lu, Q. Zhu, X. Kang // Journal of Low Frequency Noise Vibration and Active Control. – 2019. – Available at: https://journals.sagepub.com/doi/10.1177/1461348419845992 – Title from the screen. – Accessed : 26.06.2019. doi: 10.1177/1461348419845992

  18. Lack, T. Freight car bogie properties analysis by means of simulation computations / T. Lack, J. Gerlici, M. Manurova // Manufacturing Technology. – 2016. – Vol. 16. – Iss. 4. – P. 733–739.

  19. Light weight freight rolling stock bogie frame: Design methodology validated with field oscillation trials / S. Shukla, U. Kumar, S. K. Sharma, P. Gupta, A. Kumar // International Journal of Vehicle Structures and Systems. – 2017. – Vol. 9. – Iss. 4. – P. 245–250. doi: 10.4273/ijvss.9.4.10

  20. Modeling, simulation and applications of longitudinal train dynamics / C. Cole, M. Spiryagin, Q. Wu, Y. Q. Sun // Vehicle System Dynamics. – 2017. – Vol. 55. – Іss. 10. – P. 14981571. doi:10.1080/00423114.2017.1330484

  21. Shatunov, O. V. Study of dynamic indicators of flat car with load centre shift / O. V. Shatunov, A. O. Shvets // Наука та прогрес транспорту. – 2019. – № 2 (80). – С. 127–143. doi: 10.15802/stp2019/165160

  22. Wu, Q. Longitudinal train dynamics: an overview / Q. Wu, M. Spiryagin, C. Cole // Vehicle System Dynamics. – 2016. – Vol. 54. – Іss. 12. – P. 16881714. doi: 10.1080/00423114.2016.1228988

  23. Ye, Y. Small-amplitude hunting diagnosis method for high-speed trains based on the bogie frame’s lateral–longitudinal–vertical data fusion, independent mode function reconstruction and linear local tangent space alignment [Electronic resource]/ Y. Ye, J. Ning // Proceedings of the Institution of Mechanical Engineers, Part F: Journal of Rail and Rapid Transit. – 2019. – Available at: https://journals.sagepub.com/doi/10.1177/0954409718825412 – Title from the screen. – Accessed : 26.06.2019. doi: 10.1177/0954409718825412



О. В. Шатунов1*, А. О. Швець2*, О. А. Кирильчук3*, А. О. Швець4*

1*Каф. «Вагони та вагонне господарство», Дніпровський національний університет залізничного
транспорту імені академіка В. Лазаряна, вул. Лазаряна, 2, Дніпро, Україна, 49010, тел. +38 (067) 953 60 14,
ел. пошта shatunov220648@gmail.com, ORCID 0000-0002-1115-0093
2*Каф. «Теоретична та будівельна механіка», Дніпровський національний університет залізничного
транспорту імені академіка В. Лазаряна, вул. Лазаряна, 2, Дніпро, Україна, 49010, тел. +38 (050) 214 14 19,
ел. пошта angela.shvets69@gmail.com, ORCID 0000-0002-8469-3902

3*Каф. «Вагони та вагонне господарство», Дніпровський національний університет залізничного
транспорту імені академіка В. Лазаряна, вул. Лазаряна, 2, Дніпро, Україна, 49010, тел. +38 (056) 776 82 27,
ел. пошта e-mail o.a.kirilchuk@gmail.com, ORCID 0000-0002-0565-1692
4*Каф. «Вагони та вагонне господарство», Дніпровський національний університет залізничного
транспорту імені академіка В. Лазаряна, вул. Лазаряна, 2, Дніпро, Україна, 49010, тел. +38 (095) 235 19 67,
ел. пошта angela_Shvets@ua.fm, ORCID 0000-0002-0717-2521

ДОСЛІДЖЕННЯ ЗНОСУ КОЛІС ТА РЕЙОК

ЗА НЕСИМЕТРИЧНОго ЗАВАНТАЖЕННя

ПЛАТФОРМИ

Мета. У науковій роботі потрібно провести визначення впливу несиметричного завантаження вагона-платформи на величину фактора зносу пари «колесо-рейка» в разі зміни параметрів, що мають місце в експлуатації. Методика. Динамічну навантаженість вагона-платформи моделі 13–401 з типовими трьохелементними візками досліджено з використанням моделі просторових коливань зчепу з п’яти вагонів за допомогою математичного й комп’ютерного моделювання. Теоретичні розрахунки виконано для найбільш небезпечних ділянок залізничної колії-кривих малого й середнього радіуса в інтервалі допустимих швидкостей руху. Результати. Проаналізовано показники зносу коліс рухомого складу й рейок на прикладі вагонів-платформ за наявності поздовжнього й поперечного зміщення центра мас вантажу відносно центра симетрії вагона. Для отримання інформації про вплив допустимих відхилень розташування вантажу у вагоні на величину динамічної навантаженості контакту «колесо-рейка» виконано теоретичні дослідження просторових коливань рейкового екіпажу та його взаємодії з колією. Наукова новизна. Для визначення зносу пари «колесо-рейка» досліджено вплив зміщення у двох напрямках від центральної осі симетрії центра мас вантажу з огляду на величину швидкості руху по кривих ділянках колії малого й середнього радіуса із застосуванням математичної моделі зчепу з п’яти вантажних вагонів. Практична значимість. У результаті проведених теоретичних досліджень оцінено такі показники, як фактор зносу, напрямлена сила й виляння колісної пари вантажного рухомого складу в разі зміщення центра мас вантажу під час руху по криволінійних ділянках залізничної колії. Для встановлення ймовірної причини інтенсивного зносу коліс і рейок проаналізовано параметри: забігання бокових рам переднього візка; виляння лівої бокової рами переднього візка; взаємне поздовжнє переміщення бокової рами й буксового вузла передньої колісної пари; взаємне виляння лівої бокової рами візка відносно передньої колісної пари.

Ключові слова: вантаж; вагон-платформа; забігання бокових рам візка; зміщення центра тяжіння вантажу; кут виляння колісної пари; швидкість руху; фактор зносу

А. В. Шатунов1*, А. А. Швец2*, О. А. кирильчук3*, А. А. Швец4*

1*Каф. «Вагоны и вагонное хозяйство», Днипровский национальный университет железнодорожного
транспорта имени академика В. Лазаряна, ул. Лазаряна, 2, Днипро, Украина, 49010, тел. +38 (067) 953 60 14,
эл. почта shatunov220648@gmail.com, ORCID 0000-0002-1115-0093
2*Каф. «Теоретическая и строительная механика», Днипровский национальный университет железнодорожного
транспорта имени академика В. Лазаряна, ул. Лазаряна, 2, Днипро, Украина, 49010, тел. +38 (050) 214 14 19,
эл. почта angela.shvets69@gmail.com, ORCID 0000-0002-8469-3902
3*Каф. «Вагоны и вагонное хозяйство», Днипровский национальный университет железнодорожного
транспорта имени академика В. Лазаряна, ул. Лазаряна, 2, Днипро, Украина, 49010, тел. +38 (056) 776 82 27,
эл. почта e-mail o.a.kirilchuk@gmail.com, ORCID 0000-0002-0565-1692
4*Каф. «Вагоны и вагонное хозяйство», Днипровский национальный университет железнодорожного
транспорта имени академика В. Лазаряна, ул. Лазаряна, 2, Днипро, Украина, 49010, тел. +38 (095) 235 19 67,
эл. почта angela_Shvets@ua.fm, ORCID 0000-0002-0717-2521

ИССЛЕДОВАНИЕ ИЗНОСА КОЛЕС И рельсов

при несимметричной загрузке ПЛАТФОРМЫ

Цель. В научной работе нужно провести определение влияния несимметричной загрузки вагона-платформы на величину фактора износа пары «колесо–рельс» при изменении параметров, имеющих место в эксплуатации. Методика. Динамическую нагруженность вагона-платформы модели 13–401 с типовыми трехэлементными тележками исследовано с использованием модели пространственных колебаний сцепа из пяти вагонов с помощью математического и компьютерного моделирования. Теоретические расчеты выполнены для наиболее опасных участков железнодорожного пути-кривых малого и среднего радиуса в интервале допустимых скоростей движения. Результаты. Проанализированы показатели износа колес подвижного состава и рельсов на примере вагонов-платформ при наличии продольного и поперечного смещения центра масс груза относительно центра симметрии вагона. Для получения информации о влиянии допустимых отклонений расположения груза в вагоне на величину динамической нагруженности контакта «колесо–рельс» выполнены теоретические исследования пространственных колебаний рельсового экипажа и его взаимодействия с колеей. Научная новизна. Для определения износа пары «колесо-рельс» исследовано влияние смещения в двух направлениях от центральной оси симметрии центра тяжести груза с учетом величины скорости движения по кривых участках пути малого и среднего радиуса с применением математической модели сцепа из пяти грузовых вагонов. Практическая значимость. В результате проведенных теоретических исследований оценены такие показатели, как фактор износа, направленная сила и виляние колесной пары грузового подвижного состава в случае смещения центра тяжести груза при движении по криволинейным участкам железнодорожного пути. Для установления возможной причины интенсивного износа колес и рельсов проанализированы параметры: забегание боковых рам передней тележки; виляние левой боковой рамы передней тележки; взаимное продольное перемещение боковой рамы и буксового узла передней колесной пары; взаимное виляние левой боковой рамы тележки относительно передней колесной пары.

Ключевые слова: груз; вагон-платформа; забегание боковых рам тележки; смещение центра тяжести груза; угол виляния колесной пары; скорость движения; фактор износа

REFERENCES

  1. Boronenko, Y. P., Rudakova, Y. A., & Orlova, A. M. (2009). Innovatsii v telezhkakh gruzovykh vagonov: realnost i perspektivy. Nauka i transport, S, 14-17. (in Russian)

  2. Danovich, V. D., & Anisimov, P. S. (1989). Kolebaniya v gorizontalnoy ploskosti 4-osn. platformy s nesimmetrichno raspolozhennym tyazhelovesnym gruzom. Vestnik of the Railway Research Institute, 3, 5-9. (in Russian)

  3. Danovich, V. D., & Malysheva, A. A. (1998). Mathematical Model of Spatial Oscillations of the Coupling of Five Cars Moving Along a Rectilinear Section of the Track. In Transport. Stress loading and durability of a rolling stock (рр. 62-69). Dnepropetrovsk. (in Russian)

  4. Danovich, V. D. (1981). Spatial Cars Oscillations in Inertia Track. (Dysertatsiia doktora tekhnichnykh nauk). Dnepropetrovsk Institute of Railway Transport Engineering, Dnеpropetrovsk. (in Russian)

  5. Shvets, Angela O., Bolotov, O. M., Saparova, L. S., & Shvets, Angelika O. (2019). Wear Wheels and Rails at the Uneven Loading of Gondola Cars. Visnyk sertyfikatsii zaliznychnoho transportu, 1(53), 4-17. (in Ukrainian)

  6. Shatunov, A. V., Sobornitskaya, V. V., Kovtun, E. N., & Markova, O. M. (2001). Opredelenie pokazatelej bezopasnosti dvizheniya platform s porozhnim avtopoezdom. Transport, 7, 116-120. (in Russian)

  7. Petrov, G. I., Chernyaev, N. Y., & Meshcheryakov, M. A. (2015). Modernization of Cargo Bogies: Mounting of a Transverse Connection Assembly. Mir transporta. 5, 58-62. (in Russian)

  8. Blokhin, E. P., Pshinko, O. M., & Danovich, V. D. (1998). Razrabotka rekomendatsiy po snizheniyu iznosa koles i relsov za schet snizheniya sil dinamicheskogo vzaimodeystviya zheleznodorozhnykh ekipazhey i puti s uchetom statsionarnykh i nestatsionarnykh rezhimov dvizheniya (Vol. 1-3). Dnеpropetrovsk National University of Railway Transport named after Academician V. Lazaryan, Dnеpropetrovsk. (in Russian)

  9. Martynov, I. E., Masliev, V. G., Mokrousov, S. D., Nesterenko, V. I., & Shcherbakov, V. P. (2013). Improved design cargo trucks-cars out to prevent wear paddle wheels and rails. Zbirnyk naukovykh prats Ukrainskoi derzhavnoi akademii zaliznychnoho transportu, 139, 25-34. (in Russian)

  10. Shatunov, A. V., Sobornitskaya, V. V., Kovtun, E. N., & Markova, O. M. (2000). Teoreticheskaya otsenka dinamicheskikh kachestv platform, zagruzhennykh avtopoezdom s gruzom. Transport, 3, 21-27. (in Russian)

  11. Tekhnicheskie usloviya razmeshcheniya i krepleniya gruzov. Prilozhenie 3 k Soglasheniyu o mezhdunarodnom zheleznodorozhnom gruzovom soobshchenii (SMGS). (2011). Kyiv: Devolta. (in Russian)

  12. Shatunov, A. V. (1992). Nagruzhennost stsepa iz dvukh platform pri resursosberegayushchem sposobe transportirovki dlinnomernykh gruzov. (Avtoreferat dysertatsii kandydata tekhnichnykh nauk). Dnepropetrovsk Institute of Railway Transport Engineering, Dnеpropetrovsk. (in Russian)

  13. Shvets, A. O. (2018). Influence of the longitudinal and transverse displacement of the cargo gravity center in gondola cars on their dynamic indicators. Science and Transport Progress, 5(77), 115-128. doi: 10.15802/stp2018/146432 (in Ukrainian)

  14. Ashtiani, H., Rakheja, S., & Ahmed, A. K. W. (2017). Influence of friction wedge characteristics on lateral response and hunting of freight cars with three-piece bogies. Proceedings of the Institution of Mechanical Engineers, Part F: Journal of Rail and Rapid Transit, 231(8), 877-891. doi: 10.1177/0954409716647095 (in English)

  15. Blokhin, E. P., Pshinko, O. M., Danovich, V. D., & Korotenko, M. L. (1998). Effect of the state of car running gears and railway track on wheel and rail wear. Railway Bogies and Running Gears: Proceedings of the 4th International Conference (рр. 313-323). Budapest. (in English)

  16. Xu, J., Wang, P., Wang, L., & Chen, R. (2016). Effects of profile wear on wheel-rail contact conditions and dynamic interaction of vehicle and turnout. Advances in Mechanical Engineering, 8(1), 1-14. doi: 10.1177/1687814015623696 (in English)

  17. Wu, B. W., Chen, G. X., Lu, J. Z., Zhu, Q., & Kang, X. (2019). Generation mechanism and remedy method of rail corrugation at a sharp curved metro track with Vanguard fasteners. Journal of Low Frequency Noise Vibration and Active Control. doi: 10.1177/1461348419845992 (in English)

  18. Lack, T., Gerlici, J., & Manurova, M. (2016). Freight car bogie properties analysis by means of simulation computations. Manufacturing Technology, 16(4), 733-739. (in English)

  19. Shukla, S., Kumar, U., Sharma, S. K., Gupta, P., & Kumar, A. (2017). Light weight freight rolling stock bogie frame: Design methodology validated with field oscillation trials. International Journal of Vehicle Structures and Systems, 9(4), 245-250. doi: 10.4273/ijvss.9.4.10 (in English)

  20. Cole, C., Spiryagin, M., Wu, Q., & Sun, Y. Q. (2017). Modeling, simulation and applications of longitudinal train dynamics. Vehicle System Dynamics, 55(10), 1498-1571. doi: 10.1080/00423114.2017.1330484 (in English)

  21. Shatunov, O. V., & Shvets, A. О. (2019). Study of dynamic indicators of flat car with load centre shift. Science and Transport Progress, 2(80), 127-143. doi: 10.15802/stp2019/165160 (in English)

  22. Wu, Q., Spiryagin, M., & Cole, C. (2016). Longitudinal train dynamics: an overview. Vehicle System Dynamics, 54(12), 1688-1714. doi: 10.1080/00423114.2016.1228988 (in English)

  23. Ye, Y., & Ning, J. (2019). Small-amplitude hunting diagnosis method for high-speed trains based on the bogie frame’s lateral–longitudinal–vertical data fusion, independent mode function reconstruction and linear local tangent space alignment. Proceedings of the Institution of Mechanical Engineers, Part F: Journal of Rail and Rapid Transit. doi: 10.1177/0954409718825412 (in English)


Received: March 11, 2019

Accepted: July 08, 2019


CПрямая соединительная линия 18reative Commons Attribution 4.0 International

10.15802/stp2019/177457 © O. V. Shatunov, A. O. Shvets, O. A. Kirilchuk, A. O. Shvets, 2019