ISSN 2307–3489 (Print), ІSSN 2307–6666 (Online)

Наука та прогрес транспорту. Вісник Дніпропетровського
національного університету залізничного транспорту, 201
9, № 2 (80)



рухомий склад залізниць і тяга поїздів

UDC 629.463.62.015

O. V. Shatunov1*, A. O. shvets2*

1*Dep. «Cars and Car Facilities», Dnipro National University of Railway Transport named after Academician V. Lazaryan,
La-zaryan St., 2, Dnipro, Ukraine, 49010, tel. +38 (067) 953 60 14, e-mail shatunov220648@gmail.com,
ORCID 0000-0002-1115-0093
2*Dep. «Theoretical and Structural Mechanics», Dnipro National University of Railway Transport named after Academician
V. Lazaryan, Lazaryan St., 2, Dnipro, Ukraine, 49010, tel. +38 (050) 214 14 19, e-mail angela_Shvets@ua.fm,
ORCID
0000-0002-8469-3902

STUDY OF DYNAMIC INDICATORS OF FLAT

WAGON WITH
LOAD CENTRE SHIFT

Purpose. The article deals with the determining the influence of the longitudinal and lateral shift of gravity centre of the heavy load on the flat wagons, taking into account the travel speed based on the main dynamic indicators – the maximum coefficients of the dynamic supplement of spring-suspended and unsprung parts, the maximum ratio of frame force to static axle load, the wheel derailment safety factor. Methodology. The study was carried out using the method of mathematical and computer simulation of the dynamic loading of flat wagons based on the model of spatial oscillations of five coupled wagons and the software complex developed in the branch research laboratory of the rolling stock dynamics and strength (BRL RSDS). Theoretical studies were carried out during the movement of the model 13-401 flat wagon on typical 18-100 bogies with speeds in the range from 50 to 90 km/h in curves with radii of 350 and 600 m, with 130 and 120 mm canting, respectively. Findings. The paper presents the analysis of theoretical studies of the rolling stock dynamics on the example of flat wagons. The calculations were carried out using an application software package. In the course of performing theoretical studies and after simulation, taking into account the processes of oscillation of the flat wagon and load in the presence of longitudinal and lateral shift of its gravity centre, the dependences of the main dynamic indicators were obtained with regard to the magnitude of the travel speed. Originality. Using the mathematical model of the five coupled wagons, the effect of shift in two directions from the central symmetry axis of the heavy load centre was studied with regard to the travel speed along the curved track of small and medium radius in order to determine the dynamic loading of the flat wagon. Practical value. As a result of the above theoretical studies, the recommendations on the maximum possible values of the centre shift of heavy loads during their transportation on flat wagons are substantiated and proposed.

Keywords: load; flat wagon; dynamic indicators; curved track; longitudinal and lateral load; centre shift; travel speed

Introduction

The process of integrating the railway industry of Ukraine into the European transport system is one of the urgent problems of today. Its solution is connected with the formation of a network of international transport corridors on the territory of Ukraine, the reconstruction of the main railway lines connecting the Europe and Ukraine, the organization of high-speed train traffic [10].

In addition, one of the key issues of transport policy, which is associated with perspectives of sustainable development of the transport industry in Ukraine, is the promotion of combined transport. This technology should be in line with international standards, the main criteria of which are: route speed, schedule accuracy and cargo safety. Increased speed and frequency of transportation would accelerate the introduction of a combined cargo transportation system, including by international transport corridors. Thus, improvement of speed characteristics of rolling stock becomes almost the most important task for increasing the competitiveness of rail transport in mixed traffic systems.

One of the main obstacles to a significant increase in the velocity of combined transport is the dynamic properties of the rolling stock. At the same time, the main characteristics of the rolling stock are being constantly improved by the producing factories, with the changing of the range of goods. Among the heavy loads transported on flat wagons, the more common is becoming the equipment with asymmetrical centre of gravity, which requires train speed limitation. This causes a reduction in the throughput and transportation capacity of railways, lengthening of the equipment delivery time to the consumer [3, 10, 18].

Purpose

Of particular importance is the further improvement of the transportation conditions and, in particular, the development of new scientifically based admissible values of longitudinal and lateral load centre shifts from the flat wagon symmetry axes. When elaborating them, particular attention should be paid to the safety of movement, as there may be intense fluctuations of rolling stock and large dynamic forces. Therefore, of great interest is the study of spatial oscillations of a flat wagon with asymmetric load, which in turn leads to the need for the development of regional, local (LTC) and unspecified (UTC) technical conditions, the effect of which would be extended to enterprises serviced by one railway [1, 3, 7, 9, 11, 12].

The purpose of this research is to determine the influence of the longitudinal and lateral shift of gravity centre of the heavy load on the flat wagon, taking into account the travel speed based on the main dynamic indicators – the maximum coefficients of the dynamic supplement of spring-suspended and unsprung parts, the maximum ratio of frame force to static axle load, the wheel derailment safety factor.

Methodology

The above problems can be solved experimentally or theoretically. The first method, although it is sufficiently reliable, but expensive, requires a long time and cannot cover all possible options of the load positioning. Therefore, it is necessary to develop a general theoretical method for studying the oscillation of the flat wagon with asymmetric placement of loads of different weights, both with spring-dissipative elements between the load and the flat wagon body, and without them [3].

Quantitative evaluation of dynamic indicators can be obtained by mathematic simulation. The wagon calculation scheme should reflect the specifics of the wagon interaction in the train: the possibility of manifestation of all forms of body oscillations in space, the transmission of longitudinal forces in the vertical and horizontal directions from the neighboring wagons, the record of the technical condition of individual parts of the wagon and their design features, as well as operating conditionsspeed, movement along the straight and curved tracks, loading mode, type of load, its positioning and fastening, vertical and horizontal track irregularities [5, 8, 13, 15-22].

The travel speed when passing on the curved track is limited by the lateral impact of the railway rolling stock on the track, the lateral acceleration value, the possibility of wheel unloading and derailment. In connection with this, it is necessary to study the railway vehicle oscillations while driving precisely along the curved track.

The calculation scheme of the flat wagon in Fig. 1 shows positive directions for all shifts and angles of rotation, and Table 1 shows the designation of the system bodies.

In Table 1 through , and we marked the gravity centre shift of the flat wagon frame along the corresponding axes, and through , , the angles of its rotation relative to the main central axis of inertia. Similar displacements of bolsters are provided with the index (bogie number), side frameswith the index (left, right side of the wagon), wheel setswith the index ( wheel set number in the bogie), rails in the wheel contact points (movements of rails are assumed only in two directions – along the axes and ). Displacement of the wheels is indicated by the index .

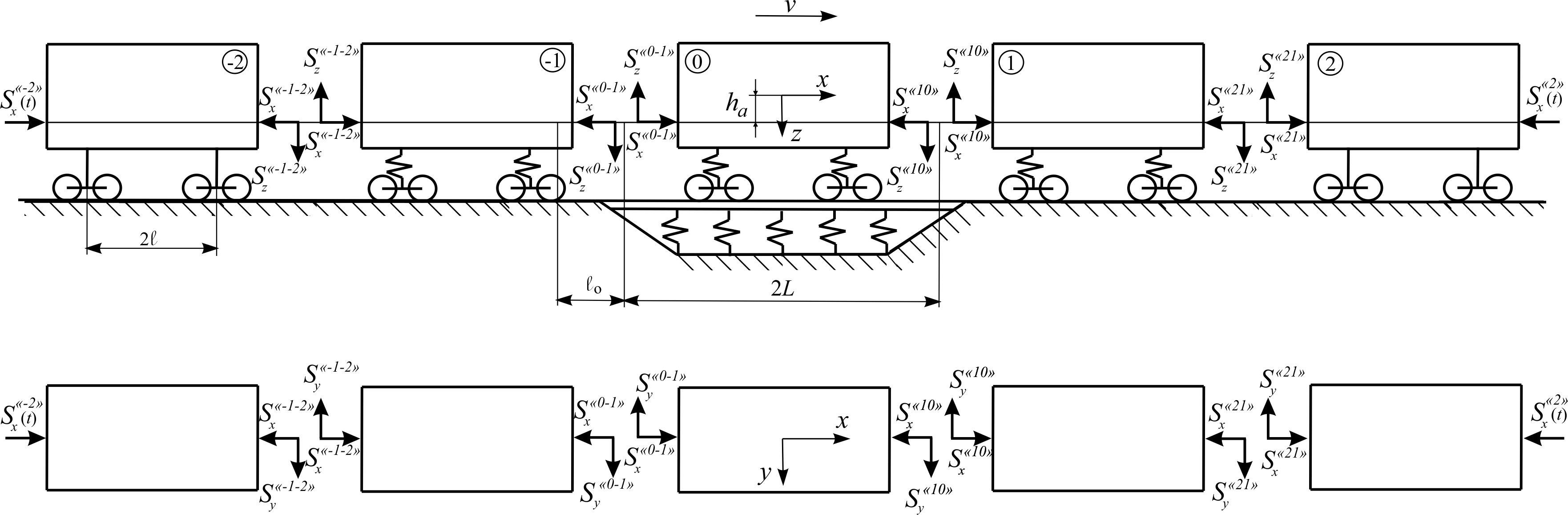
The mathematical model describing the spatial oscillations of the coupled wagons in the train (Fig. 2) is proposed in [4], of which one rail vehicle is considered as per the most complete calculation scheme (called «zero»), and the calculation schemes of neighbouring wagons, depending from task setting, are simplified with increasing distance from the «zero» vehicle on both sides.

Fig. 1. Calculation scheme of a 4-axle flat wagon

Table 1

Systems bodies and their displacements

Systems bodies

Displacement

Linear along the axes

Angle relative to axes

flat wagon frame

bolsters

side frames

wheel sets

rails

-




Fig. 2. Calculation scheme of five coupled freight wagons

As a calculation scheme of the «zero» vehicle we adopted a mechanical system with 58 degrees of freedom [5, 17]. The following values are adopted as generalized coordinates: , , , , , , , , , , , , , .

Wagons, adjacent to the «zero» one, are represented by a system with 12 degrees of freedom. The calculation schemes describing the oscillations of these wagons preserve the main features of freight wagon bogies – lozenging of side frames.

In the study of spatial oscillations of wagons neighboring with the «zero» one, which are considered under the simplified calculation scheme, the following assumptions are introduced. It is assumed that the wagons have one-stage spring suspension. Each of them consists of eleven solid bodies: a body, two bolsters, four bogie side frames and four wheel sets. Unlike the «zero» wagon, the track under adjacent wagons is considered to be absolutely rigid in the vertical direction and resilient in the horizontal lateral direction. This assumption does not lead to an increase in the number of degrees of freedom, since the speed of the pressed (displaced) rails in expressions for lateral forces can be neglected.

As generalized coordinates for these wagons the following values are adopted: , , ,

where ; respectively for the «first» and «minus first» wagons.

The end coupled wagons, which by analogy are called the «second» and the «minus second», are considered by an even simplified scheme than «1» and «-1» wagons. In «2» and «-2» wagons we will take into account only the vibration of the bodies, that is, these wagons are systems with six degrees of freedom: ,

where respectively for the «second» and «minus second» wagons.

In our study, the flat wagon as a «zero» wagon is considered as a mechanical system (Fig. 3), which consists of 12 solids (load, flat wagon frame, two bolsters, four bogie side frames, four wheel sets). The flat wagon frame gravity center is located at the beginning of the coordinate system of the flat wagon, and the load gravity center, shifted by the value in the longitudinal direction and in the lateral direction, is located at the beginning of the coordinate system of the load.

The work [3] studied the flat wagon as a mechanical system of 12 solids with an asymmetric load, but its oscillations were considered only in the horizontal plane. Each body of the system had three displacements: recoiling , swaying and hunting . The connections to the flat wagon were installed on the assumption that the side frames of the bogie of model 18-100 had the same swaying and hunting ; there are no longitudinal and lateral gaps between the bogie bolsters and side frames, or they are very small, and the swaying of bolsters and wheel sets is the same; the gaps between the bogie center plates and center plate bearing are not taken into account.

The work [14] shows the effect of load center shift in the gondola, but even though the flat wagon and gondola belong to the open rolling stock and have some common requirements for load positioning, it is expedient to determine the dynamic load during the operation of not only different types of railway vehicles, but also of the same type models close by the technical parameters.

Fig. 3. Calculation scheme of 4-axle flat wagon with asymmetric load arrangement

Standard and technical requirements for positioning and fastening of goods in an open rolling stock are presented in [7, 12]. In accordance with the current requirements, the total center of gravity of goods () should be located on the intersection of the longitudinal and lateral plane of symmetry of the wagon. The shift of relative to the longitudinal and lateral planes of the wagon symmetry is allowed (Table 2), if there are objective reasons for this (geometric parameters of the load, arrangement and fastening conditions).

Table 2

Permissible longitudinal shift of the common load center in a 4-axle wagon

Para-meter

Load weight, t

<10

15

20

25

30

35

40

45

50

55

60

62

67

70

>70

lsh

cm

during loading

270

225

195

155

125

110

95

85

75

68

60

55

20

0

0

along the track

300

248

216

173

144

123,5

108

96

86,5

78,5

72

63

26

6

0


The permissible value of shift in the longitudinal direction lsh (relative to the lateral plane of symmetry) during loading and along the track is determined in accordance with Table 2 depending on the total weight of the load in the wagon.

According to [7, 12], in the case of necessity of asymmetric arrangement of load in a wagon, the difference in loading of bogies should not exceed for 4-axle wagons – 10 t, and the loading, which falls on each of the bogies, should not exceed half of the carrying capacity of the wagon.

The permissible value of shift in the lateral direction bsh (relative to the longitudinal plane of symmetry) during loading and along the track is determined in accordance with Table 3 depending on the total weight of the load in the wagon and the height of the common gravity centre of the wagon with load () above the level of the top of rail TOR [7, 12].

Table 3

Permissible lateral shift of the common load center in a 4-axle wagon

Parameter

Load weight, t

10

30

50

55

67

>67

Height of common gravity center of wagon with load over the TOR, m

1,2

1,5

2,0

1,2

1,5

2,0

2,3

1,2

1,5

2,0

2,3

1,5

2,0

2,3

1,5

2,0

2,3

2,3

bsh,

cm

during loading

45

38

29

38

31

25

20

25

20

18

14

15

12

10

12,5

9,5

8,0

7,0

along the track

62

55

41

55

45

35

28

35

28

25

20

22

17

15

18

14

12

10



Simultaneous shift of relative to the longitudinal and lateral symmetry of the wagon (Fig. 4) is allowed within the limits given in Tables 2, 3.

Fig. 4. Calculation scheme for determining the longitudinal and lateral shift
of the common load centre in a wagon

It is allowed to transport two loads (or groups of loads) of the same weight with their skew-symmetric arrangement in the wagon (Fig. 5), subject to the following conditions:

the height of the common gravity center of the wagon with load () above TOR does not exceed 230 cm;


the distances between the load gravity centers and in the longitudinal and lateral directions do not exceed the allowable values taking into account the total load weight in accordance with the Table 4;

is located at the intersection of the longitudinal and lateral plane of the wagon symmetry.

Fig. 5. Skew-symmetric load arrangement in a wagon
, – gravity centres of loads; – common load centre in a wagon

The total weight of the load and means of its fastening in the wagon shall not exceed its maximum load capacity, and in the case of loading supported by two wagons, the proportion of the weight of the load and the means of its fastening, which falls on each loaded coupled wagon, shall not exceed the maximum load capacity of the wagon. The load overrun in its longitudinal direction beyond the limits of the headstock of the flat wagon frame must not exceed 40 cm [7, 12].

Table 4

Maximum allowable distances between load centers with skew-symmetric arrangement in a wagon

Parameter

Total weight of two loads, t

20

30

40

50

55

67

72

, cm

800

700

600

600

600

500

450

, cm

125

90

75

60

50

40

35



When the load is placed on a flat wagon on two supports, laid across its frame symmetrically relative to the lateral plane of symmetry of the flat wagon, the location of the supports is determined depending on the load on the support and the width of the load distribution on the flat wagon frame. In the case of support placement within or outside the flat wagon base (Fig. 6, a, b), the minimum permissible distance between the longitudinal axis of the support and the lateral plane of the flat wagon symmetry is determined in accordance with Table 5.

In case of asymmetric location of gravity centre of the load or the support relative to the lateral plane of the wagon symmetry, a checking calculation of the bending moment of the wagon frame shall be performed. It is also necessary to perform a checking calculation of the bending moment of the flat wagon frame when arranging support at a distance that does not meet the requirements of Table 5.

a

b

Fig. 6. Load arrangement on two supports located:

a – within the flat wagon base; b outside the flat wagon base

Table 5

Maximum permissible distances between the longitudinal axis of the support
and the lateral plane of the flat wagon symmetry

Location of supports within the flat wagon base

Location of supports outside the flat wagon base

Load on one support, tc

Minimum permissible distance ( cm) at width Bl (cm) of load distribution

Load on one support, tc

Minimum permissible distance ( cm) at width Bl (cm) of load distribution

88

178

270

88

178

270

<20

55

32.5

0

<12.5

625

635

640

22

95

75

50

15.0

600

605

615

25

120

110

90

20.0

560

565

575

27

142.5

135

1,20

25.0

540

545

555

30

167.5

160

145

30.0

537

542

552

33

207.5

188.5

185

33.0

535

540

550

36

310

290

240

36.0

533

538

550


It is generally known that the railway rolling stock ability rating is essential for ensuring the safety of trains, and the quality of rolling stock depends on its design, fabrication and acceptance. At each of these stages, the normative base plays a decisive role. Levels of estimation and allowable values of ability rating in accordance with normative documentation are given in Table 6 [6].

Table 6

Levels of estimation and allowable values of ability rating

Indicator

Levels of estimation

Allowable values

empty

loaded

Maximum coefficient of dynamic supplement of the spring-suspended parts (coefficient of vertical dynamics of the central suspension stage)

excellent

0.5

0.2

good

0.6

0.35

satisfactorily

0.7

0.4

acceptable

0.75

0.65

Maximum coefficient of dynamic supplement of unsprung parts (coefficient of vertical dynamics of the box suspension stage)

excellent

0.6

0.5

good

0.75

0.7

satisfactorily

0.85

0.8

acceptable

0.98

0.9

Maximum ratio of frame force to static axial load
(
coefficient of horizontal dynamics)

excellent

0.25

0.2

good

0.3

0.25

satisfactorily

0.38

0.3

acceptable

0.4

0.38

Wheel derailment safety factor

acceptable

1.3



The Order of the Ministry of Transport and Communications of Ukraine of May 18, 2010, No. 299 «On Approval of the Procedure for the Development of Technical Documentation on the Load Positioning and Fastening in Wagons and Containers Transported by Rail» establishes requirements for registration, approval and review of technical documentation for transportation of loads in wa-gons and containers by railway transport, control over the correct load positioning.

In accordance with the order for the development and adjustment of technical documentation for the carriage of goods by the manner not provided for by regulatory acts, there must be the following information as well: determination of inertial forces and wind force acting on the load; determination of the stability of the wagon with load and load in the wagon; load on the wagon bogies. The method of calculating the stability of the wagon with load and load in the wagon contains the determination of additional vertical load on the wheel from the action of centrifugal forces and wind force, but does not take into account the dynamic processes that arise during the movement of wagons on the railway track in the presence of vertical and horizontal irregularities.

Maximum coefficients of the dynamic supplement of the spring-suspended and unsprung parts, the maximum ratio of frame force to static axial load and the wheel derailment safety factor are used to study the dynamic forces acting on the wagon bogie or body components.

Findings

Theoretical studies using the software complex developed by the BRL RSDS are conducted under the condition of the movement of the flat wagon of model 13–401 on typical bogies 18–100 at speeds ranging from 50 to 90 km/h in curves with radii of 350 and 600 m, with 130 and 120 mm canting, respectively. Rails – P65, sleepers – wooden, ballast – broken stone.

Wooden sleepers to this day are the main type of rail support and it is expedient to lay them:

on the ribbon track in horseshoe curves with the purpose of expansion of the rail track to prevent the possible derailment of wagons;

on highly loaded lines, where the use of continuous welded track with reinforced concrete sleepers is ineffective.

In addition, wooden sleepers in comparison with reinforced concrete ones have less rigidity and resilience for the perception and even distribution of loads from the rolling stock wheel sets on the rails, are less resistant to deformation. The trains move smoother on rails with reinforced concrete sleepers, since there are practically no joints at the rails, thanks to the high stability in terms of transverse rows. Therefore, when conducting calculations, wooden sleepers were chosen as the basis of rail support [2].

In the given study we considered the influence of the load center shift on the flat wagon in the longitudinal and transverse directions, as well as in both directions simultaneously. Graphs of variance of the dynamic parameters during the travel on curved tracks and 350 m are shown in Fig. 7-9. The shift in the longitudinal direction (Fig. 7) is studied within the limits , that is permitted by the standards (Table 2) [7, 12].

As can be seen from Fig. 7, with the increased longitudinal shift of the load center, the studied dynamic coefficients as a whole remain unchanged. In the whole range of velocities, the indices (Fig. 7 (a, b)), (Fig. 7 (c, d)), (Fig. 7 (e, f)), and (Fig. 7 (g, h)), in case of increasing the longitudinal shift from 0 to 0.3 m, do not exceed the permissible norm both in the curve m and in the curve m. The level of assessment is «excellent» [6].

From the results obtained, it follows that the longitudinal shift of the load in case of increased speed does not cause an increase in the dynamics, and their values do not exceed the values determined by the current regulatory documents [5].

The lateral shift of the load is considered in the range from up to 0,2 m with a longitudinal shift m (Fig. 8). For loads weighing 50 t with m, taken for calculations, longitudinal shift of m is allowed, this value can be 0.2 m on the travel line (Table 3, 4) [7, 12].


a                                                                                               b

c                                                                                            d

e                                                                                             f

g                                                                                             h

Fig. 7. Graphs of dependence on the load shift in the longitudinal direction
while moving along the corresponding curve:
а, b coefficients of the dynamic supplement of the spring-suspended parts; c, d coefficients
of the dynamic supplement of unsprung parts
; e, f ratio of the frame force to the static axial load;
g, h wheel derailment safety factors

The Figure 8 shows the effect on the dynamic indicators of the lateral load center shift in curves m and m, respectively. The effect of lateral load center shift has a more significant effect on the dynamic indicators than the longitudinal shift. With the increase of in both sides from the central lateral axis, the coefficients of the dynamic supplement of the spring-suspended and unsprung parts increase (Fig. 8, a–d), the ratio of the frame force to the static axial load varies considerably (Fig. 8, e, f). With the growth oftowards the wheel based on the inner rail, the dynamic figures even decrease. The wheel derailment safety factors on the contrary are significantly reduced (Fig. 8, g, h).

The level of assessment from the lateral load center shift of the coefficients of the dynamic supplement of the spring-suspended partsis «acceptable», the coefficients of the dynamic supplement of the unsprung parts are «good», and the ratio of the frame force to the static axial load is «excellent» [5].

At speed of 70-90 km/h, in case of increasing lateral shift from 0 to the value of 0.2 m acceptable for the indicated weight, the wheel derailment safety factor is significantly reduced in both curves. On the curve m (Fig. 8, g) the values for m reach a dangerous value, especially taking into account the fact that the given results are obtained when the flat wagon moves along a curve without irregularities. Therefore, exceeding the lateral shift beyond the regulatory value of 0.15 m is inappropriate from the point of view of traffic safety.

Consequently, the lateral load center shift limitation, as defined by the regulatory documents, must be observed, it is due to a sharp decrease in the wheel derailment safety factor.

The simultaneous shift of the gravity center along the axes is considered within and from 0 and 0.15 m (Fig. 9) [7, 12].

Fig. 9 shows the graphs of the dependence of the dynamic indicators on the value of the load centre shift in the lateral direction for the value of the longitudinal shift m. As can be seen from the comparison of the graphs given in Fig. 8 for and Fig. 9 for за m, differences in indicators , and are small, that is, the presence of simultaneous lateral and longitudinal load center shifts practically does not affect the dynamic indicators.

The level of assessment of the coefficients of the dynamic supplement of the spring-suspended parts is «acceptable», the coefficients of the dynamic supplement of the unsprung parts is «good», and the ratio of the frame force to the static axial load is «excellent» for the simultaneous longitudinal and lateral load center shift. But this shift leads to a significant decrease in the factor . As the lateral load center shift of the flat wagon increases towards the wheel based on the inner rail, the indices of vary considerably, as can be seen from Fig. 9, (g, h). Therefore, the limitation of simultaneous longitudinal and lateral shift, as defined by the regulatory documents, must be also observed. In addition, the calculations showed the impossibility of increasing the travel speed in small radius curves due to the high probability of the rolling stock derailment.

Originality and practical value

This study includes the development of me-thods of mathematical simulation of dynamic processes of rolling stock and track interaction. Similar theoretical calculations can be applied in the course of quantitative and qualitative assessment of the impact of the load center shift on the rolling stock ability rating, taking into account the wear of parts and bogies while moving on the straight and curved track with irregularities.

During the study, the following scientific and practical results were obtained:

mathematical simulation of five coupled wagons for studying the dynamic loading of a flat wagon with heavy load;

assessment of the basic dynamic indicators at a shift of the gravity center of heavy load during movement on curved railway track;

substantiation and introduction of the maximum possible values of lateral shift of the heavy load gravity center during transportation on flat wagons.

a                                                                                            b

e                                                                                            f

c                                                                                            d

g                                                                                            h

Fig. 8. Graphs of dependence on the load shift in the lateral direction while moving along the corresponding curve:
а, b coefficients of the dynamic supplement of the spring-suspended parts;
c, d coefficients of the dynamic supplement of unsprung parts; e, f ratio of the frame force to the static axial load;
g, h wheel derailment safety factors



a                                                                                            b

c                                                                                             d

e                                                                                            f

g                                                                                            h

Fig. 9. Graphs of dependence on simultaneous load shift in the lateral and longitudinal
directions while moving along the corresponding curve:
а, b coefficients of the dynamic supplement of the spring-suspended parts;
c, d – coefficients of the dynamic supplement of unsprung parts;
e, f – ratio of the frame force to the static axial load; g, h – wheel derailment safety factors

Conclusions

Based on the analysis of the conducted theoretical studies of the rolling stock dynamic qualities on example of the flat wagon, it is possible to draw the following conclusions:

Longitudinal shifts of the load weighing 63 tons do not result in increasing of the coefficients of the dynamic supplement of the spring-suspended and unsprung parts, the ratio of the frame force to the static axle load, as well as the wheel derailment safety factor;

Longitudinal shifts of the load center have a significantly less influence on the dynamic forces that arise when the flat wagon moves than the lateral shift, or the presence of simultaneous shift in both directions from the axis of symmetry;

Limitation of the lateral shift set by the regulatory documents must be observed; it is caused not by an increase in the dynamics coefficients, but by a sharp decrease in the wheel derailment safety factor;

Exceeding the lateral shift of the load center on the flat wagon frame beyond the regulatory value of 0.15 m is inappropriate from the point of view of traffic safety.

LIST OF REFERENCE LINKS

  1. Бабаев, А. М. Динамико-прочностные качества сцепа платформ с упругим грузом / А. М. Бабаев,
    В. А. Каблуков, А. В. Шатунов // Динамика вагонов : сб. науч. тр. / Петербург. ин-т инж. ж.-д. трансп. – Санкт-Петербург, 1993. – С. 118–120.

  2. Даніленко, Е. І. Залізнична колія : підручник для вищ. навч. закл. : у 2 т. / Е. І. Даніленко. – Київ : Інпрес, 2010. – Т. 1. – 528 с.

  3. Данович, В. Д. Колебания в горизонтальной плоскости 4-осн. платформы с несимметрично расположенным тяжеловесным грузом / В. Д. Данович, П. С. Анисимов // Вестн. ВНИИЖТ. – 1989. – № 3. – С. 5–9.

  4. Данович, В. Д. Математическая модель пространственных колебаний сцепа пяти вагонов, движущихся по прямолинейному участку пути / В. Д. Данович, А. А. Малышева // Транспорт. Нагруженность и прочность подвижного состава : сб. науч. тр. / Днепропетр. гос. техн. ун-т ж.-д. трансп. – Днепропетровск, 1998. – С. 62–69.

  5. Данович, В. Д. Пространственные колебания вагонов на инерционном основании : дис. д-ра техн. наук / Данович Виктор Данилович ; Днепропетр. ин-т инж. ж.-д. трансп. – Днепропетровск, 1981. – 465 с.

  6. ДСТУ ГОСТ 33211:2017. Вагони вантажні. Вимоги до міцності та динамічних якостей
    (ГОСТ 33211-2014,
    IDТ). – Введ. 2017–07–01. – Київ : УкрНДНЦ, 2017. – 58 с.

  7. Збірник 17 Правил перевезення і тарифів залізничного транспорту України. – Київ : САМ, 2005. – 176 с.

  8. Определение допустимых сил при оценке устойчивости грузовых вагонов от выжимания в поездах / А. А. Швец, К. И. Железнов, А. С. Акулов, А. Н. Заболотный, Е. В. Чабанюк // Наука та прогрес транспорту. – 2016. – № 1 (61). – С. 189–192. doi: 10.15802/stp2016/61045

  9. Определение показателей безопасности движения платформ с порожним автопоездом / А. В. Шатунов, В. В. Соборницкая, Е. Н. Ковтун, О. М. Маркова // Транспорт : сб. науч. тр. / Днепропетр. гос. техн. ун-т ж.-д. трансп. – Днепропетровск, 2001. – Вып. 7. – С. 116–120.

  10. Підвищення ефективності оперативного керування локомотивним парком залізниць України : монографія / Д. М. Козаченко, Р. В. Вернигора, Л. О. Єльнікова, М. І. Березовий ; Дніпропетр. нац. ун-т залізн. трансп. ім. акад. В. Лазаряна. – Дніпро : Герда, 2017. – 164 с.

  11. Теоретическая оценка динамических качеств платформ, загруженных автопоездом с грузом / А. В. Шатунов, В. В. Соборницкая, Е. Н. Ковтун, О. М. Маркова // Транспорт : сб. науч. тр. / Днепропетр. гос. техн. ун-т ж.-д. трансп. – Днепропетровск, 2000. – Вып. 3. – С. 21–27.

  12. Технические условия размещения и крепления грузов. Приложение 3 к Соглашению о международном железнодорожном грузовом сообщении (СМГС).Київ : Девольта, 2011. – Т. 1. – 436 с.

  13. Шатунов, А. В. Нагруженность сцепа из двух платформ при ресурсосберегающем способе транспортировки длинномерных грузов : автореф. дис. канд. техн. наук : 05.22.07 / Шатунов Александр Васильевич ; Днепропетр. ин-т инж. ж.-д. трансп. – Днепропетровск, 1992. – 17 с.

  14. Швець, А. О. Вплив поздовжнього та поперечного зміщення центру ваги вантажу в піввагонах на їх динамічні показники / А. О. Швець // Наука та прогрес транспорту. – 2018. – № 5 (77). – С. 115128. doi: 10.15802/stp2018/146432

  15. Determination of the issue concerning the lift resistance factor of lightweight car / A. O. Shvets, К. I. Zhelieznov, А. S. Аkulov, О. M. Zabolotnyi, Y. V. Chabaniuk // Наука та прогрес транспорту. – 2015. –
    № 6 (60). – С. 134–148. doi: 10.15802/stp2015/57098

  16. Effect of the state of car running gears and railway track on wheel and rail wear / E. P. Blokhin,
    O. M. Pshinko, V. D. Danovich, M. L. Korotenko // Railway Bogies and Running Gears : Proc. of the 4th Intern. Conf. / Technical University of Budapest. – Budapest, 1998. – P. 313–323.

  17. McKinnon, A. C. Freight Transport Deceleration: Its Possible Contribution to the Decarbonisation of Logistics / A. C. McKinnon // Transport Reviews. – 2016. – Vol. 36. – Iss. 4. – P. 418–436.
    doi: 10.1080/01441647.2015.1137992

  18. Modeling, simulation and applications of longitudinal train dynamics / C. Cole, M. Spiryagin, Q. Wu,
    Y
    . Q. Sun // Vehicle System Dynamics. – 2017. – Vol. 55. – Іss. 10. – P. 14981571. doi: 10.1080/00423114.2017.1330484

  19. Navarrete, J. A. Experimental and theoretical modeling of cargo sloshing during braking / J. A. Navarrete,
    F. Otremba // ASME International Mechanical Engineering Congress and Exposition
    (Phoenix, Arizona, USA, Nov. 11–17, 2016). – Phoenix, 2016. – Vol. 4B : Dynamics, Vibration, and Control.
    doi: 10.1115/imece2016-65698

  20. Ramos, A. G. A new load balance methodology for container loading problem in road transportation /
    A. G. Ramos, E. Silva, J. F. Oliveira // European Journal of Operational Research. – 2018. – Vol. 266. –
    Іss. 3. – P. 1140–1152. doi: 10.1016/j.ejor.2017.10.050

  21. Wu, H. Effects of wheel and rail profiles on vehicle performance / H. Wu // Vehicle System Dynamics. – 2006. – Vol. 44. – Іss. sup1. – P. 541550. doi: 10.1080/00423110600875393

  22. Wu, Q. Longitudinal train dynamics: an overview / Q. Wu, M. Spiryagin, C. Cole // Vehicle System Dynamics. – 2016. – Vol. 54. – Іss. 12. – P. 16881714. doi: 10.1080/00423114.2016.1228988



О. В. Шатунов1*, А. О. Швець2*

1*Каф. «Вагони та вагонне господарство», Дніпровський національний університет залізничного
транспорту імені академіка В. Лазаряна, вул. Лазаряна, 2, Дніпро, Україна, 49010, тел. +38 (067) 953 60 14,
ел. пошта shatunov220648@gmail.com, ORCID 0000-0002-1115-0093
2*Каф. «Теоретична та будівельна механіка», Дніпровський національний університет залізничного
транспорту імені академіка В. Лазаряна, вул. Лазаряна, 2, Дніпро, Україна, 49010, тел. +38 (050) 214 14 19,
ел. пошта angela_Shvets@ua.fm, ORCID 0000-0002-8469-3902

дослідження динамічних ПОКАЗНИКів Платформи

В РАЗІ зміщення центра Тяжіння вантажу

Мета. Визначення впливу поздовжнього й поперечного зміщення центра тяжіння великовагового вантажу на платформах, з урахуванням швидкості руху, на основні динамічні показники – максимальні коефіцієнти динамічної добавки обресорених і необресорених частин, максимальне відношення рамної сили до статичного осьового навантаження, коефіцієнт стійкості колеса від сходження з рейок. Методика. За основу дослідження взято метод математичного та комп’ютерного моделювання динамічної навантаженості платформи з використанням моделі просторових коливань зчепу з п’яти вагонів і програмного комплексу, розробленого в галузевій науково-дослідній лабораторії динаміки й міцності рухомого складу (ГНДЛ ДМРС). Теоретичні дослідження проведені за умови руху платформи моделі 13–401 з типовими візками 18–100 зі швидкостями в інтервалі від 50 до 90 км/год по кривих із радіусами 350 й 600 м, із підвищеннями зовнішньої рейки 130 і 120 мм відповідно. Результати. Подано аналіз теоретичних досліджень динамічних якостей рухомого складу на прикладі платформ. Розрахунки проведені з використанням пакета прикладних програм. У ході виконання теоретичних досліджень і після проведення моделювання з урахуванням процесів коливання вагона-платформи й вантажу, за наявності поздовжнього й поперечного зміщення його центра тяжіння, отримано залежності основних динамічних показників з огляду на величину швидкості руху. Наукова новизна. Для визначення динамічної навантаженості вагона платформи, із застосуванням математичної моделі зчепу з п’яти вантажних вагонів, досліджено вплив зміщення у двох напрямках від центральної осі симетрії центра тяжіння великовагового вантажу з огляду на величину швидкості руху по кривих ділянках колії малого й середнього радіуса. Практична значимість. У результаті проведених теоретичних досліджень обґрунтовано рекомендації стосовно максимально можливих величин зміщення центра тяжіння великовагових вантажів під час їх транспортування на вагонах-платформах.

Ключові слова: вантаж; вагон-платформа; динамічні показники; криві ділянки колії; поздовжнє й поперечне зміщення; центр тяжіння; швидкість руху

А. В. Шатунов1*, А. А. Швец2*

1*Каф. «Вагоны и вагонное хозяйство», Днипровский национальный университет железнодорожного
транспорта имени академика В. Лазаряна, ул. Лазаряна, 2, Днипро, Украина, 49010, тел. +38 (067) 953 60 14,
эл. почта shatunov220648@gmail.com, ORCID 0000-0002-1115-0093
2*Каф. «Теоретическая и строительная механика», Днипровский национальный университет железнодорожного
транспорта имени академика В. Лазаряна, ул. Лазаряна, 2, Днипро, Украина, 49010, тел. +38 (050) 214 14 19,
эл. почта angela_Shvets@ua.fm, ORCID 0000-0002-8469-3902

исследование ДИНАМИЧЕСКИх ПОКАЗАТЕЛей

платформы при смещении центра тяжести груза

Цель. Определение влияния продольного и поперечного смещения центра тяжести тяжеловесного груза на платформах, с учетом скорости движения на основные динамические показатели – максимальные коэффициенты динамической добавки обрессоренных и необрессоренных частей, максимальное отношения рамной силы к статической осевой нагрузке, коэффициент устойчивости колеса от схода с рельсов. Методика. Основой исследования является метод математического и компьютерного моделирования динамической нагруженности платформы с использованием модели пространственных колебаний сцепа из пяти вагонов и программного комплекса, разработанного в отраслевой научно-исследовательской лаборатории динамики и прочности подвижного состава (ОНИЛ ДППС). Теоретические исследования проведены при движении платформы модели 13–401 с типичными тележками 18–100 со скоростями в интервале от 50 до 90 км/ч по кривым с радиусами 350 и 600 м, с возвышением наружного рельса 130 и 120 мм соответственно. Результаты. Представлен анализ теоретических исследований динамических качеств подвижного состава на примере платформ. Расчеты проведены с использованием пакета прикладных программ. В ходе выполнения теоретических исследований и после моделирования с учетом процессов колебания вагона-платформы и груза, при наличии продольного и поперечного смещения его центра тяжести, получены зависимости основных динамических показателей на основании величины скорости движения. Научная новизна. Для определения динамической нагруженности вагона-платформы, с применением математической модели сцепа из пяти грузовых вагонов, исследовано влияние смещения в двух направлениях от центральной оси симметрии центра тяжести тяжеловесного груза с учетом величины скорости движения по криволинейным участкам пути малого и среднего радиуса. Практическая значимость. В результате проведенных теоретических исследований обоснованы рекомендации относительно максимально возможных величин смещения центра тяжести тяжеловесных грузов при их транспортировке на вагонах-платформах.

Ключевые слова: груз; вагон-платформа; динамические показатели; кривые участки пути; продольное и поперечное смещение; центр тяжести; скорость движения

REFERENCES

  1. Babaev, A. M., Kablukov, V. A., & Shatunov, A. V. (1993). Dinamiko-prochnostnye kachestva scepa platform s uprugim gruzom. Dynamics of cars (рр. 118-120). St. Petersburg. (in Russian)

  2. Danilenko, E. I. (2010). Zaliznychna koliia: pidruchnyk dlia vyshchykh navchalnykh zakladiv. (Vol. 1-2). Kyiv: Inpres. (in Ukrainian)

  3. Danovich, V. D., & Anisimov, P. S. (1989). Kolebaniya v gorizontalnoy ploskosti 4-osn. platformy s nesimmetrichno raspolozhennym tyazhelovesnym gruzom. Vestnik of the Railway Research Institute, 3, 5-9. (in Russian)

  4. Danovich, V. D., & Malysheva, A. A. (1998). Mathematical Model of Spatial Oscillations of the Coupling of Five Cars Moving Along a Rectilinear Section of the Track. Transport. Stress loading and durability of a rolling stock (рр. 62-69). Dnepropetrovsk. (in Russian)

  5. Danovich, V. D. (1981). Spatial Cars Oscillations in Inertia Track. (Dysertatsiia doktora tekhnichnykh nauk). Dnepropetrovsk Institute of Railway Transport Engineering, Dnеpropetrovsk. (in Russian)

  6. Vahony vantazhni. Vymohy do mitsnosti ta dynamichnykh yakostei, 58 DSTU 33211:2017 (2017). (in Ukrainian)

  7. Zbirnyk № 17 Pravyl perevezennia i taryfiv zaliznychnoho transportu Ukrainy. (2005). Kуiv: SAM. (in Ukrainian)

  8. Shvets, A. A., Zheleznov, K. I., Akulov, A. S., Zabolotny, A. N., & Chabanyuk, E. V. (2016). Determination the permissible forces in assessing the lift resistant factor of freight cars in trains. Science and Transport Progress, 1(61), 189-192. doi: 10.15802/stp2016/61045 (in Russian)

  9. Shatunov, A. V., Sobornitskaya, V. V., Kovtun, E. N., & Markova, O. M. (2001). Opredelenie pokazatelej bezopasnosti dvizheniya platform s porozhnim avtopoezdom. Transport, 7, 116-120. (in Russian)

  10. Kozachenko, D. M., Vernigora, R. V., Yelnikova, L. O., & Berezovy, M. I. (2017). Pidvyshchennia efektyvnosti operatyvnoho keruvannia lokomotyvnym parkom zaliznyts Ukrainy: Monohrafiia. Dnipro: Herda. (in Ukrainian)

  11. Shatunov, A. V., Sobornitskaya, V. V., Kovtun, E. N., & Markova, O. M. (2000). Teoreticheskaya ocenka dinamicheskih kachestv platform, zagruzhennyh avtopoezdom s gruzom. Transport, 3, 21-27. (in Russian)

  12. Tekhnicheskie usloviya razmeshcheniya i krepleniya gruzov. Prilozhenie 3 k Soglasheniyu o mezhdunarodnom zheleznodorozhnom gruzovom soobshchenii (SMGS). (2011). Kyiv: Devolta. (in Russian)

  13. Shatunov, A. V. (1992). Nagruzhennost stsepa iz dvukh platform pri resursosberegayushchem sposobe transportirovki dlinnomernykh gruzov. (Avtoreferat dysertatsii kandydata tekhnichnykh nauk). Dnepropetrovsk Institute of Railway Transport Engineering, Dnеpropetrovsk. (in Russian)

  14. Shvets, A. O. (2018). Influence of the longitudinal and transverse displacement of the center of gravity of the load in gondola cars on their dynamic indicators. Science and Transport Progress, 5(77), 115-128. doi: 10.15802/stp2018/146432 (in Ukrainian)

  15. Shvets, A. A., Zhelieznov, K. I., Akulov, A. S., Zabolotnyi, A. N., & Chabaniuk, Y. V. (2015). Determination of the issue concerning the lift resistance factor of lightweight car. Science and Transport Progress, 6(60), 134-148. doi: 10.15802/stp2015/57098 (in English)

  16. Blokhin, E. P., Pshinko, O. M., Danovich, V. D., & Korotenko, M. L. (1998). Effect of the state of car running gears and railway track on wheel and rail wear. Railway Bogies and Running Gears: Proceedings of the 4th International Conference (рр. 313-323). Budapest. (in English)

  17. McKinnon, A. C. (2016). Freight Transport Deceleration: Its Possible Contribution to the Decarbonisation of Logistics. Transport Reviews, 36(4), 418-436. doi: 10.1080/01441647.2015.1137992 (in English)

  18. Cole, C., Spiryagin, M., Wu, Q., & Sun, Y. Q. (2017). Modeling, simulation and applications of longitudinal train dynamics. Vehicle System Dynamics, 55(10), 1498-1571. doi: 10.1080/00423114.2017.1330484 (in English)

  19. Navarrete, J. A., & Otremba, F. (2016). Experimental and theoretical modeling of cargo sloshing during braking. ASME International Mechanical Engineering Congress and Exposition (Phoenix, Arizona, USA, Nov. 11-17, 2016). Dynamics, Vibration, and Control, 4B. Phoenix. doi: 10.1115/IMECE201665698 (in English)

  20. Ramos, A. G., Silva, E., & Oliveira, J. F. (2018). A new load balance methodology for container loading problem in road transportation. European Journal of Operational Research, 226(3), 1140-1152.
    doi: 10.1016/j.ejor.2017.10.050 (in English)

  21. Wu, H. (2006). Effects of wheel and rail profiles on vehicle performance. Vehicle System Dynamics, 44(sup1), 541-550. doi: 10.1080/00423110600875393 (in English)

  22. Wu, Q., Spiryagin, M., & Cole, C. (2016). Longitudinal train dynamics: an overview. Vehicle System Dynamics, 54(12), 1688-1714. doi: 10.1080/00423114.2016.1228988 (in English)


Received: Nov. 23, 2018

Accepted: March 27, 2019

CПрямая соединительная линия 18reative Commons Attribution 4.0 International

doi: 10.15802/stp2019/ © O. V. Shatunov, A. O. Shvets, 2019