ISSN 2307–3489 (Print), ІSSN 2307–6666 (Online)

Наука та прогрес транспорту. Вісник Дніпропетровського
національного університету залізничного транспорту, 2018, № 5 (77)



рухомий склад залізниць і тяга поїздів

УДК 629.463.66.015

А. О. Швець1*

1*Каф. «Теоретична та будівельна механіка», Дніпропетровський національний
університет залізничного транспорту імені академіка В. Лазаряна,
вул. Лазаряна, 2, Дніпро, Україна, 49010, тел. +38 (050) 214 14 19,
ел. пошта angela_Shvets@ua.fm, ORCID 0000-0002-8469-3902

Вплив поздовжнього та поперечного

зміщення центру ваги вантажу

В піввагонах на їх динамічні ПОКАЗНИКи

Мета. Підвищення швидкості руху залізничних екіпажів дозволяє посилити інтеграційні процеси з країнами Європи й Азії, проте призводить до необхідності вдосконалення контролю, кількісної оцінки динамічної завантаженості рухомого складу для дотримання безпечного і надійного сполучення на залізницях. Тому в процесі проектування й експлуатації рухомого складу кількісна оцінка динамічних навантажень становить актуальну науково-технічну задачу. Метою цієї роботи є дослідження впливу поздовжнього та поперечного зміщення центру ваги вантажу в піввагонах у разі збільшення швидкості руху на їх основні динамічні показники – коефіцієнти горизонтальної та вертикальної динаміки, коефіцієнт стійкості від сходу з рейок.
Методика. За основу дослідження взятий метод математичного й комп’ютерного моделювання динамічної завантаженості вантажного піввагона з використанням моделі просторових коливань зчепу п’яти вагонів і програмного комплексу, розробленого в галузевій науково-дослідній лабораторії динаміки та міцності рухомого складу (ГНДЛ ДМРС) Дніпропетровського національного університету залізничного транспорту імені академіка В. Лазаряна. Теоретичні дослідження проведені за умови руху піввагона моделі 12-532 з типовими візками 18-100 зі швидкостями в діапазоні від 50 до 90 км/год по кривих із радіусами 350 й 600 м, з підвищеннями зовнішньої рейки 130 та 120 мм відповідно. Результати. У статті подано аналіз теоретичних досліджень динамічних якостей рухомого складу на прикладі піввагонів. Розрахунки з використанням пакета прикладних програм проведені з достатньою для практики точністю. У ході виконання теоретичних досліджень та після проведення моделювання з урахуванням процесів коливання вантажного вагона й вантажу за поздовжнього та поперечного зміщення центру його ваги в піввагоні отримано залежності основних динамічних показників із урахуванням швидкості руху. Наукова новизна. У роботі досліджений вплив поздовжнього та поперечного зміщення центру ваги вантажу на динамічну завантаженість вагона з метою вирішення задачі прогнозування динаміки рухомого складу. Уперше подано результати теоретичних досліджень із урахуванням швидкості руху по кривих ділянках колії малого та середнього радіуса.
Практична значимість. Робота має практичну спрямованість. Застосування отриманих результатів сприятиме підвищенню безпеки руху вантажних вагонів і дозволить поліпшити техніко-економічні показники роботи залізничного транспорту.

Ключові слова: вантаж; піввагони; динамічні показники; криві ділянки колії; поздовжнє та поперечне зміщення центру ваги; швидкість руху

Вступ

Безпека руху вантажних поїздів, значення допустимих швидкостей і вантажопідйомності, витрати на утримання рухомого складу й колійного господарства, збільшення міжремонтних пробігів вагонів суттєво залежать від конструкції вантажного рухомого складу залізниць. Експлуатація морально застарілого рухомого складу з низькими динамічними властивостями, частка якого серед залізничних транспортних засобів сягає близько 90 % (рис. 1), є однією з причин недостатнього рівня безпеки руху поїздів і високих експлуатаційних витрат, обумовлених збільшенням ремонтних робіт, а також підвищеним споживанням енергії на тягу поїздів. Час висуває нові вимоги до збільшення рівня сил динамічної взаємодії рухомого складу й колії, що в умовах значного зносу екіпажної частини рухомого складу минулого покоління є неприпустимим [10, 11].

Технічний рівень рухомого складу залізничного транспорту безпосередньо впливає на економічні показники транспортної галузі та економіки країни в цілому. Тому посилення потужностей залізничної галузі України є стратегічним напрямком розвитку її економіки [10].

Рис. 1. Знос парку вантажних вагонів

Fig. 1. Wear of the freight car fleet

Оскільки залізничний транспорт у наш час широко використовують для перевезення різних видів вантажів практично на будь-якому підприємстві, украй важливо створити умови для безпечного руху поїздів. Не останню роль у цьому відіграє правильне розміщення вантажу, який перевозять у кузові вагона. Визначення зміщення центру ваги вантажу відносно осей симетрії залізничного вагона дозволяє оперативно виявляти небезпечні відхилення в його стійкості й тим самим істотно збільшити безпеку під час руху поїзда. Останнім часом це питання стає особливо актуальним у зв’язку з підвищенням вимог залізниці до допустимих значень поздовжнього та поперечного зміщення вантажу під час завантаження вагона й на шляху його прямування [8].

Мета

Підвищення швидкості руху залізничних екіпажів дозволить посилити інтеграційні процеси з країнами Європи й Азії, задовольнити попит населення у перевезеннях, знизити витрати електроенергії та ресурсів, задіяти виробничі потужності провідних галузей промисловості. Проте це призводить до необхідності вдосконалення контролю, кількісної оцінки динамічної навантаженості рухомого складу для дотримання безпечного й надійного сполучення на залізницях. Тому в процесі проектування рухомого складу кількісна оцінка динамічних навантажень становить актуальну науково-технічну задачу [10, 11].

Метою цієї роботи є дослідження впливу поздовжнього та поперечного зміщення центру ваги вантажу в піввагонах із урахуванням можливого підвищення швидкості руху на їх основні динамічні показники – коефіцієнти горизонтальної й вертикальної динаміки, стійкості від сходження з рейок.

Методика

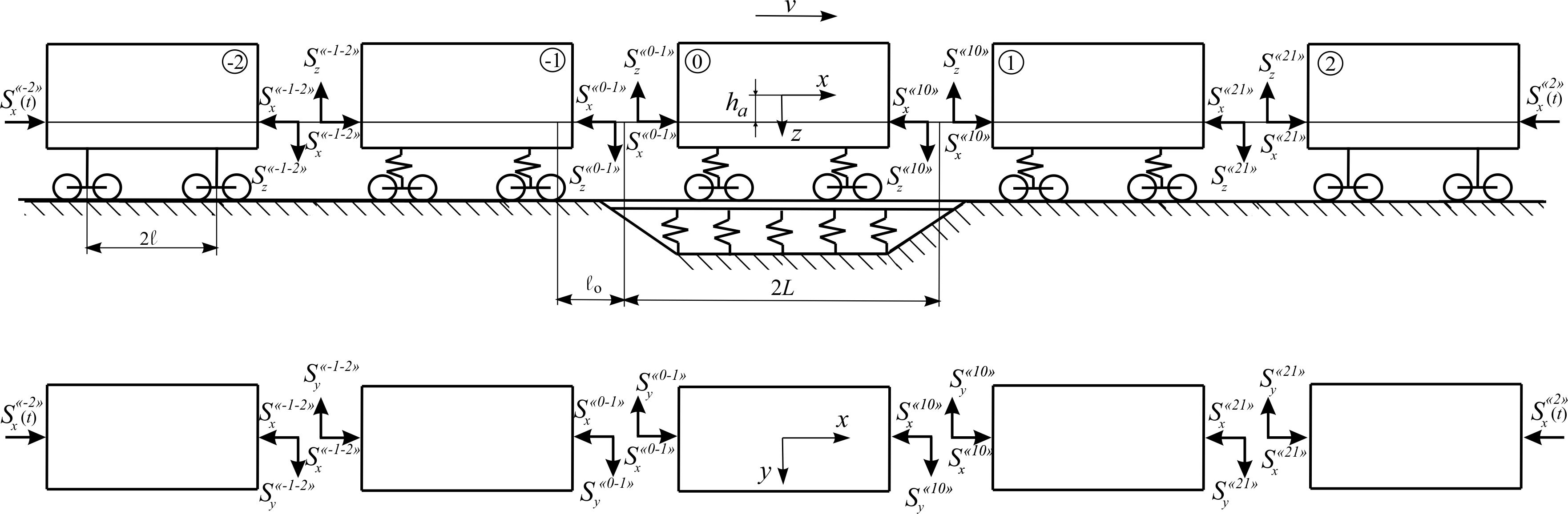
Під час проектування рухомого складу конструктори повинні визначити, чи буде спроектована модель володіти необхідними динамічними якостями. Відповідь можна отримати тільки інтуїтивно шляхом зіставлення основних параметрів конструкції з аналогічною, уже наявною, або після її виготовлення та проведення динамічних ходових випробувань. Однак цей процес тривалий, тому практичний інтерес становить проведення попередньої оцінки динамічних якостей вагона на стадії його проектування, що можна здійснити за допомогою математичного моделювання. Воно дозволяє визначити динамічні показники вагонів під час їх руху по прямолінійних та криволінійних ділянках залізничної колії з реальними нерівностями у вертикальній і горизонтальній площинах (рис. 2, 3), з урахуванням реальної поверхні кочення колеса й профілю головки рейки [2, 10, 11].

Рис. 2. Сили, які виникають від дії поздовжніх сил в автозчепленнях вагонів

Fig. 2. Forces arising from the action of longitudinal forces in the automatic couplings of cars

Як відомо, під час руху вагона в складі поїзда по кривих ділянках колії на сили взаємодії коліс із рейками безпосередній вплив мають поперечні сили, які виникають від дії поздовжніх сил в автозчепленнях вагона в режимах тяги на затяжних ухилах і під час гальмувань, особливо рекуперативних [2, 6, 14–20].

На рис. 3 зображено, як діють на вагон сили з боку інших вагонів, розташованих попереду й позаду нього по ходу руху поїзда.

Рухаючись по кривій, вагон під дією поздовжніх сил в автозчепленнях може зайняти різне положення відносно осі колії, що значною мірою впливає на величини бічних горизонтальних сил взаємодії й сили тертя коліс із рейками. У режимі гальмування стискні сили можуть сприяти розташуванню вагонів у колії «ялинкою», що призводить до збільшення кутів набігання коліс на рейки. Доповнення математичних моделей просторових коливань вихідними даними з уточненими інерційними характеристиками елементів вагонів і вантажів дозволяє наблизити результати розрахунків до реального стану об’єктів і тим самим підвищити об’єктивність математичного та комп’ютерного моделювання. Саме для вирішення цієї проблеми було створено «Програмний комплекс для визначення моментів інерції кузовів вагонів» [2, 6, 11, 15].

Як було зазначено вище, безпека руху поїздів і збереження вантажів, які перевозять, безпосередньо залежать від способу їх розміщення й кріплення. Удосконалення методики розрахунку кріплення вантажів є актуальною прикладною задачею, що має істотне значення для транспортної науки й галузі залізничного транспорту [8, 10, 11].

Рис. 3. Дія на вагон сил із боку сусідніх вагонів

Fig. 3. The forces action on the car from
the neighbouring ones

Особливу увагу приділяють центру ваги. Для стійкості й безпеки транспортування центр ваги повинен бути на перетині центральних поздовжніх і поперечних ліній. Якщо потрібно перевезти нестандартний вантаж, то можливе незначне зміщення центру ваги. Крім того, у процесі перевезення вантажів іноді виникає необхідність у несиметричному розташуванні їх у вагоні. Зсув вантажу відносно центру ваги вагона можливий і під час транспортування. Часто потрібно оцінити вплив такої несиметричності на динамічні якості вагона та встановити допустимі величини зсуву вантажів (рис. 4) [3, 5, 9].

Рис. 4. Розрахункова схема 4-вісного вагона з несиметричним розташуванням вантажу

Fig. 4. The calculation scheme of a 4-axle car with asymmetric arrangement of cargo

Зазвичай у разі симетричного завантаження кузова вагона в розрахунковій схемі приймають, що головні центральні осі інерції співпадають з осями його симетрії. Якщо прийняти, що в розрахунковій схемі вагона з несиметричним завантаженням кузова розташування осей координат співпадає з осями симетрії кузова, то інерційні властивості його можна виразити через моменти інерції відносно трьох перпендикулярних осей і відповідні цим осям відцентрові моменти інерції. У кожному з варіантів завантаження кузова розташування початку координат прийнято в центрі ваги. Головні осі інерції при цьому співпадають з осями симетрії еліпсоїда інерції, напрямок яких визначають косинусами трьох кутів . Математична модель дозволяє розглянути коливання вагона з несиметричним розміщенням вантажу й різними жорсткостями ресорного підвішування.

Загальний центр ваги вантажів () повинен розміщуватися, як правило, на лінії перетину поздовжньої та поперечної площин симетрії вагона. У випадках, коли ця вимога нездійсненна з об’єктивних причин (геометричні параметри вантажу, умови розміщення та кріплення), допускається зміщення відносно поздовжньої та поперечної площин симетрії вагона (табл. 1) [5, 9].

Допустиму величину зміщення у поздовжньому напрямку (відносно поперечної площини симетрії) під час завантаження вантажу й на шляху прямування визначають відповідно до табл. 1 залежно від загальної маси вантажу у вагоні.

Відповідно до [4] в разі необхідності несиметричного розташування вантажу у вагоні різниця в завантаженні візків не повинна перевищувати: для 4-вісних вагонів – 10 т; 6-вісних – 15 т; 8-вісних – 20 т. При цьому навантаження, що припадає на кожен із візків, повинно бути не більше за половину вантажопідйомності вагона.

Допустиму величину зміщення у поперечному напрямку (відносно поздовжньої площини симетрії) під час завантаження вантажу й на шляху прямування визначають відповідно до табл. 2 залежно від загальної маси вантажу у вагоні й висоти загального центру ваги вагона з вантажем () над рівнем верху головок рейок [5, 9].

Таблиця 1

Допустиме поздовжнє зміщення загального
центру ваги вантажу в 4-вісному вагоні

Table 1

Permissible longitudinal displacement of the
common gravity center of the cargo in 4-axle car

Вага вантажу, т

, мм

під час завантаження

на шляху прямування

<10

2 700

3 000

15

2 250

2 480

20

1 950

2 160

25

1 550

1 730

30

1 250

1 440

35

1 100

1 235

40

950

1 080

45

850

960

50

750

865

55

680

785

60

600

720

62

550

630

67

200

260

70

0

60

>70

0

0

Допускається одночасне зміщення відносно поздовжньої та поперечної площин симетрії вагона (рис. 5) в межах значень, поданих у табл. 1, 2.

Допускається перевезення двох вантажів (або груп вантажів) однакової маси з кососиметричним розміщенням їх у вагоні (рис. 6) у разі дотримання таких умов:

висота загального центру ваги вагона з вантажем () над РГР не перевищує 2 300 мм;

відстані між центрами ваги вантажів та у поздовжньому та поперечному напрямках не перевищують допустимих значень, які визначають відповідно до табл. 3 з урахуванням загальної маси вантажів;

знаходиться на перетині поздовжньої й поперечної площин симетрії вагона.

Таблиця 2

Допустиме поперечне зміщення загального
центру ваги вантажу в 4-вісному вагоні

Table 2

Permissible lateral displacement of the common
gravity center of the cargo in 4-axle car

Вага вантажу, т

Висота загального центру ваги вагона з вантажем над РГР, м

, мм

під час завантаження

на шляху прямування

10

1,2

450

620

1,5

380

550

2,0

290

410

30

<1,2

380

550

1,5

310

450

2,0

250

350

2,3

200

280

50

1,2

250

350

1,5

200

280

2,0

180

250

2,3

140

200

55

1,5

150

220

2,0

120

170

2,3

100

150

67

1,5

125

180

2,0

95

140

2,3

80

120

>67

2,3

70

100

Сумарна маса вантажу й засобів кріплення у вагоні не повинна перевищувати його трафаретної вантажопідйомності, а в разі завантаження вантажу з обпиранням на два вагони частка маси вантажу й засобів кріплення, що припадає на кожний вантажонесний вагон зчепу, не повинна перевищувати трафаретної вантажопідйомності вагона. Вихід вантажу в поздовжньому напрямку за межі кінцевих балок рами платформи або піввагона не повинен перевищувати 400 мм [5, 9].

Таблиця 3

Максимально допустимі відстані
між центрами ваги вантажів
із кососиметричним розміщенням
їх у вагоні

Table 3

Maximum permissible distances
between the centers of gravity
of the cargos with skew-symmetric
placement in the car

Загальна вага двох вантажів, т

, мм

, мм

20

8 000

1 250

30

7 000

900

40

6 000

750

50

6 000

600

55

6 000

500

67

5 000

400

72

4 500

350




Рис. 5. Розрахункова схема визначення поздовжнього та поперечного зміщень
загального центру ваги вантажів у вагоні

Fig. 5. Calculation scheme for determining the longitudinal and transverse displacements
of the common gravity center of cargo in the
car

Рис. 6. Кососиметричне розміщення вантажів у вагоні:
, – центри ваги вантажів; загальний центр ваги вантажу у вагоні

Fig. 6. The skew-symmetric cargo placement in the car:
, – cargo gravity centers; – common gravity center of cargo in the car



Результати

Розрахунки можна проводити з достатньою для практики точністю, обмежуючись розглядом руху групи з п’яти вагонів (рис. 2). За основу дослідження взятий метод математичного моделювання з використанням моделі просторових коливань зчепу п’яти вагонів і програмного комплексу, розробленого в ГНДЛ ДМРС Дніпропетровського національного університету залізничного транспорту імені академіка В. Лазаряна. Теоретичні дослідження проведені за умови руху піввагона моделі 12-532 з типовими візками 18-100 зі швидкостями в діапазоні від 50 до 90 км/год по кривих із радіусами 350 й 600 м, з підвищеннями зовнішньої рейки 130 і 120 мм відповідно [2, 7, 15].

У цьому дослідженні розглянутий вплив зсуву центру ваги вантажу в кузові піввагона у поздовжньому та поперечному напрямках, а також в обох напрямках одночасно. Графіки зміни динамічних показників під час руху по кривих ділянках колії  м й 350 м наведені на рис. 7–9. Зсув у поздовжньому напрямку (рис. 7) досліджений у межах до , що допускається за нормами для вантажів малої ваги (табл. 1) [3, 5, 9].

Як видно з рис. 7, у цілому зі збільшенням поздовжнього зміщення центру ваги вантажу коефіцієнти вертикальної динаміки збільшуються. Так, за швидкості 70–90 км/год показники в разі збільшення поздовжнього зсуву від 0 до 3 м не перевищують допустиму норму як у кривій  м, так й у кривій  м. Рівень оцінки у кривій  м відповідає – «добре», а у кривій м – «відмінно». Hа рис. 7 (в, г) наведені коефіцієнти горизонтальної динаміки під час руху по кривих із радіусом м та 600 м відповідно. Із них видно, що зі збільшенням коефіцієнти горизонтальної динаміки змінюються незначно та залишаються у кривій м й у кривій м на рівні оцінки – «відмінно» [1, 4].

Коефіцієнти запасу стійкості від сходу коліс із рейок у кривій м (рис. 7, д) мало залежать від поздовжнього зміщення вантажу, на відміну від кривої м (рис. 7, е), але в обох випадках не перевищують мінімально допустиме значення. З отриманих результатів випливає, що поздовжнє зміщення вантажу в разі збільшення швидкості руху не викликає збільшення коефіцієнтів горизонтальної динаміки, а коефіцієнти й не перевищують значень, визначених нормами [1, 3, 4].

Поперечне зміщення вантажу розглянуте в межах від до 0,2 м при поздовжньому зміщенні  м (рис. 8).

Для вантажів вагою 63 т, за якої проведені розрахунки, допускається поздовжнє зміщення м, на шляху прямування це значення може становити 0,2 м (табл. 2, 3) [5, 9]. Вплив поперечного зміщення центру ваги вантажу більш істотно позначається на динамічних показниках, ніж поздовжній зсув.

а – a



б
b


в – c



гd


дe



е – f


Рис. 7. Графіки залежності від зсуву вантажу в поздовжньому напрямку
під час руху по відповідній кривій:
а, б – коефіцієнти вертикальної динаміки; в, г – коефіцієнти горизонтальної динаміки;
д, е – коефіцієнти стійкості від сходу з рейок

Fig. 7. Dependence graphs on the cargo displacement in the longitudinal
direction
when moving in the corresponding curve:
а, b vertical dynamics coefficient;
c, d horizontal dynamics coefficient; e, f derailment stability coefficient

Hа рис. 8 показано вплив на динамічні показники поперечного зміщення центру ваги вантажу у кривих м та м відповідно. Зі збільшенням коефіцієнти вертикальної динаміки збільшуються (рис. 8, а, б), коефіцієнти горизонтальної динаміки змінюються не дуже значно (рис. 8, в, г), а коефіцієнти стійкості від сходу з рейок навпаки значно знижуються (рис. 8, д, е). За швидкості 70–90 км/год в разі збільшення поперечного зміщення від 0 до допустимого для зазначеної ваги значення 0,15 м коефіцієнт запасу стійкості від сходу коліс із рейок значно знижується у кривій м. Це наочно демонструють результати, наведені на рис. 8, д, е. Збільшення від 0 до 0,15 м за швидкості 70 км/год призводить до зниження коефіцієнта в 3,13 раза (у кривій м) й у 3,1 раза (у кривій  м). Отже, обмеження поперечного зсуву, позначеного нормами, потрібно дотримуватися, воно обумовлене різким зниженням коефіцієнта запасу стійкості від сходу коліс із рейок.

Одночасне зміщення центру ваги уздовж осей розглянуто в межах та від 0 до 0,15 м (рис. 9) [3, 12, 13].

а – a



б – b


в – c



гd


дe



е – f


Рис. 8. Графіки залежності від зсуву вантажу в поперечному напрямку
під час руху по відповідній кривій:
а, б – коефіцієнти вертикальної динаміки; в, г – коефіцієнти горизонтальної динаміки;
д, е – коефіцієнти стійкості від сходу з рейок

Fig. 8. Dependence graphs on the cargo displacement
in the longitudinal direction when moving in the corresponding curve:
а, b vertical dynamics coefficient; c, d horizontal dynamics coefficient;
e, f derailment stability coefficient

На рис. 9 побудовані графіки залежності динамічних показників від величини зміщення центру ваги вантажу в поперечному напрямку за величини поздовжнього зміщення центру мас вантажу м. Як видно з порівняння графіків, наведених на рис. 7 за й рис. 9 за м, відмінності у показниках невеликі, тобто наявність одночасного поперечного та поздовжнього зсувів центру ваги вантажу практично не позначається на динамічних показниках. Коефіцієнти вертикальної динаміки та запасу стійкості дещо більше залежать від одночасного поздовжнього й поперечного зміщення центру ваги вантажу.

а – a



бb


в – c



гd


дe


е – f


Рис. 9. Графіки залежності від одночасного зсуву вантажу в поперечному
та поздовжньому напрямках
під час руху у відповідній кривій:
а, б – коефіцієнти вертикальної динаміки; в, г – коефіцієнти горизонтальної динаміки;
д, е
– коефіцієнти стійкості від сходу з рейок

Fig. 9. Dependence graphs on the cargo displacement in the longitudinal direction when
moving in the cor
-responding curve:
а, b – vertical dynamics coefficient; c, d – horizontal dynamics coefficient;
e, f – derailment stability coefficient

Рівень оцінки коефіцієнтів вертикальної та горизонтальної динаміки від одночасного поздовжнього й поперечного зміщення центру ваги вантажу – «відмінно», але таке зміщення призводить до значного зниження коефіцієнта . Тому обмеження одночасного поздовжнього й поперечного зсуву, позначеного нормами, також потрібно дотримуватися. Крім того, розрахунки показали неможливість збільшення швидкості руху по кривих малого радіуса у зв’язку з великою ймовірністю сходження рухомого складу з рейок [1, 3, 4, 12, 13].

Розрахунки продемонстрували, що в разі несиметричного розміщення вантажу до 0,5 м уздовж та 0,05 м впоперек піввагона його горизонтальна динаміка порівняно із симетричним розташуванням вантажу мало змінюється, а вертикальні динамічні коефіцієнти збільшуються на 10–15 %.

Наукова новизна та практична
значимість

Наукова новизна роботи полягає в дослідженні впливу поздовжнього та поперечного зміщення центру ваги вантажу на динамічну завантаженість вагона з метою вирішення задачі прогнозування динаміки рухомого складу й включає результати теоретичних досліджень з урахуванням швидкості руху по кривих ділянках колії малого й середнього радіуса.

Одержані результати мають практичну спрямованість. У ході виконання теоретичних досліджень та після проведення моделювання з урахуванням процесів коливання вантажного вагона й вантажу за поздовжнього та поперечного зміщення центру його ваги в піввагоні отримано залежності основних динамічних показників із урахуванням швидкості руху. Застосування отриманих результатів сприятиме підвищенню безпеки руху вантажних вагонів і дозволить поліпшити техніко-економічні показники роботи залізничного транспорту.

Висновки

У статті подано аналіз проведених теоретичних досліджень динамічних якостей рухомого складу на прикладі піввагонів, розрахунки виконано з використанням пакета прикладних програм.

На підставі дослідження можна зробити наступні висновки:

поздовжні зміщення вантажу викликають збільшення коефіцієнтів вертикальної динаміки й не повинні перевищувати значень, визначених нормами;

обмеження поперечного зсуву, визначеного нормами, потрібно дотримуватися; воно спричинене не збільшенням коефіцієнтів динаміки, а різким зниженням коефіцієнта запасу стійкості від сходу коліс із рейок.

СПИСОК ВИКОРИСТАНИХ ДЖЕРЕЛ

  1. ГОСТ 33211-2014. Вагоны грузовые. Требования к прочности и динамическим качествам. – Введ. 20160701. – Москва : Стандартинформ, 2016. – 54 с.

  2. Данович, В. Д. Математическая модель пространственных колебаний сцепа пяти вагонов, движущихся по прямолинейному участку пути / В. Д. Данович, А. А. Малышева // Транспорт. Нагруженность и прочность подвижного состава : сб. науч. тр. / Днепропетр. гос. техн. ун-т ж.-д. трансп. – Днепропетровск, 1998. – С. 62–69.

  3. ДСТУ ГОСТ 22235:2015. Вагони вантажні магістральних залізничних доріг колії 1520 мм. Загальні вимоги щодо забезпечення збереження під час завантажувально-розвантажувальних та маневрових робіт (ГОСТ 22235-2010, IDT). – Введ. 2016–02–01. – Київ : УкрНДНЦ, 2015. – 20 с.

  4. ДСТУ ГОСТ 33211:2017. Вагони вантажні. Вимоги до міцності та динамічних якостей (ГОСТ 33211-2014, IDТ). – Введ. 2017–07–01. – Київ : УкрНДНЦ, 2017. – 58 с.

  5. Збірник 17 Правил перевезення і тарифів залізничного транспорту України. – Київ : САМ, 2005. – 176 с.

  6. Определение допустимых сил при оценке устойчивости грузовых вагонов от выжимания в поездах / А. А. Швец, К. И. Железнов, А. С. Акулов, А. Н. Заболотный, Е. В. Чабанюк // Наука та прогрес транспорту. – 2016. – № 1 (61). – С. 189–192. doi: 10.15802/stp2016/61045

  7. Правила визначення підвищення зовнішньої рейки і встановлення допустимих швидкостей в кривих ділянках колії : ЦП 02336. – Київ : Укрзалізниця, 2013. – 44 с.

  8. Романов, А. Н. Определение смещения центра тяжести груза в железнодорожном вагоне / А. Н. Романов, Ф. И. Гиревка, Д. Г. Заворотный // ПиКАД: Промышленные измерения, контроль, автоматизация, диагностика. – 2007. – № 3. – С. 34–35.

  9. Технические условия размещения и крепления грузов в вагонах и контейнерах. – Москва : Юртранс, 2003. – 544 с.

  10. Швець, А. О. Аналіз засобів проектування та методів удосконалення конструкцій вантажного рухомого складу / А. О. Швець // Вісник сертифікації залізничного транспорту. – 2018. – № 02 (48). – С. 61–73.

  11. Швець, А. О. Особливості визначення моментів інерції кузовів вантажних вагонів / А. О. Швець // Вісник сертифікації залізничного транспорту. – 2018. – № 5 (51). – С. 20–34.

  12. BS EN 14363:2005. Railway applications. Testing for the acceptance of running characteristics of railway vehicles. Testing of running behavior and stationary tests. – Publication Date 2006-04-28. – Brussels : BSI, 2005. – 118 p.

  13. BS EN 14363:2016. Railway applications. Testing and Simulation for the acceptance of running characteristics of railway vehicles. Running behavior and stationary tests. – Publication Date 2016-04-30. – Brussels : BSI, 2005. – 198 p.

  14. Determination of the issue concerning the lift resistance factor of lightweight car / A. O. Shvets, К. I. Zhelieznov, А. S. Аkulov, О. M. Zabolotnyi, Ye. V. Chabaniuk // Наука та прогрес транспорту. – 2015. – № 6 (60). – С. 134–148. doi: 10.15802/stp2015/57098

  15. Effect of the state of car running gears and railway track on wheel and rail wear / E. P. Blokhin,
    O. M. Pshinko, V. D. Danovich, M. L. Korotenko // Railway Bogies and Running Gears : Proc
    . of the 4th Intern. Conf. / Technical University of Budapest. – Budapest, 1998. – P. 313–323.

  16. Impact of cargo distribution on the vehicle flatback on braking distance in road freight transport / T. Skrúcaný, J. Vrábel, M. Kendra, P. Kažimír // MATEC Web of Conferences. – 2017. – Vol. 134 : 18th International Scientific Conference – LOGI 2017 (19 Oct. 2017, Czech Republic). doi: 10.1051/matecconf/201713400054

  17. Navarrete, J. A. Experimental and theoretical modeling of cargo sloshing during braking / J. A. Navarrete,
    F. Otremba // ASME International Mechanical Engineering Congress and Exposition
    (Phoenix, Arizona, USA, Nov. 11–17, 2016). – Phoenix, 2016. – Vol. 4B : Dynamics, Vibration, and Control. doi: 10.1115/imece2016-65698

  18. Ramos, A. G. A new load balance methodology for container loading problem in road transportation /
    A. G. Ramos, E. Silva, J. F. Oliveira // European Journal of Operational Research. – 2018. – Vol. 266. –
    Іss. 3. – P. 1140–1152. doi: 10.1016/j.ejor.2017.10.050

  19. Transit cooperative research program Report 71. Track-Related Research. Vol. 5 : Flange Climb Derailment Criteria and Wheel/Rail Profile Management and Maintenance Guidelines for Transit Operations. – Washington : Transportation Research Board, 2005. – 147 p.

  20. Turanov, Kh. Mathematical Modeling of Cargo Motion Crosswise the Wagon under the Action of Plane Force System / Kh. Turanov // Science and Technology. – 2015. – № 5 (1) – P. 5–14.
    doi: 10.5923/j.scit.20150501.02

А. А. Швец1*

1*Каф. «Теоретическая и строительная механика», Днепропетровский национальный
университет железнодорожного транспорта имени академика В. Лазаряна,
ул. Лазаряна, 2, Днипро, Украина, 49010, тел. +38 (050) 214 14 19,
эл. почта angela_Shvets@ua.fm, ORCID 0000-0002-8469-3902

Влияние продольного и поперечного

смещения центра тяжести груза

в полувагонах НА ИХ ДИНАМИЧЕСКИЕ

ПОКАЗАТЕЛИ

Цель. Повышение скорости движения железнодорожных экипажей позволяет усилить интеграционные процессы со странами Европы и Азии, однако приводит к необходимости совершенствования контроля, количественной оценки динамической загруженности подвижного состава для соблюдения безопасного и надежного сообщения на железных дорогах. Поэтому в процессе проектирования и эксплуатации подвижного состава количественная оценка динамических нагрузок составляет актуальную научно-техническую задачу. Целью настоящей работы является исследование влияния продольного и поперечного смещения центра тяжести груза в полувагонах при увеличении скорости движения на их основные динамические показатели – коэффициенты горизонтальной и вертикальной динамики, коэффициент устойчивости от схода с рельсов. Методика. За основу исследования взят метод математического и компьютерного моделирования динамической загруженности грузового полувагона с использованием модели пространственных колебаний сцепа пяти вагонов и программного комплекса, разработанного в отраслевой научно-исследовательской лаборатории динамики и прочности подвижного состава (ОНИЛ ДППС) Днепропетровского национального университета железнодорожного транспорта имени академика В. Лазаряна. Теоретические исследования проведены при движении полувагона модели 12-532 с типичными тележками 18-100 со скоростями в диапазоне от 50 до 90 км/ч по кривым с радиусами 350 и 600 м, с повышениями наружного рельса 130 и 120 мм соответственно. Результаты. В статье представлен анализ теоретических исследований динамических качеств подвижного состава на примере полувагонов. Расчеты с использованием пакета прикладных программ проведены с достаточной для практики точностью. В ходе выполнения теоретических исследований и после моделирования с учетом процессов колебания грузового вагона и груза при продольном и поперечном смещении центра его веса в полувагоне получены зависимости основных динамических показателей с учетом скорости движения. Научная новизна. В работе исследовано влияние продольного и поперечного смещения центра тяжести груза на динамическую загруженность вагона с целью решения задачи прогнозирования динамики подвижного состава. Впервые представлены результаты теоретических исследований с учетом скорости движения по кривым участкам пути малого и среднего радиуса. Практическая значимость. Работа имеет практическую направленность. Применение полученных результатов будет способствовать повышению безопасности движения грузовых вагонов и позволит улучшить технико-экономические показатели работы железнодорожного транспорта.

Ключевые слова: груз; полувагоны; динамические показатели; кривые участки пути; продольное и поперечное смещение центра тяжести; скорость движения

A. O. shvets1*

1*Dep. «Theoretical and Structural Mechanics», Dnipropetrovsk National University
of Railway Transport named after Academician V. Lazaryan, Lazaryan St., 2,
Dnipro, Ukraine, 49010, tel. +38 (050) 214 14 19,
e-mail angela_Shvets@ua.fm, ORCID 0000-0002-5537-6617

Influence of the longitudinal and transverse

displacement of the cargo gravity center

in gondola cars ON THEIR DYNAMIC INDICATORS

Purpose. Increase in the movement speed of railway vehicles makes it possible to strengthen integration processes with the countries of Europe and Asia and leads to the need to improve control, to quantify the dynamic load of rolling stock to ensure safe and reliable communication on the railways. Therefore, in the process of design and operation of rolling stock, the quantitative assessment of dynamic loads constitutes an urgent scientific and technical task. The purpose of this paper is to investigate the effect of longitudinal and transverse displacement of the cargo gravity center in gondola cars during movement speed increase on their main dynamic indicators –the horizontal and vertical dynamics coefficients, the derailment stability coefficient. Methodology. The study was carried out by the method of mathematical and computer simulation of the dynamic loading of freight gondola car using the model of spatial oscillations of the five cars coupling and the software complex developed in the branch research laboratory of dynamics and strength of rolling stock (BRL DSRS) of the Dnepropetrovsk National University of Railway Transport named after Academician V. Lazaryan. Theoretical studies were carried out during the movement of the 12-532 gondola car model with typical bogies 18-100 with speeds in the range from 50 to 90 km/h in curves with radii of 350 and 600 m, with increases of the outer rail 130 and 120 mm, respectively. Findings. The article presents analysis of the carried out theoretical researches of dynamic qualities of rolling stock using the example of gondola cars. Calculations are performed using the package of applied programs with sufficient accuracy for practice. When performing the theoretical studies and after modeling, taking into account the processes of oscillation of the freight car and cargo at the longitudinal and transverse displacement of its gravity center in the gondola car, the dependences of the main dynamic parameters taking into account the movement speed were obtained. Originality. The article investigates the effect of longitudinal and transverse displacement of the load's gravity center on the dynamic loading of the car in order to solve the problem of forecasting the rolling stock dynamics. The results of theoretical studies taking into account the movement speed in curved track sections of small and medium radius. Practical value. The article has a practical focus. Application of the results will contribute to improving the traffic safety of freight cars and will improve the technical and economic performance of the railway transport.

Keywords: cargo; gondola cars; dynamic indicators; curved track sections; longitudinal and transverse displacement of the gravity center; gravity center; movement speed

REFERENCES

  1. Vagony gruzovye. Trebovaniya k prochnosti i dinamicheskim kachestvam, 54 GOST 33211-2014 (2016). (in Russian)

  2. Danovich, V. D., & Malysheva, A. A. (1998). Mathematical Model of Spatial Oscillations of the Coupling of Five Cars Moving Along a Rectilinear Section of the Track. Transport. Stress Loading and Durability of a Rolling Stock, 62-69. Dnepropetrovsk. (in Russian)

  3. Vahony vantazhni mahistralnykh zaliznychnykh dorih kolii 1520 mm. Zahalni vymohy shchodo za-bezpechennia zberezhennia pid chas zavantazhuvalno-rozvantazhuvalnykh ta manevrovykh robit, 20 DSTU GOST 22235:2015 (2015). (in Ukrainian)

  4. Vahony vantazhni. Vymohy do mitsnosti ta dynamichnykh yakostei, 58 DSTU 33211:2017 (2017). (in Ukrainian)

  5. Zbirnyk № 17 Pravyl perevezennia i taryfiv zaliznychnoho transportu Ukrainy. (2005). Kуiv: SAM. (in Ukrainian)

  6. Shvets, A. A., Zheleznov, K. I., Akulov, A. S., Zabolotny, A. N., & Chabanyuk, E. V. (2016). Determination the permissible forces in assessing the lift resistant factor of freight cars in trains. Science and Transport Progress, 1(61), 189-192. doi: 10.15802/stp2016/61045 (in Russian)

  7. Pravyla vyznachennia pidvyshchennia zovnishnoi reiky i vstanovlennia dopustymykh shvydkostei v kryvykh diliankakh kolii. TsP 02336. (2013). Kуiv: Ukrzaliznytsia. (in Ukrainian)

  8. Romanov, A. N., Girevka, F. I., & Zavorotny, D. G. (2007). Opredelenie smeshcheniya tsentra tyazhesti gruza v zheleznodorozhnom vagone. PiKAD: Promyshlennye izmereniya, kontrol, avtomatizatsiya, diagnostika, 3, 34-35. (in Russian)

  9. Tekhnicheskie usloviya razmeshcheniya i krepleniya gruzov v vagonakh i konteynerakh. (2003). Moscow: Yurtrans. (in Russian)

  10. Shvets, A. O. (2018). Analysis of Design Tools and Methods to Improve Designs of Freight Rolling Stock. Visnyk sertyfikatsii zaliznychnoho transportu, 02(48), 61-73. (in Ukrainian)

  11. Shvets, A. O. (2018). Osoblyvosti vyznachennia momentiv inertsii kuzoviv vantazhnykh vahoniv. Visnyk sertyfikatsii zaliznychnoho transportu, 5(51), 20–34. (in Ukrainian)

  12. Railway applications. Testing for the acceptance of running characteristics of railway vehicles. Testing of running behavior and stationary tests, 118 BS EN 14363:2005 (2005). (in English)

  13. Railway applications. Testing and Simulation for the acceptance of running characteristics of railway vehicles. Running Behavior and stationary tests, 198 BS EN 14363:2016 (2016). (in English)

  14. Shvets, A. A., Zhelieznov, K. I., Akulov, A. S., Zabolotnyi, A. N., & Chabaniuk, Ye. V. (2015). Determination of the issue concerning the lift resistance factor of lightweight car. Science and Transport Progress, 6 (60), 134-148. doi: 10.15802/stp2015/57098 (in English)

  15. Blokhin, E. P., Pshinko, O. M., Danovich, V. D., & Korotenko, M. L. (1998). Effect of the state of car running gears and railway track on wheel and rail wear. Railway Bogies and Running Gears: Proceedings of the 4th International Conference (рр. 313-323). Budapest. (in English)

  16. Skrúcaný, T., Vrábel, J., Kendra, M., & Kažimír, P. (2017). Impact of cargo distribution on the vehicle flatback on braking distance in road freight transport. MATEC Web of Conferences: 18th International Scientific Conference – LOGI 2017 (19 Oct. 2017, Czech Republic), 134. doi: 10.1051/matecconf/201713400054 (in English)

  17. Navarrete, J. A., & Otremba, F. (2016). Experimental and theoretical modeling of cargo sloshing during braking. ASME International Mechanical Engineering Congress and Exposition (Phoenix, Arizona, USA, Nov. 11-17, 2016). Dynamics, Vibration, and Control, 4B. Phoenix. doi: 10.1115/IMECE201665698 (in English)

  18. Ramos, A. G., Silva, E., & Oliveira, J. F. (2018). A new load balance methodology for container loading problem in road transportation. European Journal of Operational Research, 226(3), 1140-1152.
    doi:
    10.1016/j.ejor.2017.10.050 (in English)

  19. Transit cooperative research program Report 71. Track-Related Research. Volume 5: Flange Climb Derailment Criteria and Wheel/Rail Profile Management and Maintenance Guidelines for Transit Operations. (2005). Washington: Transportation Research Board. (in English)

  20. Turanov, K. (2015). Mathematical Modeling of Cargo Motion Crosswise the Wagon under the Action of Plane Force System. Science and Technology, 5(1), 5-14. doi: 10.5923/j.scit.20150501.02 (in English)


Надійшла до редколегії: 11.06.2018

Прийнята до друку: 20.09.2018

dПрямая соединительная линия 4oi 10.15802/stp2018/ © А. О. Швець, 2018