ISSN 2307–3489 (Print), ІSSN 2307–6666 (Online)

Наука та прогрес транспорту. Вісник Дніпропетровського
національного університету залізничного транспорту, 2017,
2 (68)



матеріалознавство

матеріалознавство

УДК 621.791.75

А. Г. Белик1, Б. В. Ефременко2*, С. Л. Макуров3

1Каф. «Металлургия и технология сварочного производства», Приазовский
государственный технический университет, ул. Университетская, 7,
Мариуполь, Украина, 87500, тел. +38 (0629) 44 61 16, эл. почта alexbelick@yandex.ua,
orcid 0000-0002-3595-036X
2*Каф. «ТМП и литейное производство», Приазовский государственный
технический университет, ул. Университетская, 7, Мариуполь, Украина,
87500, тел. +38 (0629) 44 65 21, эл. почта bodyaefr@gmail.com,
orcid 0000-0003-0438-6433
3Каф. «ТМП и литейное производство», Приазовский государственный
технический университет, ул. Университетская, 7,
Мариуполь, Украина, 87500, тел. +38 (0629) 44 65 21,
orcid 0000-0002-1809-4143

Особенности микроструктуры

хромо-никелевого покрытия,

наплавленного порошковой

лентой ПЛ АН-111 с 50 % перекрытием

Цель. В работе предполагается провести исследование особенностей микроструктуры покрытия, полученного наплавкой порошковой лентой ПЛ АН-111 с 50 % перекрытием валиков. Методика. Износостойкий слой получен электродуговой наплавкой порошковой лентой ПЛ АН-111 на пластину из стали 09Г2С. Наплавка проводилась при следующих параметрах режима: сварочный ток 650–750 А; напряжение на дуге 30–34 В; скорость наплавки 32 м/ч. Микроструктуру исследовали с применением оптических микроскопов «Neophot-21» и «Nikon Eclipse M200», а также с использованием электронного сканирующего микроскопа JEOL JSM-6510 LV. Микротвердость структурных составляющих замеряли с помощью микротвердомера FM-300 (Future-Tech) при нагрузке 10–50 г. Результаты. Показано, что наплавка с перекрытием валиков приводит к формированию неоднородной по сечению микроструктуры, которая изменяется по зонам от аустенитной, свободной от карбидов, – до заэвтектической, содержащей первичные карбиды хрома. Выполнен анализ микротвердости структурных компонентов в различных зонах покрытия. Установлено, что твердость аустенита, карбидной эвтектики и карбидов М7С3 варьируется в покрытии в пределах 3 100–3 850 МПа, 4 100–6 800 МПа, 12 100–15 100 МПа соответственно. Научная новизна. Авторами установлено, что формируемое при наплавке хромо-никелевое покрытие содержит, в основном, аустенитно-карбидную эвтектику с различной плотностью расположения и толщиной карбидных волокон в эвтектических колониях. Вдоль границы с основой залегает однофазный аустенитный слой, переходящий в слой с доэвтектической структурой. В зоне термического влияния от сплавления валиков зафиксирован распад аустенита с формированием зернистых карбидов, что приводит к повышенной растравливаемости матрицы в местах обеднения по хрому. Над зоной сплавления валиков покрытие имеет заэвтектическую структуру с наличием крупных первичных карбидов хрома. Практическая значимость. Показано, что наплавка порошковой лентой ПЛ АН-111 с 50 % перекрытием валиков приводит к огрублению структуры за счет формирования резко выраженной заэвтектической структуры при наличии крупных первичных карбидов хрома, имеющих пониженную микротвердость.

Ключевые слова: наплавка; микроструктура; карбиды; аустенит; микротвердость; перекрытие валиков

Введение

Порошковая лента ПЛ АН-111 представляет собой материал для получения наплавленного гетерофазного покрытия на основе хрома и никеля, предназначенного для использования в условиях интенсивного абразивного и газоабразивного изнашивания при повышенных температурах. Эта лента, в частности, успешно применяется для наплавки защитных и контактных поверхностей конусов и чаш, а также контактных поверхностей тарелей и седел клапанов засыпных аппаратов доменных печей [9]. Работоспособности покрытий в жестких условиях, характерных для эксплуатации доменной печи, способствует высокое содержание легирующих элементов, за счет чего обеспечивается абразивная (эрозионная) износостойкость, теплостойкость и устойчивостью к высокотемпературной коррозии [4, 10]. Преимуществом порошковых ленточных электродов является возможность введения в состав наполнителя легирующих элементов в широком диапазоне концентраций, высокая производительность процесса наплавки, а также получение минимального значения доли участия основного металла в наплавленном, что и определяет эксплуатационные характеристики покрытия. Наплавка порошковой лентой может производиться с нанесением валиков в один слой и в несколько слоев – с перекрытием и без перекрытия. При наплавке с перекрытием происходит частичное расплавление ранее нанесенного валика с перемешиванием металла в переходной диффузионной зоне [15]. Структура последующих валиков и переходных зон может существенно отличаться от структуры валика, наплавленного при первом проходе, приводя к неоднородности свойств покрытия [7] и к избирательному износу наплавленного металла [6]. До настоящего времени характер микроструктуры, формирующейся при перекрытии валиков, наплавленных высоколегированными хромо-никелевыми сплавами, остается недостаточно изученной, что не позволяет совершенствовать процесс получения износостойких покрытий.

Цель

Целью работы явилось исследование особенностей микроструктуры по сечению износостойкого слоя, полученного наплавкой порошковой проволокой ПЛ АН-111 с 50 % перекрытием валиков.

Методика

Износостойкий слой получили электродуговой наплавкой порошковой лентой ПЛ АН-111 с таким номинальным химическим составом, масс. %:

C 5,0

Cr 40,0

Mn 1,0

Si 2,0

Ni 40,0

Fe ост.

Покрытие наносилось на пластину толщиной 30 мм из стали 09Г2С.

Наплавка проводилась при следующих параметрах режима: сварочный ток – 650–750 А; напряжение на дуге – 30–34 В; скорость наплавки 32 м/ч. Наплавленные образцы остывали на спокойном воздухе, после чего их разрезали абразивным кругом с водяным охлаждением для получения сечения валика, перпендикулярного направлению наплавки. После шлифовки и полировки по стандартной методике поверхность шлифов подвергали длительному травлению при комнатной температуре в 4 % растворе азотной кислоты. Микроструктуру исследовали с применением оптических микроскопов «Neophot-21» и «Nikon Eclipse M200», а также с использованием электронного сканирующего микроскопа (СЭМ) JSM-6510 LV. Микротвердость структурных составляющих замеряли с помощью твердомера FM-300 (Future-Tech) при нагрузке 1–50 г с усреднением значений 5–7 замеров. Размер структурных составляющих определяли с использованием методик количественной металлографии [1].

Результаты

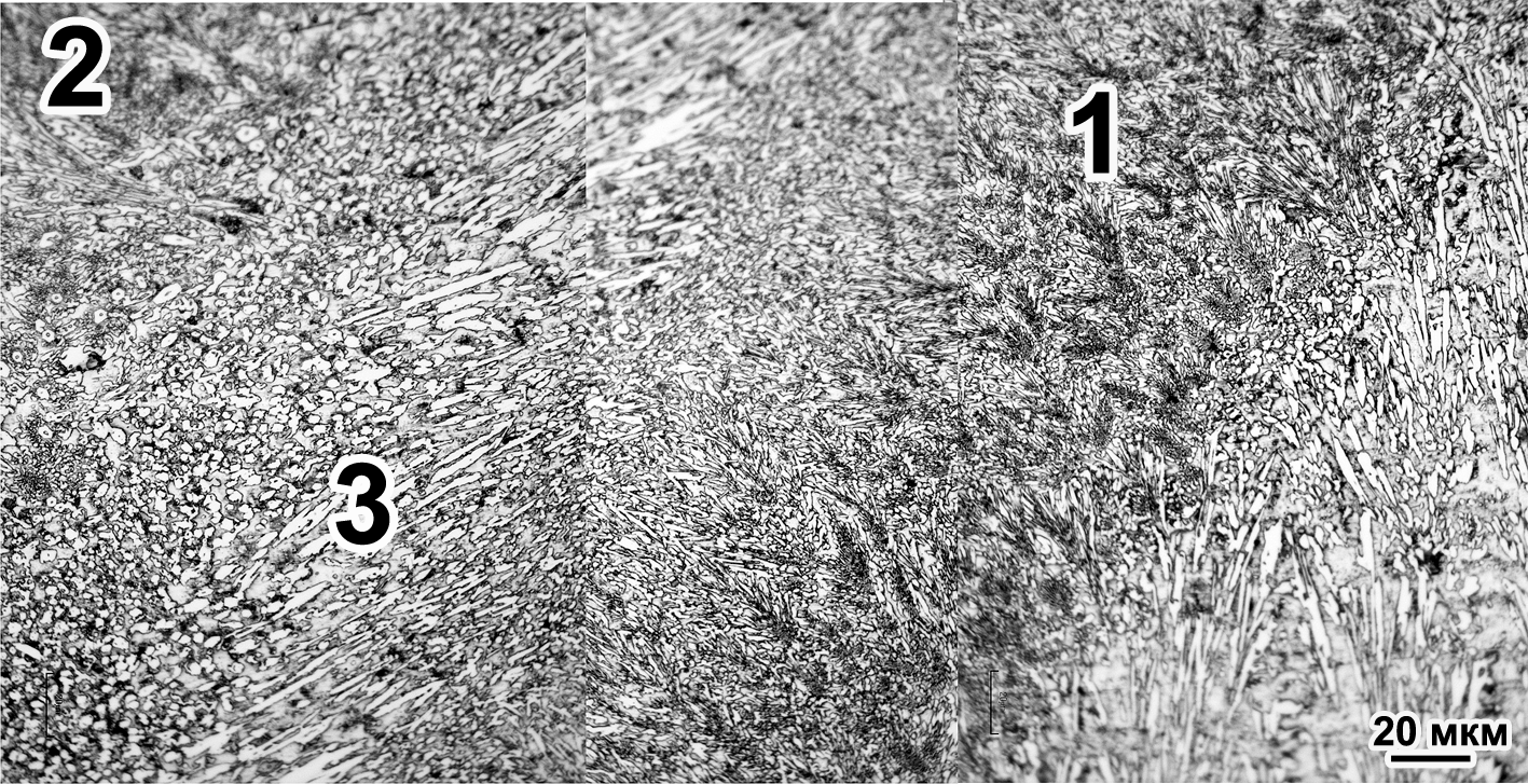
Поперечное сечение наплавленного слоя представлено на рис. 1. Справа на рисунке показан валик № 1, полученный при первом проходе. Валик № 2 был наплавлен с 50 % перекрытием, то есть расстояние между вершинами валиков примерно соответствует половине их ширины. Анализ распределения микроструктуры производили вдоль линий Л1-Л6, разделяющих покрытие по длине на шесть примерно равных отрезков. Линии Л2 и Л4 соответствуют вершинам валиков, линия Л3 – средней части наплавленного покрытия. На линиях обозначены опорные точки, в которых проводили микроструктурное исследование и замеры микротвердости.

При травлении покрытия визуально было установлено наличие переходной зоны между валиками. Она располагается между линией Л3 и вершиной валика № 1 и имеет закругленную (с выпуклостью в сторону валика № 1) границу, показанную на рис. 1 штрихпунктирной линией. Эта зона возникла в результате сплавления валиков, а ее граница фактически обозначает границу распространения жидкой ванны в сторону валика № 1. Линия Л1 соответствует части валика № 1, не затронутой повторным расплавлением, то есть она проходит в участках, сохранивших свою первоначальную структуру, характерную для наплавки в один проход (рис. 2).

Рис. 1. Сечение наплавленного покрытия и участки анализа микроструктуры

Fig. 1. Cross-section of surfaced coating and points for microstructure analysis


а – a                                                                                    б – b

в – c

Рис. 2. Микроструктура валика вдоль линии Л1: граница сплавления (точка1) (а), точка 2 (б), вершина валика (точка 3) (в) (А, М, Э – аустенит, мартенсит, эвтектика, соответственно)

Fig. 2. Microstructure of the bead along the line L1: boarder with substrate (point 1) (a), point 2 (b), the top of the bead (point 3) (c) (А, М, Э – austenite, martensite, eutectic correspondingly)

В точке 1, то есть у границы с основой, в покрытии располагается слой твердого раствора (никелевого аустенита) без карбидов шириной до 20 мкм (рис. 2, а) с микротвердостью 3 850 МПа (табл. 2). Причинами его формирования явились: а) перемешивание основного металла с наплавленным металлом при частичном растворении в основе углерода и легирующих элементов, б) быстрая кристаллизация, подавившая выделение карбидной фазы из жидкости. О насыщении основы (стали 09Г2С) углеродом и легирующими элементами свидетельствует игольчатый (высокоуглеродистый) мартенсит, залегающий непосредственно линии сплавления основного металла с наплавленным металлом (рис. 2, а).

За аустенитным слоем следует двухфазная структура, состоящая из аустенитных дендритов, по границам которых залегает карбидная эвтектика «аустенит + М7С3» со средней микротвердостью 4 550 МПа. Наличие дендритов твердого раствора указывает на то, что в зоне, примыкающей к границе сплавления с основой, покрытие имеет доэвтектическую структуру. Начинаясь как тонкая (2–3 мкм) сетка, эвтектика по мере удаления от границы трансформируется в достаточно крупные колонии поперечным сечением до 10 мкм, занимающие до 30–40 % площади микрошлифа (рис. 2, б). В точке 2 структура становится типично эвтектической, то есть без наличия избыточных фаз: она состоит из вытянутых эвтектических колоний, в которых карбидные волокна ориентированы вдоль направления теплоотвода к основе. Толщина волокон колеблется в пределах 1–7 мкм, микротвердость эвтектических колоний составляет 4 500 МПа. По мере продвижения к вершине валика (точка 3) в структуре появляются колонии с повышенной плотностью расположения карбидных волокон; их микротвердость (5 100 МПа) превышает микротвердость «разреженных» колоний (4 100 МПа). У самой поверхности (точка 4) структура состоит из эвтектических колоний повышенной твердости (6 800 МПа) с высокой плотностью карбидных волокон при некотором увеличении их поперечного сечения (рис. 2, в), что могло явиться следствием изменения условий кристаллизации. Наличие укрупненных карбидов в точке 4 позволило непосредственно измерить их микротвердость: в поперечном сечении она составила 15 100 МПа, что характерно для карбида М7С3 [11, 14] и подтверждает его присутствие в структуре покрытия.

Таблица 1

Микротвердость (МПа) структурных составляющих в различных
точках покрытия

Table 1

Microhardness (MPa) of structural constituents in different coating points

Точка

Линия

1

2

3

4

5

1

а 3 850/ э 4 550

а 3 800 / э 4 820

а 3 810 / э 4 500

а 3 700 / э 4 730

а 3 650 / э 4 750

2

э 4 500

а 4 690 / э 4 650

э 4 900

э 4 700

э 4 530 /к 12 250

3

э 4 100–5 300

э 4 660

э 4 500

э 4 640

э 4 390/к 12 000/ а 3 100

4

э 6 800/к 15 100

э 4 510

э 4 200 /к 13 500

э 4 470 /к 12 000

5

э 4 410

э5 510/ к 13 350/ а 3 370

э 4 390/к12 100/ а 3 100

а, э, к – аустенит, карбидная эвтектика, первичный карбид, соответственно.

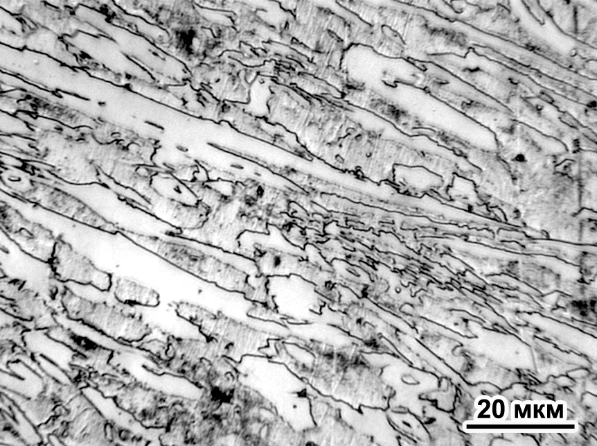
Линия 2 проходит вдоль центральной оси валика №1. Микроструктура в точке 1 на этой линии аналогична представленной на рис. 2, а то есть характеризуется однофазным аустенитным слоем, переходящим в доэвтектическую структуру. Такое строение характерно для всего контура границы сплавления с основой и наблюдается в точках 1 на различных контрольных линиях. Точки 2 и 3 на линии Л2 находятся непосредственно под зоной перекрытия валиков; в этих точках структура представляет собой разреженную эвтектику, в промежутках между колониями которой залегают сферические карбиды размерами от 0,2 до 3 мкм (рис. 3, а). Вокруг сферических карбидов матрица сильно растравлена, что указывает на ее обеднение хромом.

Сфероидальные включения располагаются цепочками под определенным углом к карбидным волокнам, то есть к направлению теплоотвода. Такое расположение включений указывает на то, что они возникли в результате твердофазной реакции выделения из аустенита при тепловом воздействии со стороны зоны сплавления валиков (направления цепочек карбидов примерно соответствует фронту распространения тепла от зоны сплавления в направлении валика № 1). Выше точки 3 залегает граница распространения жидкой ванны при нанесении валика 2. Эта граница обозначена двумя концентрическими темными зонами (обозначены как 1 и 2 на рис. 3, б), разделенными более светлой зоной 3 со столбчатыми карбидами. Предположительно, характер строения этих зон обусловлен различной ориентацией карбидов относительно плоскости шлифа. Структура «темных» зон сформирована плотными эвтектическими колониями небольшой длины (15–25 мкм), близко расположенными друг от друга (рис. 3, в). В столбчатой зоне колонии более разрежены, а длина колоний увеличена до 25–60 мкм. В точках 4 и 5 (у поверхности) микроструктура наплавленного слоя имеет эвтектический характер с наличием утолщенных карбидных волокон (рис. 3, г), причем, в отличие от точек 2, 3 зернистые карбиды здесь не наблюдаются, что подтверждает высказанное выше предположение о причине их появления.

а – a                                                                                 б – b

в – c                                                                                г – d

Рис. 3. Микроструктура вдоль линии Л2: точка 2 (а), переходная зона (б),
«темная» полоса (
в), вершина валика (точка 5) (г)

Fig. 3. Microstructure along the line L2: point 2 (a), transition zone (b),
“dark” layer (c), the top of the bead (point 5) (d)

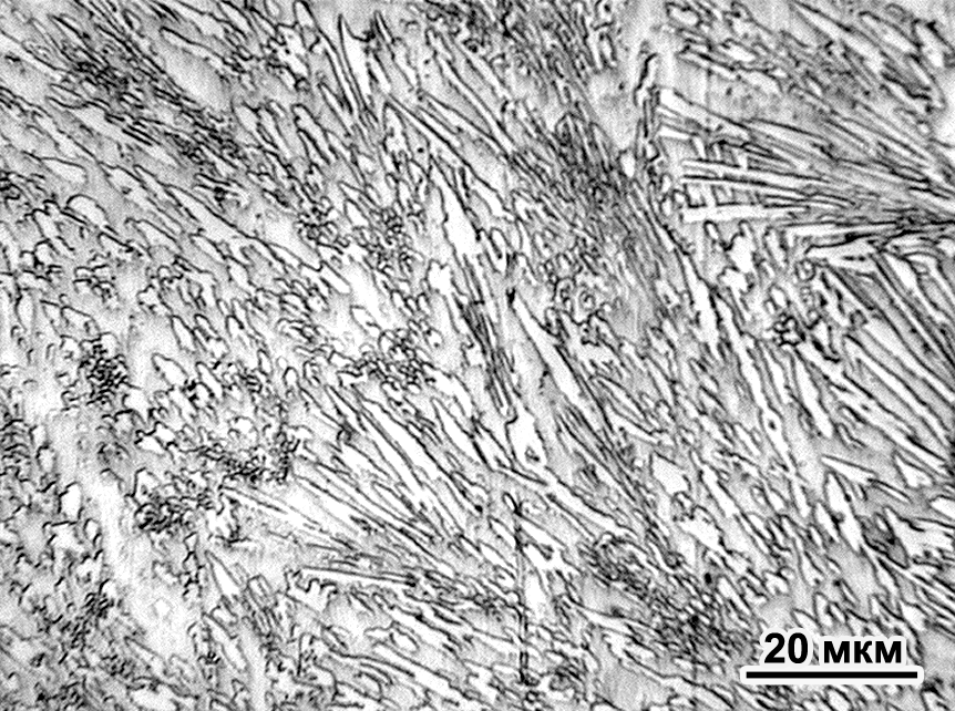
При переходе от валика № 1 к валику № 2 распределение микроструктуры по высоте покрытия претерпевает изменение. Если примерно на 25 % высоты (линия Л3, точка 2) структура имеет характерный для валика 1 эвтектический вид с мелкими карбидными волокнами сечением 0,5–3,0 мкм (рис.4, а), то уже в точке 3 присутствуют укрупненные карбиды с размером 5–15 мкм в поперечном сечении (рис.4, б). В точке 4 и вплоть до самого верха покрытия вдоль линии Л3 структура имеет классический заэвтектический характер с наличием крупных первичных карбидов М7С3 в виде гексагональных призм с центральной полостью (что является характерным признаком тригонального карбида хрома Cr7C3 [12, 13]) (рис. 4, в). В поперечном сечении размер карбидов достигает 15-30 мкм, в длину – 40–90 мкм; микротвердость – 13 500 МПа. Окружающая первичные карбиды эвтектика имеет различную плотность карбидных волокон; более «разреженные» колонии имеют микротвердость 4 200–4 500 МПа, более плотные – 5 000–5 510 МПа, участки матрицы возле «разреженных» колоний имеют микротвердость 3 370 МПа.

В большей части валика № 2 (начиная с точки 3 по линии Л4 и точки 2 по линии Л5 до верха покрытия) присутствуют крупные первичные карбиды, размеры которых соответствуют представленным выше (рис. 4, г). Микротвердость карбидов составляет в среднем 12 000 МПа, твердость эвтектики вдоль линий Л4 и Л5 изменяется в пределах (4 3904 730 МПа).

а – a                                                                                    б – b

в – c                                                                                    г – d

Рис. 4. Микроструктура вдоль линии Л3 (точки 2 (а), 3 (б), 4 (в), линия 5 (точка 2 (г))

Fig. 4. Microstructure along the line L3 (point 2 (a), point 3 (b), point 4 (c)), line 5 (point 2 (d))

При обобщении полученных данных была составлена карта распределения микроструктуры по сечению наплавленного покрытия. Как следует из рис. 5, в пределах покрытия можно выделить четыре структурные зоны. В зоне 1 залегает узкий пограничный бескарбидный слой, сразу за которым следует слой, имеющий доэвтектическую структуру «дендриты + карбидная эвтектика», шириной до 100 мкм. Для зоны 2 характерно эвтектическое строение без визуально выявляемых дендритов, с наличием тонких карбидных включений, входящих в эвтектические колонии небольшой длины. В зоне 3 сохраняется эвтектическое строение, однако отмечается укрупнение эвтектических карбидов с увеличением длины колоний. И, наконец, зона 4 представлена заэвтектической структурой с грубыми первичными карбидами и неоднородной (по плотности залегания карбидных включений) эвтектикой.

Рис. 5. Структурные зоны по сечению покрытия

Fig. 5. Structural zones in cross section of the coating

Формирование неоднородной структуры обусловлено особенностями кристаллизации при последовательном наплавлении валиков. При нанесении валика № 1 сварочная ванна охлаждалась достаточно быстро, что обеспечило большую степень переохлаждения расплава относительно температуры термодинамического равновесия «жидкость/твердая фаза». В этих условиях энергетически и кинетически более выгодным оказалось возникновение большого количества зародышей карбидов, что привело к формированию плотных эвтектических колоний с тонкими короткими карбидными волокнами при полном подавлении выделения первичных карбидов хрома. Фактически во всем сечении валика №1 (за исключением тонкой зоны вдоль границы сплавления с основой) возникла эвтектическая структура, состоящая из мелких колоний, ориентированных перпендикулярно границе сплавления. Поскольку выделение избыточной фазы (первичных карбидов) было заторможено, содержание хрома и углерода в эвтектике (то есть в карбидах и матрице) оказалось выше равновесного, что указывает на неравновесное состояния эвтектики. О метастабильности эвтектической структуры говорит тот факт, что при нанесении валика №2 в зоне термического влияния (под штрихпунктирной линией) из матричной фазы эвтектики выделились глобулярные карбиды, то есть прошел процесс, сопровождающийся снижением свободной химической энергии системы [5, 8].

Кристаллизация валика № 2 протекала в условиях замедленного теплоотвода в основу в связи с ее прогревом в результате наплавки валика № 1. Кроме того, отвод тепла в основу происходил через валик № 1. Известно, что легирование резко уменьшает коэффициент теплопроводности сплавов за счет искажений кристаллической решетки, приводящих к рассеиванию фононов. Поскольку металл наплавленного слоя представляет собой сложнолегированный твердый раствор, можно полагать, что его теплопроводность сильно понижена по сравнению с материалом основы – сталью 09Г2С. Таким образом, кристаллизация зоны перекрытия (между линиями Л2 и Л3) проходила замедленно. В результате в верхней части зоны перекрытия и в большей части валика №2 структура формировалась в условиях, приближенных к термодинамически равновесным, то есть путем выделения первичных карбидов с обеднением жидкости по углероду и хрому и последующим превращением по реакции «L аустенит + М7С3» [15]. Первичные карбиды, сформировавшиеся в валике №2, имеют микротвердость ~12 000 МПа, что ниже уровня, характерного для карбидов М7С3. Понижение твердости, вероятно, связано с влиянием никеля, который вследствие высокого содержания в покрытии мог частично заменить хром в решетке карбида, уменьшив ковалентную составляющую межатомной связи.

Наличие первичных карбидов в структуре наплавленного слоя может негативно отразиться на износостойкости покрытия за счет явления избирательного износа [1, 4]. Это связано с высокой хрупкостью массивных карбидных кристаллов, которые легко разрушаются и выкрашиваются в условиях статического (при абразивном изнашивании), либо динамического (при эрозионном изнашивании) контакта с абразивными частицами.

Научная новизна и практическая
значимость

Показано, что формируемое при наплавке CrNi покрытие содержит, в основном, аустенито-карбидную эвтектику с различной плотностью расположения и толщиной карбидных волокон в эвтектических колониях. Перекрытие наплавляемых валиков приводит к огрублению структуры с формированием резко выраженной заэвтектической структуры при наличии крупных первичных карбидов хрома. В зоне термического влияния от сплавления валиков зафиксирован распад аустенита с формированием зернистых карбидов и понижением коррозионной стойкости матрицы в местах обеднения по хрому.

Выводы

1. Для покрытия, наплавленного порошковой лентой ПЛ АН-111 с 50 % перекрытием валиков, характерна неоднородная аустенито-карбидная микроструктура, изменяющаяся от однофазной аустенитной до заэвтектической с варьированием микротвердости фазово-структурных составляющих в пределах 3 10015 100 МПа.

2. Под зоной перекрытия выявлены сфероидальные карбиды, выделившиеся из твердого раствора в результате термического влияния от сплавления валиков.

3. Над зоной перекрытия и в большей части валика № 2 покрытие содержит крупные первичные карбиды М7С3, имеющие пониженную микротвердость.

СПИСОК использованных источников

  1. Вакуленко, І. О. Структурний аналіз в матеріалознавстві / І. О. Вакуленко. – Дніпропетровськ : Маковецький, 2010. – 124 с. doi: 10.15407/tpwj2014.06.14.

  2. Ворончук, А. П. Порошковые ленты для износостойкой наплавки / А. П. Ворончук // Автоматическая сварка. – 2014. – № 6/7. – С. 75–78.

  3. Дегтерёв, А. С. Структура, твердость и абразивный износ Fe-Cr-V-Mo-C покрытий, полученных плазменно-порошковой наплавкой / А. С. Дегтерёв, С. Ф. Гнюсов // Техн. науки: от вопросов к решениям : сб. науч. тр. по итогам междунар. науч.-практ. конф. – Томск, 2016. – № 1. – С. 36–40.

  4. Жудра, А. П. Наплавочные порошковые ленты / А. П. Жудра, А. П. Ворончук // Автоматическая сварка. – 2012. 1. – С. 3944.

  5. Нетребко, В. В. Влияние химического состава высокохромистых чугунов на обрабатываемость резанием / В. В. Нетребко // Наука та прогрес транспорту. – 2016. – № 1 (61). – С. 122–130.
    d
    oi: 10.15802/stp2016/61015.

  6. Тарасов, В. В. Избирательный износ наплавленного заэвтектического хромистого сплава / В. В. Тарасов, П. Ф. Лаврик, В. Х. Мацука // Сварочное производство. – 1976. – № 9. – С. 28–29.

  7. Теоретические и технологические основы наплавки. Свойства и испытания наплавленного металла / под ред. И. И. Фрумина. – Киев : Изд-во им. Е. О. Патона АН УССР, 1979. – 172 с.

  8. Чабак, Ю. Г. Структурные изменения в комплекснолегированном белом чугуне при дестабилизирующем нагреве / Ю. Г. Чабак, В. Г. Ефременко, Р. Р. Станишевский // Вісн. Дніпропетр. нац. ун-ту залізн. трансп. ім. акад. В. Лазаряна. – Дніпропетровськ, 2011. – Вип. 38. – С. 229–232.

  9. Чигарев, В. В. Износостойкая наплавка порошковой лентой / В. В. Чигарев, А. Г. Белик, Т. Н. Филиппенко // Зб. наук. пр. нац. ун-ту кораблебудування. Миколаїв, 2009. – № 3 (426). – С. 168–175.

  10. Чигарев, В. В. Порошковые ленты для наплавки / В. В. Чигарев, А. Г. Белик // Сварочное производство. – 2011. – № 8. С. 3844.

  11. Coronado, J. J. Effect of (Fe, Cr)7C3 carbide orientation on abrasion wear resistance and fracture toughness /
    J. J. Coronado // Wear. – 2011. – Vol. 270. – Iss. 3–4. – P. 287–293. doi: 10.1016/j.wear.2010.10.070.

  12. Effect of Ti-V-Nb-Mo addition on microstructure of high chromium cast iron / M. Youping, L. Xiulan,
    L. Yugao [et al.] // China Foundry. – 2012. – Vol. 9, No. 2. – Р. 148–153.

  13. Growth characteristics of primary M7C3 carbide in hypereutectic Fe-Cr-C alloy / L. Sha, Z. Yefei, X. Xiaolei [et al.] // Sci. Reports. – 2016. – Vol. 6. – P. 32941. doi: 10.1038/srep32941.

  14. Jacudine, A. B. The wear behavior of high chromium white cast irons as a function of Silicon and Mischmetal / A. B. Jacudine, W. M. Rainforth // Wear. – 2001. – Vol. 250. – Iss. 1–2. – P. 449–461.
    doi: 10.1016/s0043-1648(01)00633-0.

  15. Phase diagram calculation of high chromium cast irons and influence of its chemical composition / D. Li, L. Liu, Yu. Zhang [et al.] // Materials and Design. – 2009. – Vol. 30. – Iss. 2. – P. 340–345. doi: 10.1016/j.matdes.2008.04.061.

  16. Wang, S.-H. A study of the abrasive wear behaviour of laser-clad tool steel coatings / S.-H. Wang, J.-Y. Chen, L. Xue // Surface & Coatings Technology. – 2006. – Vol. 200. – Iss. 11. – P. 3446–3458.
    doi: 10.1016/j.surfcoat.2004.10.125.

О. Г. Бєлік1, Б. В. Єфременко2*, С. Л. Макуров3

1Каф. «Металургія та технологія зварювального виробництва», Приазовський державний
технічний університет, вул. Університетська, 7, Маріуполь, Україна, 87500,
тел. +38 (0629) 44 61 16, ел. пошта alexbelick@yandex.ua,
orcid 0000-0002-3595-036X
2*Каф. «ТМП та ливарне виробництво», Приазовський державний технічний університет,
вул. Університетська, 7, Маріуполь, Україна, 87500, тел. +38 (0629) 44 65 21,
ел. пошта bodyaefr@gmail.com, orcid 0000-0003-0438-6433
3Каф. «ТМП та ливарне виробництво», Приазовський державний технічний університет,
вул. Університетська, 7, Маріуполь, Україна, 87500,
тел. +38 (0629) 44 65 21, orcid 0000-0002-1809-4143

ОСОБЛИВОСТІ мікроструктури

хромо-нікелевого ПОКРИТТЯ,

НАПЛАВЛЕНОГО порошковоЮ

СТРІЧКОЮ ПЛ АН-111 Із 50 %

перекриттям

Мета. У роботі передбачається провести дослідження особливостей мікроструктури покриття, отриманого наплавленням порошковою стрічкою ПЛ АН-111 із 50 % перекриттям валиків. Методика. Зносостійкий шар отримано електродуговим наплавленням порошковою стрічкою ПЛ АН-111 на пластину зі сталі 09Г2С. Наплавка проводилась при таких параметрах режиму: зварювальний струм 650–750 А; напруга на дузі 30–34 В; швидкість наплавлення 32 м/ч. Мікроструктуру досліджували із застосуванням оптичних мікроскопів Neophot-21 та Nikon Eclipse M200, а також із використанням електронного скануючого мікроскопа JSM-6 510 LV. Мікротвердість структурних складових заміряли за допомогою мікротвердоміра FM-300 (Future-Tech) при навантаженні 10–50 м. Результати. Показано, що наплавлення з перекриттям валиків призводить до формування неоднорідної по перетину мікроструктури, яка змінюється по зонах від аустенітної, вільної від карбідів, – до заевтектичної, що містить первинні карбіди хрому. Виконано аналіз мікротвердості структурних компонентів у різних зонах покриття. Встановлено, що твердість аустеніту, карбідної евтектики та карбідів М7С3 варіюється в покритті у межах 3 100–3 850 МПа, 4 100–6 800 МПа, 12 100–15 100 МПа відповідно. Наукова новизна. Авторами встановлено, що хромо-нікелеве покриття, яке формується при наплавленні, містить, в основному, аустенітно-карбідну евтектику з різною щільністю розташування та товщиною карбідних волокон в евтектичних колоніях. Уздовж кордону з основою залягає однофазний аустенітний шар, що переходить у шар із доевтектичною структурою. У зоні термічного впливу від сплавлення валиків зафіксовано розпад аустеніту з формуванням зернистих карбідів, що призводить до підвищеної розтравлюваності матриці в місцях збіднення по хрому. Над зоною сплавлення валиків покриття має заевтектичну структуру з наявністю великих первинних карбідів хрому. Практична значимість. Показано, що наплавлення порошковою стрічкою ПЛ АН-111 із 50 % перекриттям валиків призводить до огрубіння структури за рахунок формування різко вираженої заевтектичної структури при наявності великих первинних карбідів хрому, які мають знижену мікротвердість.

Ключові слова: наплавка; мікроструктура; карбіди; аустеніт; мікротвердість; перекриття валиків


A. G. Belik1, B. V. Efremenko2*, S. L. Makurov3

1Dep. «Metallurgy and technology of Welding», Pryazovskyi State Technical University,
Universytetska St., 7, Mariupol, Ukraine, 87500, tel. +38 (0629) 44 61 16,
e-mail alexbelick@yandex.ua, orcid 0000-0002-3595-036X
2*Dep. «Theory of Metallurgical Processes and Foundry», Pryazovskyi State
Technical University
, Universytetska St., 7, Mariupol, Ukraine, 87500,
tel. +38 (0629) 44 65 21, e-mail bodyaefr@gmail.com, orcid 0000-0003-0438-6433
3Dep. «Theory of Metallurgical Processes and Foundry», Pryazovskyi State
Technical University
, Universytetska St., 7, Mariupol, Ukraine, 87500,
tel. +38 (0629) 44 65 21, orcid 0000-0002-1809-4143

MICROSTRUCTURE FEATURES OF CHROME-NICKEL

COATING WELDED WITH FILLER WIRE PL AN-111

WITH A 50% OVERLAP

Purpose. The paper involves investigation of microstructure features of the coating welded with filler wire PL AN-111 with a 50% beads overlap. Methodology. Wear-resistant layer was formed by means of electric arc deposit welding using filler wire PL AN-111 on the plate from steel 09G2S. Deposit welding was conducted under the following parameters: welding current is of 650-750 A; arc voltage is of 30-34 V; welding speed is of 32 m/h. Microstructure was researched with application of optical microscopies “Neophot-21”, “Nikon Eclipse M200” and electron scanning microscopy JEOL JSM-6510 LV. Microhardness of structural constituents was measured with tester FM-300 (Future-Tech) under loading of 10-50 g. Findings. It is shown that the overlap of the beads leads to the formation of inhomogeneous microstructure in the cross section that varies by zones from free-carbide austenite to hypereutectic microstructure with primary chromium carbides. The analysis of the microhardness of the structural constituents in various coating areas was carried out. It was found that hardness of austenite, carbide eutectic and carbides M7C3 varies in coatings in the range of 3 100-3 850 МPа, 4 100-6 800 МPа and 12 100-15 100 МPа, accordingly. Originality. Authors determined that Cr-Ni coating comprises substantially austenitic-carbide eutectic with different density and thickness of carbide fibers within eutectic colonies. Along the border “base/coating” a single-phase austenitic layer lies which turns into a layer with a hypoeutectic structure. In the heat affected zone from beads fusion austenite disintegration with the granular carbides formation was recorded. This leads to decreasing of matrix corrosion resistance due to chromium depletion. Above the zone of beads fusion, the coating has a hypereutectic structure with the presence of large primary chromium carbides. Practical value. It is shown that deposit welding with filler wire PL AN-111 with a 50% overlap of beads results in a coarsening of the structure due to formation of a hypereutectic structure comprising in the presence of large primary chromium carbides with lower microhardness.

Keywords: deposit welding; microstructure; carbides; austenite; microhardness; beads overlap

REFERENCES

  1. Vakulenko, I. O. (2010). Strukturnyi analiz v materialoznavstvi. Dnipropetrovsk: Makovetskyi.

  2. Voronchuk, A. P. (2014). Flux-cored strips for wear-resistant surfacing. The Paton Welding Journal, 6-7, 75-78. doi: 10.15407/tpwj2014.06.14

  3. Degteryov, A. S., & Gnyusov, G. F. (2016). Struktura, tverdost i abrazivnyy iznos Fe-Cr-V-Mo-C pokrytiy, poluchennykh plazmenno-poroshkovoy naplavkoy. Proceedings of the Scientific International Conference Tekhnicheskie nauki: ot voprosov k resheniyam, October 25, 2016, Тоmsk. 36-40. Retrieved from http://evansys.com/articles/tekhnicheskie-nauki-ot-voprosov-k-resheniyam-sbornik-nauchnykh-trudov-po-itogam-mezhdunarodnoy-nauch/sektsiya-7-materialovedenie-i-metallurgicheskoe-oborudovanie/struktura-tverdost-i-abrazivnyy-iznos-fe-cr-v-mo-c-pokrytiy-poluchennykh-plazmenno-poroshkovoy-napla/

  4. Zhudra, A. P., & Voronchuk, A. P. (2012). Cladding flux-cored strips (Review). The Paton Welding Journal, 1, 34-38.

  5. Netrebko, V. V. (2016). The influence of chemical composition of high-chromium cast irons on the machinability. Science and Transport Progress, 1(61), 122-130. doi: 10.15802/stp2016/61015

  6. Tarasov, V. V., Lavrik, P. F., & Matsuka, V. H. (1976). Izbiratelnyy iznos naplavlennogo zaevtekticheskogo khromistogo splava. Svarochnoye proizvodstvo, 9, 28-29.

  7. Frumin, I. I. (Ed.). (1979). Teoreticheskiye i tekhnologicheskiye osnovy naplavki. Svoystva i ispytaniya naplavlennogo metalla. Kyiv: Paton Publishing House.

  8. Chabak, U. H., Yefremenko, V. H., & Stanishevskyi, R. R. (2011). Structural changes have in complex alloying white iron during destabilizing heating. Bulletin of Dnipropetrovsk National University of Railway Transport, 38, 229-232.

  9. Chigarev, V. V., Belik, A. G., & Filippenko, T. N. (2009). Iznosostoykaya naplavka poroshkovoy lentoy. Zbirnyk naukovykh prats Natsionalnoho universytetu korablebuduvannia, 3(426), 168-175.

  10. Chigarev, V. V., & Belik, A. G. (2011). Flux-cored strips for welding. Svarochnoye Proizvodstvo, 8, 38-44.

  11. Coronado, J. J. (2011). Effect of (Fe,Cr)7C3 carbide orientation on abrasion wear resistance and fracture toughness. Wear, 270(3-4), 287-293. doi: 10.1016/j.wear.2010.10.070

  12. Ma, Y., Li, X., Liu, Y., Zhou, S., Dang, X. (2012). Effect of Ti-V-Nb-Mo addition on microstructure of high chromium cast iron. China Foundry, 9(2), 148-153.

  13. Sha, L., Zhou, Y., Xing, X., Wang, J., Ren, X., & Yang, Q. (2016). Growth characteristics of primary M7C3 carbide in hypereutectic Fe-Cr-C alloy. Scientific Reports, 6, 32941. doi: 10.1038/srep32941

  14. Jacudine, A. B., & Rainforth, W. M. (2001). The wear behavior of high chromium white cast irons as
    a function of Silicon and Mischmetal. Wear, 250(1-2), 449-461. doi: 10.1016/s0043-1648(01)00633-0

  15. Li, D., Liu, L., Zhang, Y., Ye, C., Ren, X., Yang, Y., & Yang, Q. (2009). Phase diagram calculation of high chromium cast irons and influence of its chemical composition. Materials and Design, 30(2), 340-345.
    doi: 10.1016/j.matdes.2008.04.061

  16. Wang, S.-H., Chen, J.-Y., & Xue, L. (2006). A study of the abrasive wear behaviour of laser-clad tool steel coatings. Surface & Coatings Technology, 200(11), 3446-3458. doi: 10.1016/j.surfcoat.2004.10.125


Статья рекомендована к публикации д.т.н., проф. В. Н. Матвиенко (Украина); д.т.н., проф.
И. А. Вакуленко (Украина)


Поступила в редколлегию: 05.12.2016

Принята к печати: 01.03.2017

doi 10.15802/stp2017/100104 © А. Г. Белик, Б. В. Ефременко, С. Л. Макаров, 2017